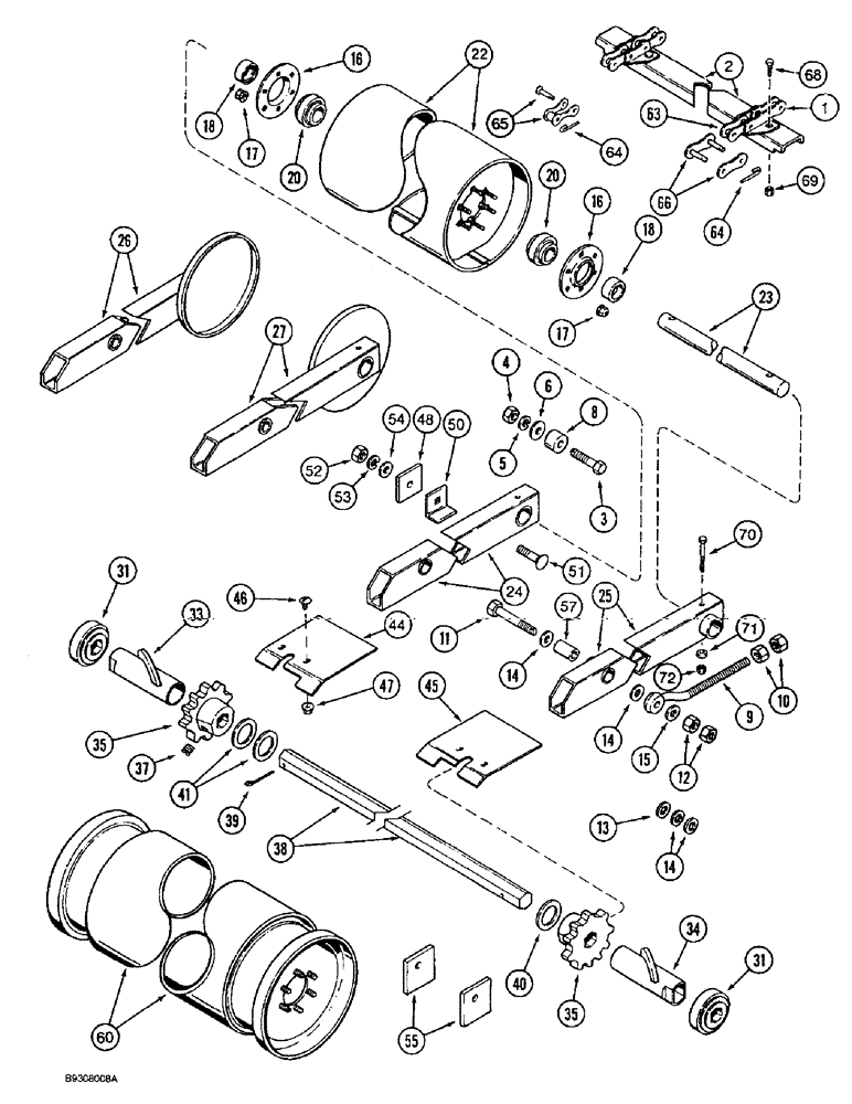
Запчасти Case IH 1666 (9A-34) - FEEDER, CONVEYOR (13) - FEEDER

Схема запчастей Case IH 1666 - (9A-34) - FEEDER, CONVEYOR (13) - FEEDER
70
24
2
8
17
1
33
18
48
44
15
4
57
6
14
46
27
35
26
12
51
37
50
39
45
63
71
13
66
20
41
22
20
69
65
38
40
47
55
16
72
68
11
53
60
16
52
25
64
64
17
9
31
54
18
10
35
31
34
23
5
3
14
14
FIT
1:1
100%

Артикул

Название

Примечание

Количество

1

117865A1

CHAIN (AG)

ASSY., conveyor, with 9 serrated slats, 54-1/2 in. feeder, rice, A557

1шт.

1

117869A1

CHAIN,Feeder

ASSY., conveyor, with 10 smooth slats, 47 in. feeder, corn and grain, A557

1шт.

1

117864A1

CHAIN,Feeder

ASSY., conveyor, with 10 serrated slats, 47 in. feeder, corn and grain, A557

1шт.

1

117871A1

CHAIN,Feeder

ASSY., conveyor, with 12 smooth slats, 54-1/2 in. feeder

1шт.

2

118268A1

SLAT

ASSY., smooth, includes channel and hardware, 47 or 54-1/2 in. feeder, corn and grain

1шт.

2

118270A1

SLAT

ASSY., serrated, includes channel with angle and hardware, 54-1/2 or 60 in. feeder, rice

1шт.

3

189709C1

BOLT,Hex, 1/2" - 13 x 3"

hex, special

2шт.

4

425-108

NUT,1/2" - 13, Gr 5

2шт.

5

80679

LOCK WASHER,1/20.507 CST ZND

2шт.

6

495-81162

WASHER,17/32" x 1 1/2" x .179"

flat, 17/32 x 1-1/2 x 11/64 in.

2шт.

8

197211C1

SPACER

stop, drum

2шт.

9

176508C1

BOLT,5/8" - 11 x 228.60mm

tightening, special

2шт.

10

425-1010

NUT,5/8"-11, G5

4шт.

11

187218C1

BOLT

hex, special, 5/8 NC x 4-1/2 in.

2шт.

12

425-1010

NUT,5/8"-11, G5

4шт.

13

495-81026

WASHER,21/32" x 1 1/2" x .060"

flat, 21/32 x 1-1/2 x 3/64 in.

1шт.

14

396-21066

WASHER,16.66mm ID x 33.33mm OD x 4.27mm Thk

1шт.

15

396-21066

WASHER,16.66mm ID x 33.33mm OD x 4.27mm Thk

2шт.

16

1330461C1

FLANGED BEARING

bearing, drum

4шт.

17

1306680C1

FLANGE NUT

hex flange, self locking, special, 3/8 in. NC

12шт.

18

557995R11

COLLAR

bearing, locking, with set screw

2шт.

20

619738R91

BALL BEARING,1.2505" ID x 62 mm OD x 1.4375"

ball, drum, conveyor

2шт.

22

1957437C1

DRUM

conveyor, without stone retarder

1шт.

23

187207C2

SHAFT,31.75mm OD x 909.3mm L

SHAFT drum, feeder

1шт.

24

1338287C3

ARM

drum, LH, replaces 1338291C2

2шт.

25

1338288C3

ARM

drum, RH, replaces 1338292C2

2шт.

26

1319875C5

ARM

drum, left hand, replaced 1319875C5

1шт.

26

1319875C5

ARM

drum, left hand, replaces 1319875C4

1шт.

27

1319876C4

ARM

drum, right hand, replaced by 1319876C5

1шт.

27

1319876C5

ARM

drum, right hand, replaces 1319876C4

1шт.

31

179665C91

BALL BEARING,38.1mm Hex x 85mm OD x 30mm W

ball, shaft

2шт.

33

178780C2

SPACER

sprocket, left hand

1шт.

34

178781C2

SPACER

sprocket, right hand

1шт.

35

1970248C1

SPROCKET ASSY.

chain, conveyor

2шт.

37

197643C1

SET SCREW

set, sprocket

4шт.

38

1320160C3

SHAFT

conveyor

1шт.

39

432-2040

COTTER PIN,5/16" x 2 1/2"

5/16" x 2 1/2"

2шт.

40

495-81083

WASHER,1 3/32" x 1 3/4" x .060"

flat, 1-25/32 x 2-1/2 x 7/64 in.

1шт.

41

495-81092

WASHER,1-7/8" ID x 2-1/2" OD x 1/16" Thk

flat, 1-25/32 x 2-1/2 x 7/64 in.

1шт.

1300464C91

PACKAGE

KIT stripper, feeder pivot, Includes: Ref. 44 thru 47

1шт.

Stripper plates in Kit have a welded wear bar

1шт.

44

185818C1

STRIPPER ASSY.

pivot, left hand

1шт.

45

185819C1

STRIPPER ASSY.

pivot, right hand

1шт.

46

477-73812

SERRATED SCREW,Truss HD, 3/8" - 16 x 3/4"

slotted truss head, special, 3/8 NC x 3/4 in.

4шт.

47

231-5146

FLANGE NUT,3/8"-16

4шт.

48

187347C1

PLATE

BAR adjusting, upper stop

2шт.

50

1345418C1

ANGLE

stop bar, upper

2шт.

51

433-1036

CARRIAGE BOLT,Sq Nk, 5/8" - 11 x 2 1/4", Gr 5

5/8 NC x 2-1/4 in.

2шт.

52

425-1010

NUT,5/8"-11, G5

2шт.

53

492-11062

BEARING WASHER,5/8"

2шт.

54

498-81008

SQ HOLE WASHER,41/64" x 1 1/4" x .060", Sq Hole

square hole, 21/32 x 1-1/4 x 1/16 in.

2шт.

55

187225C1

BAR

adjusting, upper stop, with stone retarder

2шт.

57

187217C1

SPACER,7/8" Tube x 1 13/16"

2шт.

60

1957439C3

ROLLER

conveyor, with stone retarder

1шт.

63

1989692C1

LINK,A557, 3 Links

attaching, 3 link section, includes brackets, does not include chain mounting hardware

1шт.

64

1329837C2

PIN,2.63mm OD

roller, S type, A557 chain

1шт.

65

1324835C1

OFFSET LINK

offset, includes pin, conveyor, A557 chain

1шт.

66

1324294C1

LINK,40.893mm Pitch

connecting, includes pin, conveyor, A557 chain

1шт.

68

426-616

BOLT,Hex, 3/8" - 16 x 1", Gr 8

A557 chain

1шт.

69

1306680C1

FLANGE NUT

hex flange, self locking, special, 3/8 in. NC, A557 chain

1шт.

70

326-656

BOLT,Hex, 3/8" - 16 x 3-1/2", Gr 8

2шт.

71

314148R1

SPACER,10.7mm ID x 17.14mm OD x 11.9mm L

Pivot arm

2шт.

72

231-1446

NUT,3/8" - 16, Gr 5

2шт.

112047A2

KIT

KIT filler strip, consists of 4 strips, use to service 1957439C3 conveyor drum, models with stone retarder, Includes: Ref. 73

1шт.

73

112046A2

PROTECTION STRIP

filler

4шт.

Выбрано товаров: 65