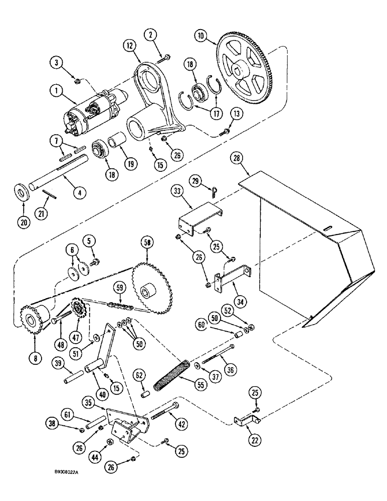
Запчасти Case IH 1666 (9A-44) - FEEDER REVERSER, WITHOUT ROCK TRAP (13) - FEEDER

Схема запчастей Case IH 1666 - (9A-44) - FEEDER REVERSER, WITHOUT ROCK TRAP (13) - FEEDER
47
51
48
58
38
21
33
2
52
35
61
40
15
17
44
36
1
12
18
25
5
8
26
42
28
59
50
34
25
37
25
18
26
29
50
3
4
6
19
55
39
20
22
62
60
26
13
10
26
15
7
FIT
1:1
100%

Артикул

Название

Примечание

Количество

1

245927C91

STARTING MOTOR

ASSY., feeder reverser, see Figure 4-46

1шт.

1

245927C93R

REMAN-STARTER

REMANUFACTURED STARTING MOTOR

1шт.

1

245927C93C

CORE-STARTER

Return Number, STARTING MOTOR

1шт.

2

413-636

BOLT,Hex, 3/8" - 16 x 2-1/4", Gr 5

3шт.

3

231-5146

FLANGE NUT,3/8"-16

3шт.

4

1321534C1

SHAFT

reverser

1шт.

5

409-7816

BOLT,Hex Flg, 1/2" - 13 x 1", Spcl

BOLT hex serrated flange, 1/2 NC x 1 in.

1шт.

6

495-91167

WASHER,13.49mm ID x 50.8mm OD x 3.4mm Thk

flat, 17/32 x 2 x 7/64 in.

2шт.

7

Q51

KEY,3/8" Sq x 2 1/2", Par

2шт.

8

1329717C1

SPROCKET

drive, 20 teeth

1шт.

10

1321537C91

FLYWHEEL

motor, reverser

1шт.

12

1321539C1

HOUSING

shaft, reverser

1шт.

13

187620C1

BOLT,Hex Serr Flg, 3/8" - 16 x 1 1/2"

BOLT hex flange, special, 3/8 NC x 1-1/2 in.

2шт.

15

219-87

LUBE NIPPLE,1/4" - 28 NPTF

2шт.

17

100-21315

SNAP RING,3.156", Int, #315

2шт.

18

597537R91

BEARING ASSY,38.1mm ID x 80mm OD x 18mm W

ball

2шт.

19

1321523C1

SPACER

bearing

1шт.

20

896-16036

WASHER,39mm ID x 78mm OD x 7mm Thk

flat, hardened, 39 x 78 x 7 mm

1шт.

21

38-33248

PIN,1/2" x 3", Coiled

1/2" x 3", Coiled

1шт.

22

1979317C1

SUPPORT ASSY.

shield

1шт.

25

154273C1

BOLT,Hex Serr, 3/8" - 16 x 1", Spcl

BOLT hex, self locking, special, 3/8 NC x 1 in.

1шт.

26

231-5146

FLANGE NUT,3/8"-16

1шт.

28

120866A1

GUARD

SHIELD feeder reverser, includes decal

1шт.

29

480523R1

HAIR PIN COTTER

3шт.

33

1329840C1

BRACKET

support, rear

1шт.

34

1329838C2

BRACKET

support, front

1шт.

35

1979299C2

SUPPORT

idler bar

1шт.

36

25253R1

BOLT,Hex, 3/8" - 16 x 7", Gr 8

hex, 3/8 NC x 7 in., grade 8

1шт.

37

495-81002

WASHER,3/8"

flat, 7/16 x 1-3/8 x 5/64 in.

1шт.

38

232-4136

LOCK NUT,3/8"-16, GC

1шт.

39

1979303C1

SPACER

TUBE

1шт.

40

1979305C1

ARM

SUPPORT idler

1шт.

42

326-888

BOLT,Hex, 1/2" - 13 x 5-1/2", Gr 8

1шт.

44

232-4118

NUT,1/2"-13, GC

1шт.

47

629972R91

DRIVE SPROCKET,15T

idler, 15 teeth

1шт.

48

413-1064

BOLT,Hex, 5/8" - 11 x 4", Gr 5

hex, 5/8 NC x 4 in.

1шт.

50

495-11066

WASHER,5/8", SAE

flat, 21/32 x 1-5/16 x 3/32 in.

4шт.

51

396-31066

WASHER,21/32" x 1 5/16" x .188", HDN

flat, 21/32 x 1-5/16 x 3/16 in.

1шт.

52

232-41110

NUT,5/8"-11, GC

1шт.

55

1330032C1

SPRING

return, idler

1шт.

58

1329720C2

SPROCKET

driven, 40 teeth

1шт.

59

1321524C94

CHAIN,60, 76 Links x 19.05mm = 1447.8mm

57 in. long, 76 links

1шт.

Part includes connecting link kit, O-rings, link plate, pin, lube pack and instructions, not shown

1шт.

60

UA17298

SPACER,7/8" Tube x 1 1/16"

7/8 x 1-1/6 in.

1шт.

61

1979304C1

SPACER

spring

1шт.

62

154397C1

SPACER,5/8" Tube x 1 1/4"

tubular, 5/8 O.D. x 1-1/4 in. long

1шт.

111714A1

LINK,Connecting

KIT connecting link, includes link, O-rings, link plate, lube pack and instructions, not shown, also includes Ref. 59 chain

1шт.

Выбрано товаров: 47