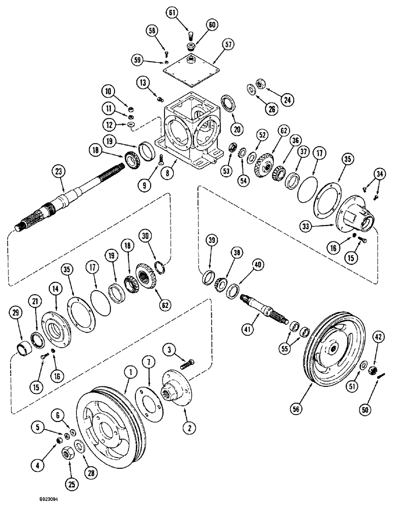
Запчасти Case IH 1666 (9F-12) - STRAW CHOPPER, GEAR HOUSING (19) - STRAW SPREADER & CHOPPER

Схема запчастей Case IH 1666 - (9F-12) - STRAW CHOPPER, GEAR HOUSING (19) - STRAW SPREADER & CHOPPER
30
58
9
19
28
23
13
61
59
50
36
37
57
53
4
15
38
55
10
41
19
25
11
62
26
34
24
7
6
20
12
1
29
17
51
39
18
2
40
35
18
21
60
5
15
16
8
33
16
3
14
52
42
35
56
17
54
62
FIT
1:1
100%

Артикул

Название

Примечание

Количество

1

181271C1

PULLEY

drive, 15 inch O.D. jackshaft

1шт.

2

181211C1

HUB

drive pulley, jackshaft

1шт.

3

566206R2

BOLT,5/8" - 18 x 2.38", Class 8

BOLT hub

3шт.

4

429-1110

NUT,5/8"-18, G8

3шт.

5

492-21062

LOCK WASHER,5/8"

3шт.

6

396-21066

WASHER,16.66mm ID x 33.33mm OD x 4.27mm Thk

3шт.

7

181363C1

SHIM

pulley

1шт.

8

181278C1

BEARING HOUSING

HOUSING jackshaft gear

1шт.

9

433-828

CARRIAGE BOLT,Sq Nk, 1/2" - 13 x 1 3/4", Gr 5

1/2 NC x 1-3/4 inch

6шт.

10

425-108

NUT,1/2" - 13, Gr 5

6шт.

11

80679

LOCK WASHER,1/20.507 CST ZND

6шт.

12

396-41053

WASHER,13.49mm ID x 31.75mm OD x 5.05mm Thk

flat, 17/32 x 1-1/4 x 3/16 inch, hardened

6шт.

13

221-841

PLUG

hex socket, 1/4 inch PT gear housing

2шт.

14

181274C1

BEARING HOUSING,79.375 mm ID x 177.8 mm OD x 38.1 mm

jackshaft bearing

1шт.

15

413-620

BOLT,Hex, 3/8" - 16 x 1-1/4", Gr 5

10шт.

16

492-11038

LOCK WASHER,3/8"

10шт.

17

238-5250

O-RING,0.139" Thk x 4.984" ID, -250, Cl 5, 75 Duro

2шт.

18

298029R91

BEARING ASSY,47.63mm ID x 22.23mm W

tapered, roller

2шт.

19

ST874A

TAPERED BEARING,90.03mm OD x 16mm W

tapered, roller

2шт.

20

181287C1

SEAL,47.65mm ID x 79.5mm OD x 9.53mm Thk

jackshaft hub, front

1шт.

21

181288C1

SEAL,60.33mm ID x 79.5mm OD x 9.53mm Thk

jackshaft hub, rear

1шт.

23

184394C1

SHAFT

three splined, separator

1шт.

24

232-41316

NUT,1"-8, GC

1шт.

25

231-41120

NUT,1 1/4"-7, GB

1шт.

26

496-21106

WASHER,1 1/16" x 2" x .209", HDN

1шт.

28

396-31131

WASHER,1 3/8" x 2 1/2" x 1/4", HDN

flat, 1-3/8 x 2-1/2 x 1/4 inch, hardened

1шт.

29

181269C1

SPACER

jackshaft, rear

1шт.

30

181255C1

SNAP RING

RING retaining, 0.102 inch

1шт.

30

181256C1

RING, SNAP

RING SNAP retaining, 0.105 inch

1шт.

30

181257C1

RING, SNAP

RING SNAP retaining, 0.108 inch

1шт.

30

181258C1

RING, SNAP

RING SNAP retaining, 0.111 inch

1шт.

30

181259C1

RING, SNAP

RING SNAP retaining, 0.114 inch

1шт.

30

181260C1

RING, SNAP

RING SNAP retaining, 0.117 inch

1шт.

30

181261C1

RING, SNAP

RING SNAP retaining, 0.120 inch

1шт.

30

181262C1

RING, SNAP

RING SNAP retaining, 0.123 inch

1шт.

30

181263C1

RING, SNAP

RING SNAP retaining, 0.126 inch

1шт.

30

181264C1

RING, SNAP

RING SNAP retaining, 0.129 inch

1шт.

30

181265C1

RING, SNAP

RING SNAP retaining, 0.132 inch

1шт.

30

181266C1

RING, SNAP

RING SNAP retaining, 0.135 inch

1шт.

33

191245C2

HUB

bell, chopper drive

1шт.

34

217-84

PLUG,Hex Hd, 1/8"-27, Brass

hex, 1/8 inch PT

2шт.

195484C2

SHIM KIT

KIT shim, rear housing, Includes: Ref. 35

2шт.

35

NSS

NOT SOLD SEPARAT

SHIM, 0.005 inch

1шт.

35

NSS

NOT SOLD SEPARAT

SHIM, 0.007 inch

1шт.

35

NSS

NOT SOLD SEPARAT

SHIM, 0.020 inch

1шт.

36

ST2071

TAPERED BEARING,34.92mm ID x 23.81mm W

tapered roller, hub inner

1шт.

37

17498D

TAPERED BEARING," ID x 76.2125 mm OD x 23.9135 mm

Tapered roller, hub, inner

1шт.

38

618023R91

BEARING ASSY,34.93mm ID x 18.2mm W

tapered roller, bearing hub, outer

1шт.

39

618024R1

BEARING CUP,65.113mm OD x 13.97mm W

CONE tapered roller, bearing hub, outer

1шт.

40

192527C1

OIL SEAL,44.45mm ID x 69.95mm OD x 7.92mm Thk

oil, chopper drive shaft

1шт.

41

181195C1

SHAFT

drive chopper

1шт.

42

425-1314

SLOTTED NUT,7/8"-14, G5

1шт.

50

432-828

COTTER PIN,1/8" x 1 3/4"

1шт.

51

496-21094

WASHER,23.82mm ID x 44.45mm OD x 4.85mm Thk

1шт.

52

396-11119

WASHER,30.18mm ID x 57.15mm OD x 3.4mm Thk

flat, 1-3/16 x 2-1/4 x 9/64 inch, hardened

1шт.

53

54-2006

BEARING LOCK NUT,Bearing, 1.1811" Bore

bearing lock, TN-06

1шт.

54

55-2006

BEARING WASHER,Type TW-106

Bearing lock

1шт.

55

181156C1

SPACER

SPACER driven pulley, inner

2шт.

56

1315264C1

PULLEY

chopper drive

1шт.

57

181281C1

COVER

gear housing

1шт.

58

413-512

BOLT,Hex, 5/16" - 18 x 3/4", Gr 5

10шт.

59

492-11031

LOCK WASHER,5/16"

10шт.

60

217-46

REDUCER,3/4" - 14 NPTF x 3/8" - 18 Fem NPTF

REDUCER, 3/4 PT x 3/8 inch female

1шт.

61

219-436

BREATHER,3/8" - 18 NPT, Short, W/ Washer

straight, 3/8 PT x 1-1/2 inch

1шт.

188814C1

BEVEL GEAR

matched set, drive end and driven chopper, Includes: Ref. 62

1шт.

62

NSS

NOT SOLD SEPARAT

GEAR, 24 teeth

1шт.

62

NSS

NOT SOLD SEPARAT

GEAR, 23 teeth

1шт.

Выбрано товаров: 67