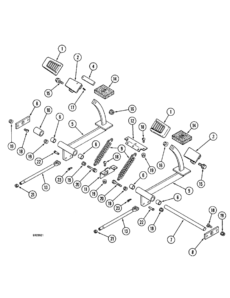
Запчасти Case IH 1666 (7-02) - MASTER BRAKE, CONTROLS (5.1) - BRAKES

Схема запчастей Case IH 1666 - (7-02) - MASTER BRAKE, CONTROLS (5.1) - BRAKES
19
19
6
18
23
16
14
15
14
8
19
9
1
11
6
19
17
22
19
18
19
23
13
6
8
1
18
21
6
20
21
3
16
5
18
22
10
13
4
15
19
7
20
12
19
2
5
FIT
1:1
100%

Артикул

Название

Примечание

Количество

1

863426R1

PAD

pedal brake

2шт.

2

1321926C1

PEDAL

brake, left hand

1шт.

3

1321927C1

PEDAL

brake, right hand

1шт.

4

614251R1

BAR

brake locking

1шт.

5

1321925C91

SUPPORT

ASSY., brake pedal, Includes: Ref. 6

2шт.

6

1280291C1

BUSHING,19.13mm ID x 22.3mm OD x 19.05mm L

support assembly pedal

2шт.

7

1280117C1

SHAFT

support pivot

1шт.

8

1281794C1

PLATE

pivot shaft support

2шт.

9

182652A1

SPRING

pedal return

2шт.

10

1280116C1

SPACER

support pivot

1шт.

11

1321383C1

ANGLE

support pivot shaft

1шт.

12

1327560C1

ANGLE

spring hook

1шт.

13

1281882C2

LINK ASSY.

brake

2шт.

14

1321935C1

SEAL

pedal

2шт.

15

1327764C1

BOLT,Hex Wshr Hd, 3/8" - 16 x 1 1/4"

BOLT, hex flange, polyseal, 3/8 NC x 1-1/4 in.

2шт.

16

1327765C1

LOCK NUT

hex flange, self locking, 3/8 in. NC

2шт.

17

19938R1

PIN,1/8" x 7/8", Coiled

1/8" x 7/8", Coiled

1шт.

18

477-73112

SERRATED SCREW,Sl Truss Hd, 5/16" - 18 x 3/4"

9шт.

19

231-5145

SERRATED NUT,Flg, USR, 5/16"-18

13шт.

20

413-532

BOLT,Hex, 5/16" - 18 x 2", Gr 5

2шт.

21

829-1310

NUT,M10, Cl 10

Hex

2шт.

22

427-6106

CLEVIS PIN,9.53mm OD x 26.92mm L

Hardened

2шт.

23

432-612

COTTER PIN,3/32" x 3/4"

2шт.

Выбрано товаров: 23