Запчасти Case IH 1666 (2-28) - THERMOSTAT HOUSING, 6T-830 ENGINE (01) - ENGINE

Схема запчастей Case IH 1666 - (2-28) - THERMOSTAT HOUSING, 6T-830 ENGINE (01) - ENGINE
11
16
5
13
4
12
8
9
2
1
5a
7
15
6
17
3
10
14
FIT
1:1
100%

Артикул

Название

Примечание

Количество

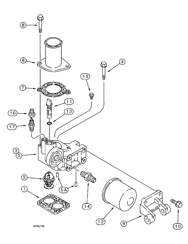
1

J914310

GASKET,0.8mm Thk

thermostat housing

1шт.

2

J907242

THERMOSTAT

engine coolant

2шт.

3

J913708

HOUSING

thermostat, no longer available, order J926509 housing below, Serial Range: -44808257

1шт.

4

845-8080

BOLT,Hvy Hex, M8 x 80mm, Cl 8.8

2шт.

J926509

HOUSING,Thermostat

thermostat, replaces J924586 housing, must be used with (1) J924589 vent tube, (2) 222-153 sleeve, and (1) 222-22 adapter, Refs. 17, 18, and 19 on Fig. 2-28, Start Serial: 44808257

1шт.

5

NSS

NOT SOLD SEPARAT

HOUSING thermostat, Includes: Ref. 5 and 5A

1шт.

5a

180811A1

ROLL PIN

roll, special

2шт.

6

J912800

CONNECTION

TUBE water outlet

1шт.

7

J918779

GASKET,1.19mm Thk

outlet tube, water

1шт.

8

845-8095

BOLT,Hvy Hex, M8 x 95mm, Cl 8.8

Heavy

2шт.

9

J918544

SUPPORT

mounting, alternator

1шт.

10

845-8025

BOLT,Hex Flg, M8 x 25mm, Cl 8.8

4шт.

11

J912837

COCK

VALVE shutoff

1шт.

12

A77544

FILTER

water conditioning, precharge

1шт.

13

238-5111

O-RING,0.103" Thk x 0.424" ID, -111, Cl 5, 75 Duro

1шт.

14

A77623

ADAPTER,3/4" - 10 x 11/16" - 16

water filter

1шт.

15

845-6010

BOLT,Hvy Hex, M6 x 10mm, Cl 8.8

1шт.

16

J911925

COUPLING

hose

1шт.

17

J911901

VALVE, CHECK

1шт.

Выбрано товаров: 0