Запчасти Case IH 1666 (2-34) - CYLINDER BLOCK, 6T-830 ENGINE, ENGINE BLOCK HEATER (01) - ENGINE

Схема запчастей Case IH 1666 - (2-34) - CYLINDER BLOCK, 6T-830 ENGINE, ENGINE BLOCK HEATER (01) - ENGINE
1
10
7
17
12
7
6
23
16
13
5
3
24
11
2
19
14
8
7
7
14
4
12
15
9
18
25
14
20
FIT
1:1
100%

Артикул

Название

Примечание

Количество

1989147C1

MOTOR

ENGINE ASSEMBLY complete, 6T-830, includes all parts except starter, alternator, fan, fan belt, air cleaner, muffler and exhaust pipe, for service order basic engine below

1шт.

1989147C1R

REMAN-REPLACEMENT EN

1шт.

6TA-830C

CORE-REPLACEMENT ENG

Return Part Number, KNOWN POTENTIAL CORE VARIATIONS, REFER TO CORE CRITERIA FOR PROPER CORE IDENTIFICATION

1шт.

199949A1R

REMAN-BASIC ENGINE

1шт.

199949A1C

CORE-BASIC ENGINE

Return Part Number

1шт.

1989167C2R

ENGINE, EXCHANGE

Engine (Exchange) Engine Assembly, Remanufactured, Component Parts Shown On This Fig. Do Not Apply To The Remanufactured Assembly, Replaces 1989167C1R

1шт.

1989167C1C

CORE-ENGINE

Return Part Number, Use This Part Number To Return Basic Engine Core For Credit When Using a Remanufactured Assembly

1шт.

AR174398

REMAN-BASIC ENGINE

Remanufactured Basic Engine Assembly, assembly includes short block assembly, cylinder head, valve cover, front cover, oil pan, water pump, thermostat and gasket kit to transfer trim parts

1шт.

AC174398

CORE-BASIC ENGINE

Return Part Number, Use This Part Number To Return Basic Engine Core For Credit When Using a Remanufactured Assembly

1шт.

1989167C3

BASIC ENGINE

ASSEMBLY includes all parts except starter, alternator, fan, fan belt, air cleaner, muffler, exhaust manifold, flywheel and housing, oil fill and dipstick, fuel injection pump, injectors and lines,front pulley, belt tensioner, turbocharger and aftercooler

1шт.

replaces 1989167C1 and 1989167C2

1шт.

JR925488

SKELETON ENGINE

Block Assembly, Short, Remanufactured, Component Parts Shown On This Fig. Do Not Apply To The Remanufactured Assembly Order J926152 Assembly For Service, Replaces JR921843

1шт.

JC925187

CORE-SHORT ENGINE

Return Part Number, Use This Part Number To Return Short Block For Credit When Using a Remanufactured Assembly, Replaces JC921843

1шт.

J926152

SKELETON ENGINE

BLOCK ASSEMBLY short, new, includes stripped block, pistons, connecting rods and bearings, crankshaft and bearings, replaces J921843 and J925488, Includes: Ref. 1 thru 8

1шт.

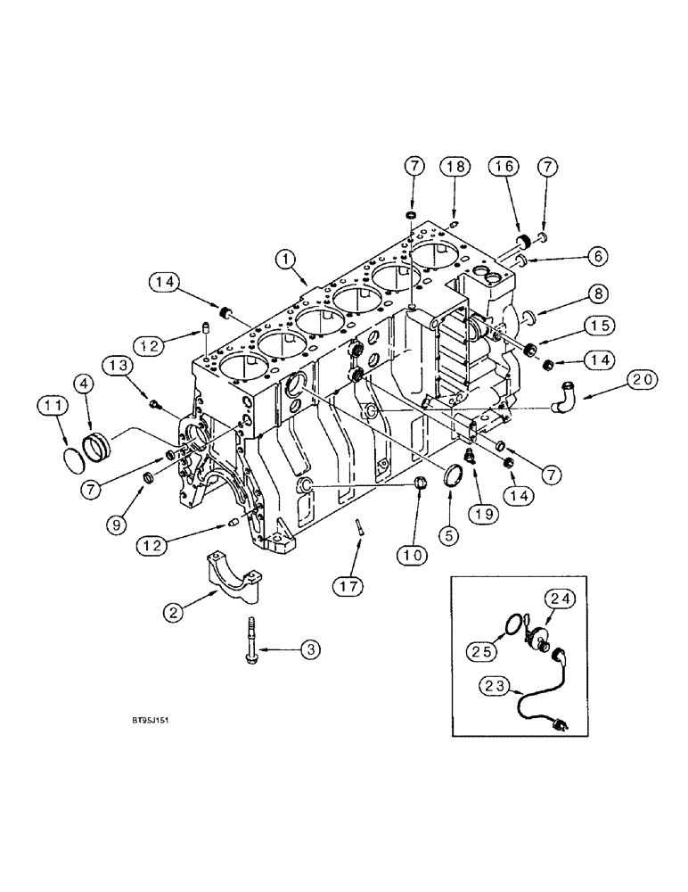
1

J926145

CRANKCASE

BLOCK ASSEMBLY stripped engine, replaces J919934 and J923289, Includes: Ref. 2 thru 8

1шт.

Order Refs. 9 - 20 on Fig. 2-36, when ordering J926145 stripped block

1шт.

2

J917313

BEARING CAP

bearing, main

7шт.

3

J916369

FLANGE BOLT,Hex, M14 x 2 x 128mm, Cl 10.9

Main bearing cap to block

14шт.

4

J901685

BUSHING

camshaft

7шт.

5

A77782

PLUG

expansion, 58 mm O.D.

1шт.

6

A77586

PLUG

expansion, 28.9 mm O.D.

1шт.

7

A77506

PLUG

PLUG - expansion, 21 mm O.D.

4шт.

8

J905401

PLUG

expansion, 35 mm O.D.

4шт.

A77716

BLOCK

KIT hardware, no longer available, order components separately, Includes: Ref. 9 thru 20

1шт.

Order Refs. 9 - 20 on Fig. 2-36, when ordering J926145 stripped block

1шт.

9

A77530

PLUG

expansion, 30 mm O.D.

2шт.

10

J920706

PLUG

expansion, 22 mm O.D., not used in this application, replaces A77439

1шт.

11

41-3044

PLUG,Exp, 2 3/4"

Replaces J901969

1шт.

12

J901846

PIN,12.01mm OD x 24mm L

dowel

4шт.

13

J906619

PLUG,1/8" - 27

hex, 1/8 inch PT

6шт.

14

A77429

PLUG

hex socket, 1/2 inch PT

5шт.

15

A77505

PLUG

hex socket, 3/4 inch PT

2шт.

16

A77533

PLUG

hex socket, 1 inch PT

1шт.

16a

J900955

PLUG

expansion, 10 mm O.D., used to plug hole for dipstick tube, if used, not shown

1шт.

17

J919003

NOZZLE INJECTION

piston cooling

12шт.

18

J900257

PIN,10.01mm OD x 16mm L

dowel, 16 mm long

2шт.

19

217-103

COCK, DRAIN

VALVE 1/4 inch PT, coolant, replaces A77425

1шт.

20

J903744

PIPE FITTING,22.42 mm ID x 28 mm OD x 90.2, 64 mm L

TUBE turbocharger oil drain, see Fig. 2-32 for connecting turbocharger parts

1шт.

A77595

KIT

engine block heater, inlcudes ref. 23, 24, and 25

1шт.

23

J905113

CABLE

engine block heater, 6 feet long

1шт.

24

NSS

NOT SOLD SEPARAT

ELEMENT heater, 120 volt, engine block

1шт.

25

J910517

O-RING

heater sealing, engine block

1шт.

Выбрано товаров: 42