Запчасти Case IH 1666 (6-16) - HYDROSTATIC PUMP (03) - POWER TRAIN

Схема запчастей Case IH 1666 - (6-16) - HYDROSTATIC PUMP (03) - POWER TRAIN
36
63
69
31
25
23
36
21
43
42
68
6
63
76
23
57
1
15
65
34
56
51
22
30
74
77
58
14
55
79
16
62
37
59
37
70
61
12
7
46
10
53
49
26
35
26
20
47
50
49
52
9
66
29
17
5
24
5
28
4
8
28
27
48
62
54
27
3
49
73
19
60
22
45
24
67
30
44
11
67
29
13
2
78
32
64
72
25
7
20
5
41
18
2
71
33
FIT
1:1
100%

Артикул

Название

Примечание

Количество

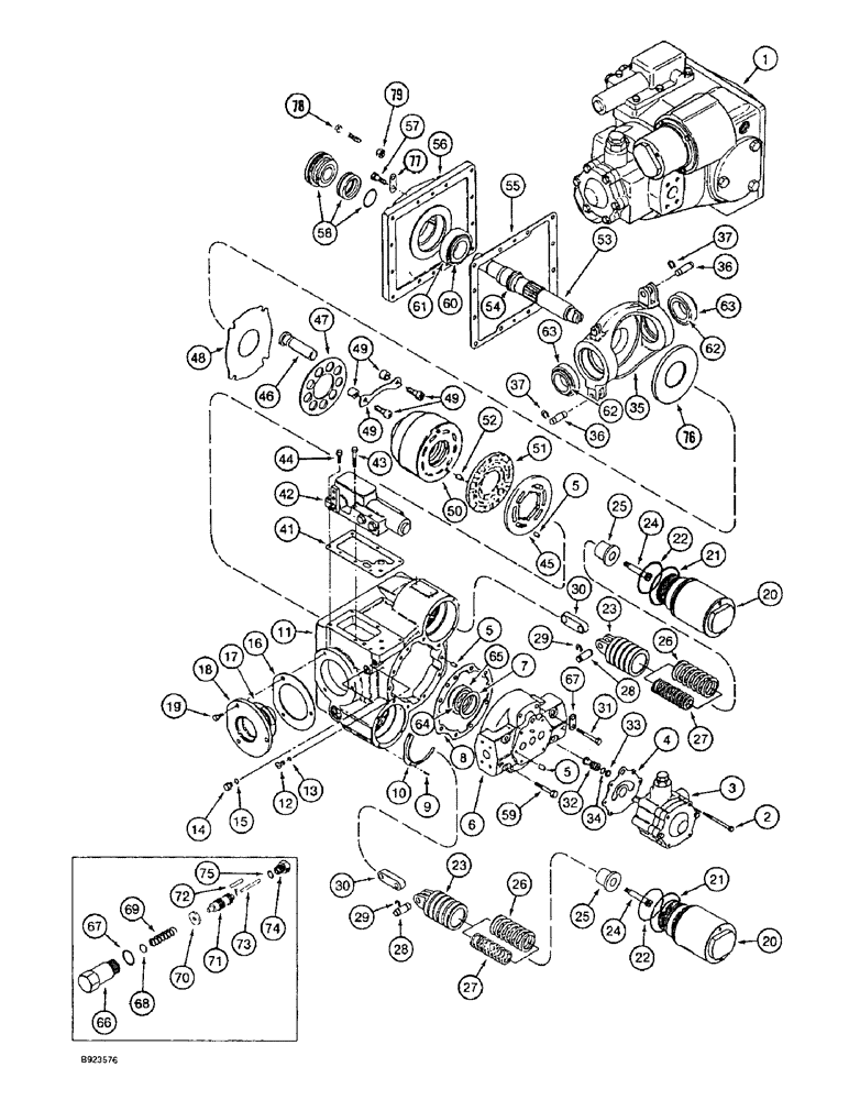
1

1343716C2

PUMP, HYDROSTATIC

HYDROSTATIC PUMP ASSEMBLY new, corn and grain, parts list figures 6-16 thru 6-24

1шт.

1

87637528R

REMAN-HYDROSTAT PUMP

Corn And Grain

1шт.

1

87637528C

CORE-HYDROSTAT PUMP

Return Number

1шт.

1

108113A1

PUMP, HYDROSTATIC

SPARE PART ASSEMBLY new, rice, parts list Figs. 6-16 thru 6-22 and 6-25A

1шт.

1

87637529R

REMAN-HYDROSTAT PUMP

Rice

1шт.

1

87637529C

CORE-HYDROSTAT PUMP

Return Number

1шт.

2

413-556

BOLT,Hex, 5/16" - 18 x 3-1/2", Gr 5

BOLT hex, 5/16 NC x 3-1/2 inch

4шт.

3

92740C1

PUMP

ASSEMBLY charge, corn and grain, parts list Fig. 6-24

1шт.

3

107593A2

PUMP

ASSEMBLY charge, rice, parts list Fig. 6-25A

1шт.

4

133760C2

GASKET

charge pump

1шт.

5

140754C1

PIN

dowel, 5/16 x 5/8 inch

5шт.

6

NSS

NOT SOLD SEPARAT

COVER end pump

1шт.

7

142398C91

SHIM KIT

KIT end cover, Includes: Ref. 7

1шт.

7

NSS

NOT SOLD SEPARAT

SHIM, 0.003 inch

1шт.

7

NSS

NOT SOLD SEPARAT

SHIM, 0.005 inch

1шт.

7

NSS

NOT SOLD SEPARAT

SHIM, 0.010 inch

1шт.

7

NSS

NOT SOLD SEPARAT

SHIM, 0.015 inch

1шт.

7

NSS

NOT SOLD SEPARAT

SHIM, 0.020 inch

1шт.

7

NSS

NOT SOLD SEPARAT

SHIM, 0.030 inch

1шт.

8

92741C2

GASKET,0.38mm Thk

end cover

1шт.

9

461-3086

HEX SOC SCREW,#8 - 32 x 3/8"

BOLT hex socket, No. 8 NC x 3/8 inch

6шт.

10

142408C1

RETAINER

servo

2шт.

11

NSS

NOT SOLD SEPARAT

HOUSING pump

1шт.

12

278548

PLUG,Hex, 7/16"-20 ORB

Incl Ref 13

1шт.

13

237-6004

O-RING,0.072" Thk x 0.351" ID, -904, Cl 6, 90 Duro

1шт.

14

9672438

PLUG,7/16" - 20 ORB

Incl. Ref. 15

1шт.

15

237-6004

O-RING,0.072" Thk x 0.351" ID, -904, Cl 6, 90 Duro

1шт.

16

142386C91

SHIM KIT

KIT trunnion bearing, Includes: Ref. 16

1шт.

16

NSS

NOT SOLD SEPARAT

SHIM, 0.002 inch

6шт.

16

NSS

NOT SOLD SEPARAT

SHIM, 0.005 inch

4шт.

16

NSS

NOT SOLD SEPARAT

SHIM, 0.010 inch

4шт.

16

NSS

NOT SOLD SEPARAT

SHIM, 0.015 inch

4шт.

16

NSS

NOT SOLD SEPARAT

SHIM, 0.025 inch

4шт.

17

238-5234

O-RING,0.139" Thk x 2.984" ID, -234, Cl 5, 75 Duro

2шт.

18

NSS

NOT SOLD SEPARAT

TRUNNION pump

2шт.

19

413-714

BOLT,Hex, 7/16" - 14 x 7/8", Gr 5

BOLT hex, 7/16 NC x 7/8 inch

6шт.

20

142407C2

KIT

SLEEVE servo

2шт.

21

238-5237

O-RING,0.139" Thk x 3.359" ID, -237, Cl 5, 75 Duro

2шт.

22

238-5234

O-RING,0.139" Thk x 2.984" ID, -234, Cl 5, 75 Duro

Servo sleeve

2шт.

23

224669C91

PISTON

servo, Includes: Ref. 24 thru 59

2шт.

24

NSS

NOT SOLD SEPARAT

SCREW hex socket

1шт.

25

NSS

NOT SOLD SEPARAT

RETAINER servo spring

1шт.

26

NSS

NOT SOLD SEPARAT

SPRING servo, heavy

1шт.

27

NSS

NOT SOLD SEPARAT

SPRING servo, light

1шт.

28

NSS

NOT SOLD SEPARAT

PIN link

1шт.

29

NSS

NOT SOLD SEPARAT

RING link retaining

2шт.

30

NSS

NOT SOLD SEPARAT

LINK servo

1шт.

31

413-748

BOLT,Hex, 7/16" - 14 x 3", Gr 5

BOLT hex, 7/16 NC x 3 inch

6шт.

32

140769C1

CHECK VALVE

ASSEMBLY, Includes: Ref. 33 and 34

2шт.

33

140770C1

RING

backup, check valve

1шт.

34

238-6113

O-RING,0.103" Thk x 0.549" ID, -113, Cl 6, 90 Duro

1шт.

35

1980171C1

HOUSING

PLATE swash

1шт.

36

140766C1

PIN,14.22mm OD x 39.12mm L

pivot, servo linkage

2шт.

37

142408C1

RETAINER

servo, linkage pin

4шт.

41

133756C1

GASKET

control valve

1шт.

42

133755C94

VALVE

ASSEMBLY control, parts list Fig. 6-22

1шт.

43

413-528

BOLT,Hex, 5/16" - 18 x 1-3/4", Gr 5

2шт.

44

413-516

BOLT,Hex, 5/16" - 18 x 1", Gr 5

4шт.

45

1346255C1

PLATE

valve, pump

1шт.

1346254C1

KIT

rotating group, cylinder, Includes: Ref. 46 thru 51

1шт.

46

NSS

NOT SOLD SEPARAT

PISTON cylinder block

9шт.

47

NSS

NOT SOLD SEPARAT

PLATE retaining

1шт.

48

NSS

NOT SOLD SEPARAT

PLATE retaining, clear

1шт.

49

NSS

NOT SOLD SEPARAT

KIT hold down, piston

1шт.

50

NSS

NOT SOLD SEPARAT

BARREL cylinder

1шт.

51

NSS

NOT SOLD SEPARAT

PLATE bearing

1шт.

52

140754C1

PIN

dowel, 5/16 x 5/8 inch

7шт.

53

1980169C1

SHAFT

input, Includes: Ref. 54

1шт.

54

NSS

NOT SOLD SEPARAT

RING snap

1шт.

55

142399C1

GASKET

mounting flange

1шт.

56

NSS

NOT SOLD SEPARAT

FLANGE mounting

1шт.

57

413-720

BOLT,Hex, 7/16" - 14 x 1-1/4", Gr 5

BOLT hex, 7/16 NC x 1-1/4 inch

12шт.

58

1346205C1

SEAL KIT

SEAL shaft, three-piece

1шт.

59

426-732

BOLT,Hex, 7/16" - 14 x 2", Gr 8

BOLT hex, 7/16 NC x 2 inch, grade 8

2шт.

60

56694H

BEARING ASSY,50.8mm ID x 30.3mm W

tapered roller, input shaft

1шт.

61

ST863

BEARING CUP,93.22mm OD x 23.81mm W

tapered roller, input shaft

1шт.

62

399933C91

ROLLER BEARING,45.24mm ID x 19.81mm W

tapered roller, 1-25/32 inch ID, trunnion

2шт.

63

399934C1

BEARING CUP,73.43mm OD x 15.75mm W

tapered roller, 2-57/64 inch O.D., trunnion

2шт.

64

400983R91

ROLLER BEARING,1.18775" ID x 2.5317" OD x 0.8478"

tapered roller, 1-3/16 inch ID, input shaft

1шт.

65

530741R1

BEARING CUP

tapered roller, 2-17/32 inch O.D., input shaft

1шт.

1986739C1

REPAIR KIT

KIT spool, internal pressure override, rice combine only, Includes: Ref. 66 thru 75

1шт.

66

NSS

NOT SOLD SEPARAT

BODY valve

1шт.

67

237-6010

O-RING,0.097" Thk x 0.755" ID, -910, Cl 6, 90 Duro

1шт.

68

NSS

NOT SOLD SEPARAT

KIT shim

1шт.

69

NSS

NOT SOLD SEPARAT

SPRING override

1шт.

70

NSS

NOT SOLD SEPARAT

SPACER spring

1шт.

71

NSS

NOT SOLD SEPARAT

SPOOL override

1шт.

72

NSS

NOT SOLD SEPARAT

ROLLER short

1шт.

73

NSS

NOT SOLD SEPARAT

ROLLER long

1шт.

74

NSS

NOT SOLD SEPARAT

PLUG valve, Includes: Ref. 75

1шт.

75

237-6006

O-RING,0.078" Thk x 0.468" ID, -906, Cl 6, 90 Duro

1шт.

76

80369C1

PLATE

thrust

1шт.

77

NSS

NOT SOLD SEPARAT

STRAP shipping, shown for reference only

2шт.

78

413-832

BOLT,Hex, 1/2" - 13 x 2", Gr 5

4шт.

79

186852C1

FLANGE NUT,Hex, 1/2"-13, Lock

hex, self-locking, special, 1/2 inch NC, grade 8

4шт.

Выбрано товаров: 95