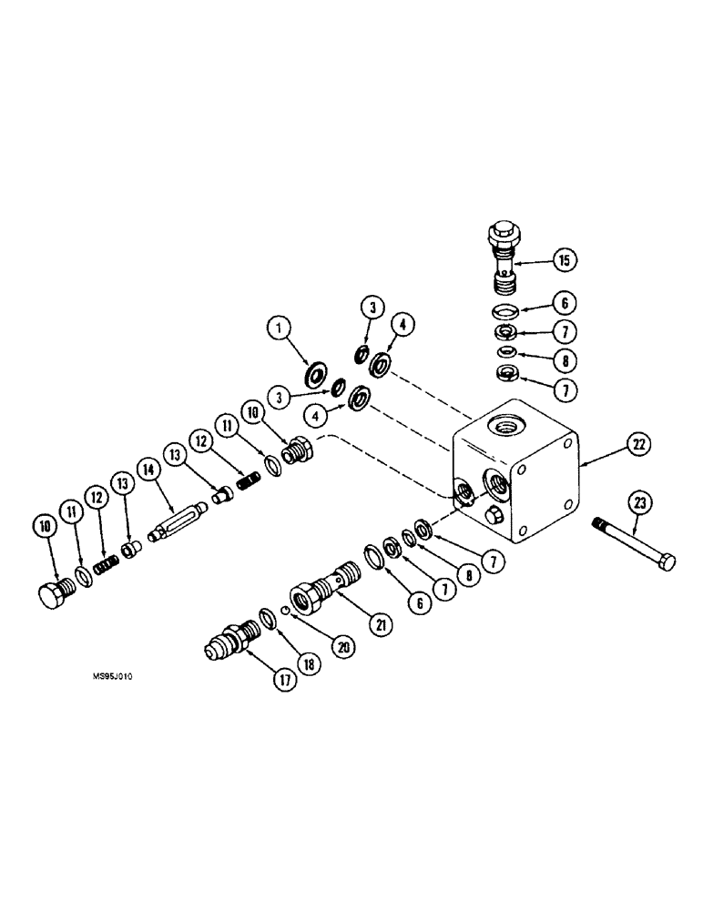
Запчасти Case IH 1666 (6-30) - HYDROSTATIC MOTOR, SINGLE SPEED, RELIEF VALVE BLOCK (03) - POWER TRAIN

Схема запчастей Case IH 1666 - (6-30) - HYDROSTATIC MOTOR, SINGLE SPEED, RELIEF VALVE BLOCK (03) - POWER TRAIN
10
1
8
14
6
23
4
22
4
20
15
7
7
10
18
12
17
11
3
13
21
6
11
7
3
13
7
8
12
FIT
1:1
100%

Артикул

Название

Примечание

Количество

1971432C2

VALVE

BLOCK ASSEMBLY relief, Includes: Ref. 1 thru 22

1шт.

140747C92

SEAL KIT

KIT valve block seal, Includes: Ref. 1, 3, and 4

1шт.

1

NSS

NOT SOLD SEPARAT

RING square, 3/4 x 7/8 x 1/16 inch

1шт.

3

NSS

NOT SOLD SEPARAT

O-RING 3/4 x 7/8 x 3/32 inch

2шт.

4

NSS

NOT SOLD SEPARAT

RING backup

2шт.

393885R91

GASKET KIT

relief valve seal, Includes: Ref. 6, 7, and 8

3шт.

6

237-6014

O-RING,0.116" Thk x 1.048" ID, -914, Cl 6, 90 Duro

1шт.

7

393887R1

BACK-UP RING

2шт.

8

238-6117

O-RING,0.103" Thk x 0.799" ID, -117, Cl 6, 90 Duro

1шт.

145559C91

KIT

shuttle valve, Includes: Ref. 10 thru 14

1шт.

10

NSS

NOT SOLD SEPARAT

PLUG valve

2шт.

11

237-6010

O-RING,0.097" Thk x 0.755" ID, -910, Cl 6, 90 Duro

2шт.

12

145560C1

SPRING

shuttle valve

2шт.

13

NSS

NOT SOLD SEPARAT

VALVE shuttle

2шт.

14

NSS

NOT SOLD SEPARAT

SPOOL shuttle

1шт.

15

140761C1

VALVE PRESSURE RELIE

Assy, low

1шт.

1971415C2

VALVE

ASSEMBLY feathering relief, replaces 1971415C1, Includes: Ref. 17 thru 21

2шт.

17

NSS

NOT SOLD SEPARAT

CONNECTOR special

1шт.

18

NSS

NOT SOLD SEPARAT

O-RING, 1/4 inch O.D. tube

1шт.

20

NSS

NOT SOLD SEPARAT

BALL steel, 1/4 inch

1шт.

21

NSS

NOT SOLD SEPARAT

CARTRIDGE valve

1шт.

22

NSS

NOT SOLD SEPARAT

BLOCK valve

1шт.

23

413-664

BOLT,Hex, 3/8" - 16 x 4", Gr 5

hex, 3/8 NC x 4 inch

4шт.

Выбрано товаров: 0