Запчасти Case IH 1666 (6-37A) - HYDROSTATIC MOTOR ASSEMBLY, RELIEF VALVE BLOCK, TWO SPEED (03) - POWER TRAIN

Схема запчастей Case IH 1666 - (6-37A) - HYDROSTATIC MOTOR ASSEMBLY, RELIEF VALVE BLOCK, TWO SPEED (03) - POWER TRAIN
7
3
10
10
1
12
7
20
7
6
22
8
4
13
6
13
23
17
14
8
11
11
18
7
12
15
3
21
FIT
1:1
100%

Артикул

Название

Примечание

Количество

1971432C2

VALVE

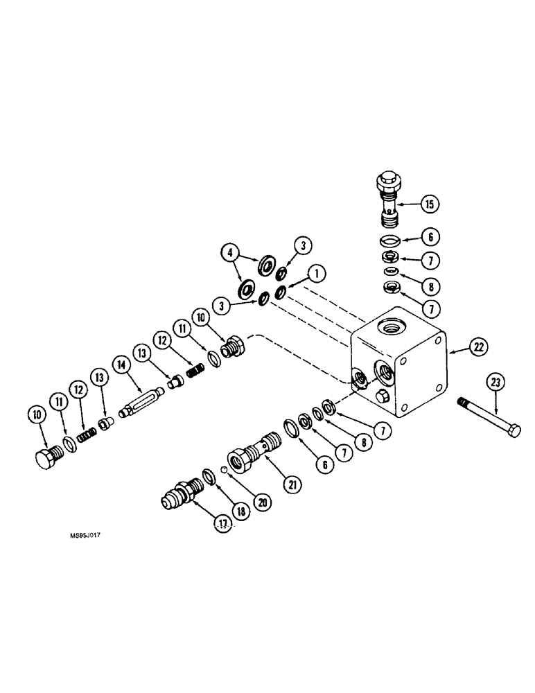
BLOCK ASSEMBLY relief valve, Includes: Ref. 1 thru 23

1шт.

140747C92

SEAL KIT

KIT valve block seal, Includes: Ref. 1, 3, and 4

1шт.

1

NSS

NOT SOLD SEPARAT

RING square, 7/8 x 1/16 inch

1шт.

3

NSS

NOT SOLD SEPARAT

O-RING 7/8 ID x 3/32 inch

2шт.

4

NSS

NOT SOLD SEPARAT

RING backup

2шт.

393885R91

GASKET KIT

relief valve seal, Includes: Ref. 6, 7, and 8

3шт.

6

237-6014

O-RING,0.116" Thk x 1.048" ID, -914, Cl 6, 90 Duro

1шт.

7

393887R1

BACK-UP RING

2шт.

8

238-6117

O-RING,0.103" Thk x 0.799" ID, -117, Cl 6, 90 Duro

1шт.

145559C91

KIT

shuttle valve, Includes: Ref. 10 thru 14

1шт.

10

NSS

NOT SOLD SEPARAT

PLUG port, order 145559C91 kit

2шт.

11

237-6010

O-RING,0.097" Thk x 0.755" ID, -910, Cl 6, 90 Duro

2шт.

12

145560C1

SPRING

shuttle valve

2шт.

13

NSS

NOT SOLD SEPARAT

VALVE shuttle, order 145559C91 kit

2шт.

14

NSS

NOT SOLD SEPARAT

SPOOL shuttle, order 145559C91 kit

1шт.

15

140761C1

VALVE PRESSURE RELIE

Assy, low

1шт.

1971415C1

VALVE

ASSEMBLY feathering relief, Includes: Ref. 17 thru 21

2шт.

17

NSS

NOT SOLD SEPARAT

CONNECTOR special

1шт.

18

NSS

NOT SOLD SEPARAT

O-RING 1/4 inch O.D. tube

1шт.

19

NSS

NOT SOLD SEPARAT

BUSHING ball guide

1шт.

20

NSS

NOT SOLD SEPARAT

BALL steel, 1/4 inch

1шт.

21

NSS

NOT SOLD SEPARAT

CARTRIDGE valve

1шт.

22

NSS

NOT SOLD SEPARAT

BLOCK valve, order 1971432C2

1шт.

23

413-664

BOLT,Hex, 3/8" - 16 x 4", Gr 5

hex, 3/8 NC x 4 inch

4шт.

Выбрано товаров: 24