Запчасти Case IH 1666 (6-42) - TRANSMISSION, DIFFERENTIAL PINION SHAFT AND GEARS (03) - POWER TRAIN

Схема запчастей Case IH 1666 - (6-42) - TRANSMISSION, DIFFERENTIAL PINION SHAFT AND GEARS (03) - POWER TRAIN
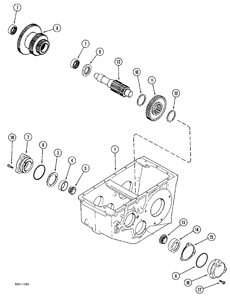
8
3
4
2
6
14
16
7
1
11
10
10
7
18
5
9
6
17
13
15
12
FIT
1:1
100%

Артикул

Название

Примечание

Количество

1

401873R2

HOUSING

transmission

1шт.

2

188893C1

BEARING COVER,59.75 mm ID x 101.51 mm OD x 47.5 mm

HOUSING bearing, left hand

1шт.

3

530704R2

THRUST WASHER,74.42mm ID x 99.06mm OD x 1.65mm Thk

thrust

1шт.

4

131312C1

BEARING CUP

tapered roller, left hand pinion shaft, 2-27/32 in. O.D.

1шт.

5

871244R1

ROLLER BEARING

tapered roller, left hand pinion shaft

1шт.

6

238-5240

O-RING,0.139" Thk x 3.734" ID, -240, Cl 5, 75 Duro

2шт.

7

A61415

NEEDLE BEARING,Needle, 53.96mm ID x 63.51mm OD x 25.4mm W

needle, spool gear

2шт.

8

530699R1

PINION

GEAR, spool, 59, 39 and 27 teeth

1шт.

9

401879R1

SPACER,54.1mm ID x 79.2mm OD x 6.28mm L

spool gear

1шт.

10

196693H1

RING

snap, change gear

2шт.

12

401878R1

SHAFT

SHAFT, 14 teeth

1шт.

11

1349043C1

GEAR

driven, 34 teeth, corn and grain combine

1шт.

11

1349045C1

PINION

GEAR driven, 38 teeth, rice combine

1шт.

13

ST791

TAPERED BEARING,1.6255" ID x 3.376" OD x 1.202"

tapered roller, right hand pinion shaft

1шт.

14

ST951

TAPERED BEARING,1.6255" ID x 3.376" OD x 1.202"

tapered roller, right hand pinion shaft

1шт.

15

401883R1

SHIM

0.003 in. thick

1шт.

15

401884R1

SHIM

0.005 in. thick

1шт.

15

401885R1

SHIM

0.007 in. thick

1шт.

15

184195C1

SHIM

0.030 in. thick

1шт.

16

403363R1

BEARING CAP,73.4 mm ID x 101.5 mm OD x 54.1 mm

CAGE bearing, right hand

1шт.

17

413-622

BOLT,Hex, 3/8" - 16 x 1-3/8", Gr 5

BOLT hex, 3/8 NC x 1-3/8 in.

3шт.

18

413-620

BOLT,Hex, 3/8" - 16 x 1-1/4", Gr 5

3шт.

Выбрано товаров: 22