Запчасти Case IH 1680 (6-78) - FINAL DRIVE, PRIOR TO P.I.N. JJC0028001 (03) - POWER TRAIN

Схема запчастей Case IH 1680 - (6-78) - FINAL DRIVE, PRIOR TO P.I.N. JJC0028001 (03) - POWER TRAIN
33
36
16
37
40
38
31
30
3
47
25
32
4
2
6
46
7
26
35
22
24
23
17
49
12
21
11
27
8
1
18
39
15
29
44
41
34
45
28
42
3
43
36
FIT
1:1
100%

Артикул

Название

Примечание

Количество

92770C91

DRIVE ASSY.

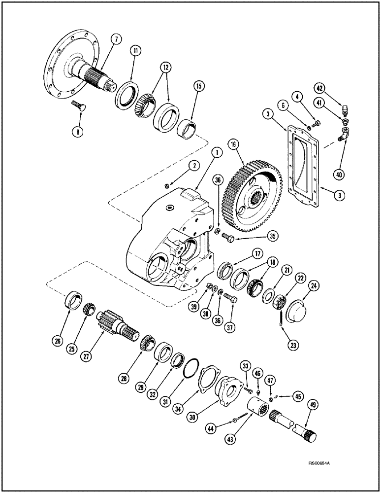
DRIVE ASSEMBLY - final, no longer available, for service order 92770C92 drive assembly shown on Figure 6-80, Includes: Ref. 1 - 49

2шт.

1

401901R3

HOUSING

- final drive

1шт.

2

221-887

PLUG

- square socket, 3/4 inch PT

2шт.

3

403894R2

COVER ASSY

COVER - housing

2шт.

The housing cover does not have a gasket. Use RTV silicon compound.

1шт.

4

409-7612

BOLT,3/8"-16 x 1.09" OAL

- hex serrated flange, 3/8 NC x 3/4 inch

18шт.

6

492-11038

LOCK WASHER,3/8"

18шт.

7

1315484C91

SHAFT

ASSEMBLY - drive, Includes: Ref. 8

1шт.

8

565130R3

BOLT,3/4" - 16 x 2 5/8", Class 8

- wheel

10шт.

11

401905R91

OIL SEAL,98.93mm ID x 152.58mm OD x 15.88mm Thk

- oil

1шт.

12

283445C91

BEARING ASSY,85.03mm ID x 150.09mm OD x 44.4.5mm W

ASSEMBLY - two piece, includes cone and cup

1шт.

15

130809C1

SPACER

- gear

1шт.

16

130885C1

GEAR

- drive, 66 teeth

1шт.

17

130808C1

SPACER

- gear

1шт.

18

66116R91

BEARING ASSY,66.67mm ID x 112.71mm OD x 30.16mm W

ASSEMBLY - two piece, includes cone and cup

1шт.

21

403896R1

WASHER

WASHER - special

1шт.

22

147030R1

SLOTTED NUT

- hex, slotted, special

1шт.

23

432-840

COTTER PIN,1/8" x 2 1/2"

1/8" x 2 1/2"

1шт.

24

403895R1

COVER

CAP - main shaft

1шт.

25

401911R91

BEARING ASSY,44.45mm ID x 31.75mm W

CONE - tapered roller bearing, 1-3/4 inch ID

1шт.

26

61012R1

BEARING, CUP,93.66mm OD x 25.4mm W

CUP - tapered roller bearing, 3-11/16 inch O.D.

1шт.

27

130884C1

SHAFT

- pinion

1шт.

28

196454C91

BEARING ASSY,57.15mm ID x 30.96mm W

CONE - tapered roller bearing, 2-1/4 inch ID

1шт.

29

360325R1

BEARING, CUP,104.775 mm OD x 23.812 mm

CUP - tapered roller bearing, 4-1/8 inch ID

1шт.

30

130886C1

CAGE

- inner bearing

1шт.

31

238-5244

O-RING,0.139" Thk x 4.234" ID, -244, Cl 5, 75 Duro

1шт.

32

401914R91

OIL SEAL,54.28mm ID x 85.22mm OD x 11.13mm Thk

- oil, double lip

1шт.

33

113-172

BOLT,Hex, 5/16" - 18 x 1", Gr 8

3шт.

34

401915R1

SHIM

- pinion inner bearing, .003 inch

1шт.

34

401916R1

SHIM

- pinion inner bearing, .005 inch

1шт.

34

401917R1

SHIM

- pinion inner bearing, .007 inch

1шт.

34

184033C1

SHIM

- pinion inner bearing, .03 inch

1шт.

35

426-1232

BOLT,Hex, 3/4" - 10 x 2", Gr 8

10шт.

36

492-11075

LOCK WASHER,3/4"

3/4"

14шт.

37

426-1236

BOLT,Hex, 3/4" - 10 x 2-1/4", Gr 8

- hex, 3/4 NC x 2-1/4 inch, grade 8

4шт.

38

496-21081

WASHER,13/16" x 1 1/2" x .179", HDN

4шт.

39

163909C1

BUSHING,19.15mm ID x 28.57mm OD x 12.7mm L

- tapered

4шт.

40

141621

ELBOW,90 Degree, 3/4" NPT Street

- 90 degree, 3/4 male x 3/4 PT female

1шт.

41

221-90

REDUCER,3/4" NPT x 1/8" NPT

- pipe, 3/4 male x 1/8 inch female

2шт.

42

219-434

BREATHER,1/8" - 27 NPT, Short, W/ Washer

VALVE - vent, includes felt washer, 1/8 PT x 1 inch

2шт.

43

184341C2

SPLINED COUPLING

COUPLING ASSEMBLY - axle drive shaft, Includes: Ref. 44 - 46

2шт.

44

113-2293

BOLT,Hex, 3/8" - 16 x 3-1/2", Gr 8

2шт.

45

21864R1

COTTER PIN

- retaining, S-type

2шт.

46

219-14

LUBE NIPPLE,1/4" NPTF

FITTING - grease, straight, 1/4 drive type x 9/16 inch

2шт.

47

654049R1

LOCK NUT

- hex, self locking, 3/8 inch NC

2шт.

49

184189C1

SHAFT

- final drive

2шт.

Выбрано товаров: 46