Запчасти Case IH 1680 (6-84) - TRACK (03) - POWER TRAIN

Схема запчастей Case IH 1680 - (6-84) - TRACK (03) - POWER TRAIN
19
2
1
4
3
29
8
22
14
18
9
6
11
12
20
21
17
28
15
27
10
27
7
5
2
26
28
17
25
FIT
1:1
100%

Артикул

Название

Примечание

Количество

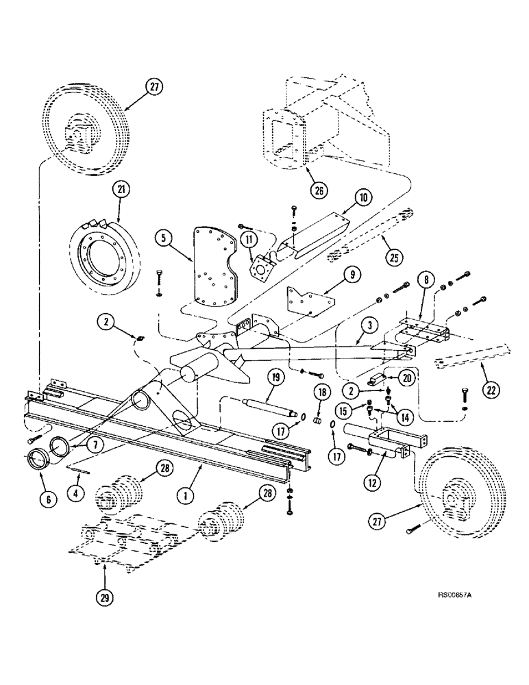
1

186836C1

FRAME

- track, 6 roller

2шт.

2

219-1

LUBE NIPPLE,1/8" - 27 NPTF

FITTING - grease, straight, 1/8 PT x 21/32 inch

4шт.

3

188487C1

FRAME

PIVOT - track frame, left-hand

1шт.

3

188488C1

FRAME

PIVOT - track frame, right-hand

1шт.

4

23854R1

LOCK PIN,1/2" x 5", Slotted

Pin, 1/2" x 5", Slotted

2шт.

5

186832C1

PLATE

- outer pivot support

10шт.

6

167791C1

SPACER

COLLAR - pivot retainer

2шт.

7

168385C2

WASHER,102.6mm ID x 127mm OD x 3.3mm Thk

- flat, special

4шт.

8

188498C1

BRACKET

SUPPORT - pivot rear anchor, left-hand

1шт.

Field Installation

1шт.

8

188499C1

BRACKET

SUPPORT - pivot rear anchor, right-hand

1шт.

Field Installation

1шт.

8

188496C1

SUPPORT

- Pivot Rear Anchor, LH

1шт.

Factory Installation

1шт.

8

188497C1

SUPPORT

- Pivot Rear Anchor, RH

1шт.

Factory Installation

1шт.

9

186006C1

SUPPORT

- inner pivot, high clearance

2шт.

9

1302371C1

PLATE

SUPPORT - inner pivot, low clearance, left-hand

1шт.

9

1302372C1

PLATE

SUPPORT - inner pivot, low clearance, right-hand

1шт.

10

1338130C1

SHIELD

- axle shaft

2шт.

11

186016C2

SUPPORT

BRACKET - support

1шт.

11

186017C2

SUPPORT

BRACKET - support

1шт.

12

621428C1

CLEVIS

FORK - rear idler roller adjustment

2шт.

14

D35287

CHECK VALVE,5/8" - 18

- check

4шт.

15

50410DA

PLUG

- hex socket, 1/8 inch PT

2шт.

17

622826C91

SEAL

KIT - adjuster seal and scrapper

2шт.

18

622046C1

PISTON

- hydraulic track adjuster

2шт.

19

196030C1

ROD

- track adjuster control

2шт.

20

621430C1

GUARD

SHIELD - track adjuster check

2шт.

21

162343C1

DRIVE SPROCKET

SPROCKET - track drive, 23 teeth

2шт.

22

REF

INSTRUCTION

BAR - separator frame, See Figure 9A-13

2шт.

25

REF

INSTRUCTION

SHAFT - axle, See Figure 6-73

2шт.

26

REF

INSTRUCTION

AXLE - drive, See Figure 6-72 for correct assembly

1шт.

27

621414C93

FRONT IDLER

ROLLER ASSEMBLY - idler, parts list Figure 6-90

4шт.

28

621462C94

ROLLER

ASSEMBLY - track, parts list Figure 6-92

10шт.

29

186835C91

CHAIN (CE)

CHAIN ASSEMBLY - track, 41 links, parts list Figure 6-88

2шт.

Выбрано товаров: 36