Запчасти Case IH 1680 (6-86) - TRACK (CONTD) (03) - POWER TRAIN

Схема запчастей Case IH 1680 - (6-86) - TRACK (CONTD) (03) - POWER TRAIN
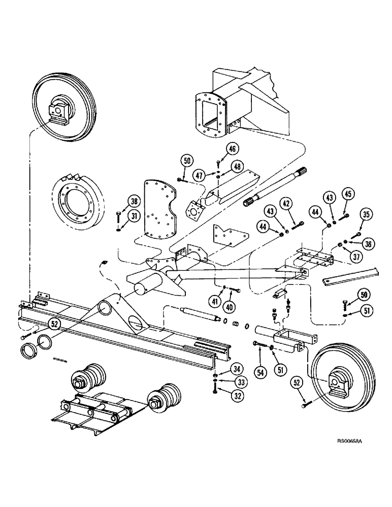
35
51
52
47
37
51
54
46
50
48
43
52
38
43
44
41
34
44
45
42
50
32
36
31
40
33
FIT
1:1
100%

Артикул

Название

Примечание

Количество

31

396-31081

WASHER,20.63mm ID x 38.1mm OD x 5.56mm Thk

14шт.

32

413-624

BOLT,Hex, 3/8" - 16 x 1-1/2", Gr 5

4шт.

33

492-11038

LOCK WASHER,3/8"

4шт.

34

425-106

NUT,3/8"-16, Cl 5

4шт.

35

60365H

BOLT,Hex, 3/8" - 16 x 1", Gr 8

- hex, 3/8 NC x 1 inch grade 8

4шт.

36

492-11038

LOCK WASHER,3/8"

4шт.

37

429-106

NUT,3/8"-16, G8

- hex, 3/8 inch NC, grade 8

4шт.

38

426-1244

BOLT,Hex, 3/4" - 10 x 2-3/4", Gr 8

- hex, 3/4 NC x 2-3/4 inch, grade 8

4шт.

38

23853R1

BOLT,Hex, 3/4" - 10 x 3", Gr 8

4шт.

40

426-820

BOLT,Hex, 1/2" - 13 x 1-1/4", Gr 8

- hex, 1/2 NC x 1-1/4 inch, grade 8

6шт.

41

496-21053

WASHER,17/32" x 1 1/16" x .134"

- flat, 17/32 x 1-1/16 x 1/8 inch, hardened

6шт.

42

426-1028

BOLT,Hex, 5/8" - 11 x 1-3/4", Gr 8

- hex, 5/8 NC x 1-3/4 inch, grade 8

22шт.

43

396-41066

WASHER,16.66mm ID x 38.1mm OD x 5.05mm Thk

- flat, 21/32 x 1-1/2 x 3/16 inch, hardened

26шт.

44

186851C1

FLANGE NUT

- hex flange, self-locking, 5/8 inch NC, grade 8

24шт.

44

186852C1

FLANGE NUT,Hex, 1/2"-13, Lock

- hex flange, self-locking, special, 1/2 inch NC, grade 8

6шт.

45

326-1018

BOLT,Hex, 5/8" - 11 x 1-1/8", Gr 8

2шт.

46

413-612

BOLT,Hex, 3/8" - 16 x 3/4", Gr 5

4шт.

47

495-11041

WASHER,0.406" ID x 0.812" OD x 0.065" W

(Flat, 13/32 x 13/16 x 1/16") 3/8", SAE

4шт.

48

231-5146

FLANGE NUT,3/8"-16

4шт.

413-520

BOLT,Hex, 5/16" - 18 x 1-1/4", Gr 5

- hex, 5/16 NC x 1-1/4 inch

6шт.

50

326-816

BOLT,Hex, 1/2" - 13 x 1", Gr 8

4шт.

51

413-612

BOLT,Hex, 3/8" - 16 x 3/4", Gr 5

12шт.

52

326-1020

BOLT,Hex, 5/8" - 11 x 1-1/4", Gr 8

16шт.

54

326-828

BOLT,Hex, 1/2" - 13 x 1-3/4", Gr 8

20шт.

Выбрано товаров: 24