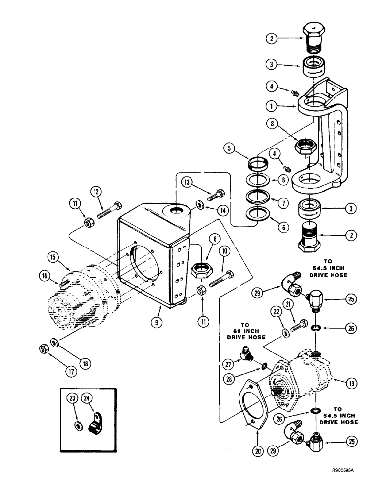
Запчасти Case IH 1680 (5-38) - WHEEL DRIVE SUPPORTS, POWER GUIDE AXLE, PRIOR TO P.I.N. JJC0044001 (04) - STEERING

Схема запчастей Case IH 1680 - (5-38) - WHEEL DRIVE SUPPORTS, POWER GUIDE AXLE, PRIOR TO P.I.N. JJC0044001 (04) - STEERING
9
26
17
8
8
272
11
4
13
29
14
6
1
10
4
11
5
26
18
15
3
22
19
2
23
12
2
16
6
25
28
29
3
7
25
24
20
FIT
1:1
100%

Артикул

Название

Примечание

Количество

1

1314471C1

SUPPORT

- frame

2шт.

2

1324468C1

BOLT,1 5/8" - 12 x 2.74"

- pivot pin

4шт.

3

613524C91

SPHERICAL BEARING,44.44mm ID x 71.44mm OD x 38.89mm W

- self-aligning

4шт.

4

219-87

LUBE NIPPLE,1/4" - 28 NPTF

NIPPLE, LUBE, 1/4"-28 x .56" lg, Self-Tap

4шт.

5

1310560C1

THRUST WASHER

- thrust washer spacer

2шт.

6

890477C1

WASHER

WASHER - thrust

4шт.

7

1310562C1

THRUST WASHER

- thrust, nylatron

2шт.

8

218-1257

BHD LOCK NUT,Blkhd, 1 5/8"-12

NUT - hex, lock, bulkhead, 1-5/8 inch NF

4шт.

9

1314472C1

SUPPORT

- frame

2шт.

10

426-1040

BOLT,Hex, 5/8" - 11 x 2-1/2", Gr 8

- hex, 5/8 NC x 2-1/2 inch, grade 8

2шт.

11

329-1410

JAM NUT,Jam, 5/8"-11, G8

4шт.

12

326-1032

BOLT,Hex, 5/8" - 11 x 2", Gr 8

2шт.

13

426-1024

BOLT,Hex, 5/8" - 11 x 1-1/2", Gr 8

- hex, 5/8 NC x 1-1/2 inch, grade 8

12шт.

14

1324470C1

WASHER

- flat, special, 41/64 x 1 x 3/64 inch

12шт.

15

1324465C91

HOUSING

ASSEMBLY - planetary gear, parts list Figure 5-52, Includes: Ref. 16

2шт.

16

1310563C1

STUD,5/8" - 18 x 2.15"

- headed

18шт.

17

429-1110

NUT,5/8"-18, G8

18шт.

18

396-41066

WASHER,16.66mm ID x 38.1mm OD x 5.05mm Thk

- flat, 21/32 x 1-1/2 x 3/16 inch, hardened

18шт.

19

1310556C91

MOTOR, ELECTRIC

MOTOR ASSEMBLY - wheel, fixed axial piston, repair kit Figure 5-54

2шт.

20

1310555C1

GASKET

- motor

2шт.

21

326-824

BOLT,Hex, 1/2" - 13 x 1-1/2", Gr 8

4шт.

22

495-11053

WASHER,1/2", SAE

(17/32" x 1-1/16" x 3/32") 1/2", SAE

4шт.

23

28588R1

WASHER

- flat, 11/32 x 11/16 x 3/64 inch

1шт.

24

28135R1

CLAMP

- P-type

1шт.

25

1324476C3

ELBOW

- 90 degree, 1-1/16-12 inch thread

4шт.

26

237-6012

O-RING,0.116" Thk x 0.924" ID, -912, Cl 6, 90 Duro

12-1, 90 Duro, .924 ID x .116" Thk

4шт.

27

218-5128

ELBOW,90° Elbow, 9/16" - 18 Male JIC x 3/4" - 16 Male ORB

- 90 degree, 9/16-18 flare x 3/4-16 inch adj O-ring boss

2шт.

28

237-6008

O-RING,0.087" Thk x 0.644" ID, -908, Cl 6, 90 Duro

8-1, 90 Duro, .644" ID x .087" Thk

2шт.

29

218-5231

ELBOW,90 Degree, 1 1/16"-12, 37 Degree x 1 1/16"-12, 37 Degree Fem Sw

- 90 degree, 1-1/16-12 inch flare x swivel

4шт.

Выбрано товаров: 29