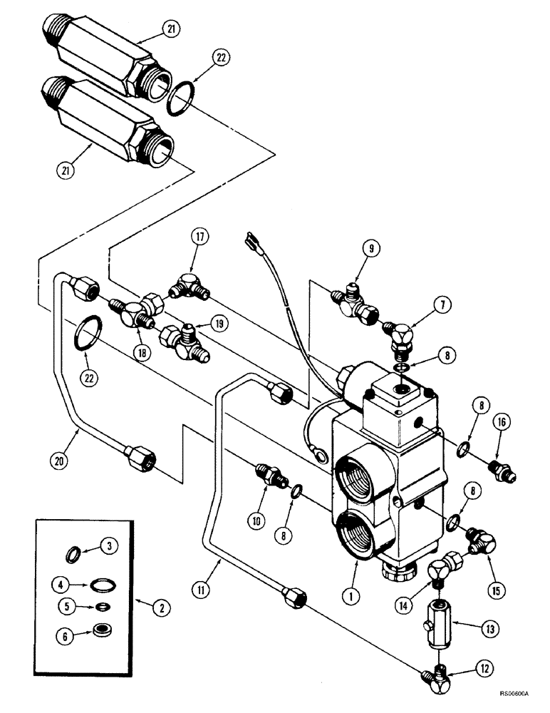
Запчасти Case IH 1680 (5-48) - SELECTOR VALVE, POWER GUIDE AXLE, PRIOR TO P.I.N. JJC0044001 (04) - STEERING

Схема запчастей Case IH 1680 - (5-48) - SELECTOR VALVE, POWER GUIDE AXLE, PRIOR TO P.I.N. JJC0044001 (04) - STEERING
17
8
15
8
10
8
12
21
22
9
5
19
2
6
22
8
14
4
7
1
20
18
11
13
21
3
16
FIT
1:1
100%

Артикул

Название

Примечание

Количество

1315489C91

VALVE

ASSEMBLY - selector, Includes: Ref. 1 - 22

1шт.

1

1324482C91

VALVE

BODY - selector

1шт.

2

1324483C1

SEAL KIT

- seal, valve, Includes: Ref. 3 - 6

1шт.

3

NSS

NOT SOLD SEPARAT

SEAL - valve

1шт.

4

NSS

NOT SOLD SEPARAT

O-RING - sealing

1шт.

5

NSS

NOT SOLD SEPARAT

O-RING - sealing

1шт.

6

NSS

NOT SOLD SEPARAT

SEAL - valve

1шт.

7

218-5103

90 ELBOW,90 Degree Elbow, 7/16" - 20 Male JIC x 7/16" - 20 Male ORB

- 90 degree, 7/16-20 inch flare x adj O-ring boss

1шт.

8

237-6004

O-RING,0.072" Thk x 0.351" ID, -904, Cl 6, 90 Duro

4-1, 90 Duro, .351" ID x .072" Thk

4шт.

9

218-5478

TEE,7/16" - 20 JIC x 7/16" - 20 JIC x 7/16" - 20 JIC

- 7/16-20 inch flare branch x flare x swivel

1шт.

10

218-5352

HYD CONNECTOR,9/16"-18, 37 Degree x 7/16"-20, O-Ring

ADAPTER - straight, 9/16-18 flare x 7/16-20 inch O-ring boss

1шт.

11

1324484C1

TUBE

- charge pressure

1шт.

12

218-481

ELBOW,90 Degree Elbow, 7/16" - 20 Male JIC x 1/8" - 27 Male NPTF

- 90 degree, 7/16-20 flare x 1/8 inch PT

1шт.

13

1324485C1

VALVE

- check

1шт.

14

1324486C1

ELBOW

- 90 degree, 9/16-18 x 1/4 PT

1шт.

15

1324487C1

ELBOW

- 90 degree, 9/16-18 x 7/16-20 inch

1шт.

16

218-5053

HYD CONNECTOR,7/16" - 20 JIC x 7/16" - 20 ORB

ADAPTER - straight, 7/16-20 flare x O-ring boss

1шт.

17

218-492

90 ELBOW,90 Degree Elbow, 9/16" - 18 Male JIC x 1/8" - 27 Male NPTF

- 90 degree, 9/16-18 flare x 1/8 inch PT

1шт.

18

218-836

TEE,37 Degree, 9/16"-18 x 9/16"-18, Fem Sw Br

- 9/16-18 inch swivel x flare x flare

1шт.

19

218-5222

TEE,37 Degree, 9/16"-18, x 9/16"-18, Fem Sw Run

- swivel, 9/16-18 inch flare branch x flare x swivel

1шт.

20

1324488C1

TUBE

- housing drain

1шт.

21

1310542C1

VALVE

- flow limiter

2шт.

22

237-6012

O-RING,0.116" Thk x 0.924" ID, -912, Cl 6, 90 Duro

12-1, 90 Duro, .924 ID x .116" Thk

2шт.

Выбрано товаров: 23