Запчасти Case IH 1680 (5-56) - AXLE HYDRAULIC MOTOR SYSTEM, POWER GUIDE AXLE, P.I.N. JJC0044001 AND AFTER (04) - STEERING

Схема запчастей Case IH 1680 - (5-56) - AXLE HYDRAULIC MOTOR SYSTEM, POWER GUIDE AXLE, P.I.N. JJC0044001 AND AFTER (04) - STEERING
3
1
7
14
23
10
2
3
18
7
9
6
4
1
23
22
12
14
7
19
24
11
6
25
21
20
FIT
1:1
100%

Артикул

Название

Примечание

Количество

1

REF

INSTRUCTION

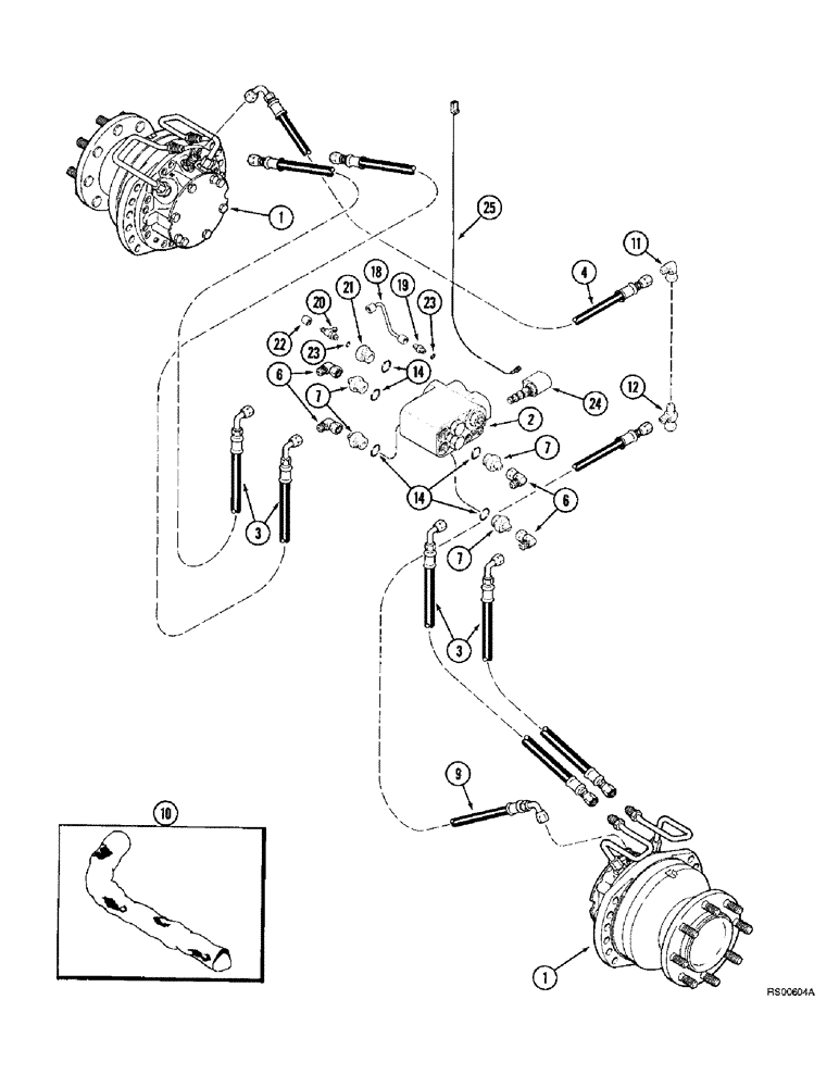
MOTOR ASSEMBLY - drive, wheel, parts list Figure 5-74

2шт.

2

1978000C1

VALVE

ASSEMBLY - selector, parts list Figure 5-72

1шт.

3

1968995C1

FLEXIBLE HOSE,12.7mm ID x 1752.6mm L, SAE 100R10

HOSE - 1753 mm (69 inch) long, pressure, motor drain

4шт.

4

1968996C1

FLEXIBLE HOSE

HOSE - 2007 mm (79 inch) long, pressure, motor drain

1шт.

6

218-5173

ELBOW,45 Degree Elbow, 3/4" - 16 Male JIC x 3/4" - 16 Female JIC

- 45 degree, 3/4-16 inch flare x swivel

4шт.

7

218-5070

HYD CONNECTOR,3/4" - 16 Male JIC x 1-1/16" - 12 Male ORB

ADAPTER - straight, 3/4-16 flare x 1-1/16-12 inch O-ring boss

4шт.

9

1970135C1

HOSE

- 1854 mm (73 inch) long, drain, motor

1шт.

10

1970108C1

PROTECTIVE COVER

SLEEVE - nylon, 60 (2-3/8) ID x 1219 mm (48 inch) long

2шт.

11

218-5230

ELBOW,90 Degree, 3/4"-16, 37 Degree x 3/4"-16, 37 Degree Fem Sw

- 90 degree, 3/4-16 inch flare x swivel

1шт.

12

218-845

TEE,37 Degree, 3/4"-16 x 3/4"-16, Fem Sw Run

- 3/4-16 inch flare branch x flare x swivel

1шт.

14

237-6012

O-RING,0.116" Thk x 0.924" ID, -912, Cl 6, 90 Duro

12-1, 90 Duro, .924 ID x .116" Thk

5шт.

18

1970140C1

TUBE,4.78 mm ID

- pressure, charge

1шт.

19

218-5053

HYD CONNECTOR,7/16" - 20 JIC x 7/16" - 20 ORB

ADAPTER - straight, 7/16-20 flare x O-ring boss

1шт.

20

218-5289

TEE,7/16" - 20 Male JIC x 7/16" - 20 Male JIC x 7/16" - 20 Male ORB

- 7/16-20 inch flare branch x flare x adj O-ring boss

1шт.

21

1970176C1

PLUG

- hex, special

1шт.

22

218-752

CAP,37 Degree, 7/16"-20

- hex, 7/16-20 inch

1шт.

23

237-6004

O-RING,0.072" Thk x 0.351" ID, -904, Cl 6, 90 Duro

4-1, 90 Duro, .351" ID x .072" Thk

2шт.

24

REF

INSTRUCTION

SOLENOID ASSEMBLY - spool, charge pressure, See Figure 5-73

1шт.

25

1964572C2

WIRE HARNESS

CABLE - power, solenoid

1шт.

Выбрано товаров: 19