Запчасти Case IH 1680 (5-74) - WHEEL DRIVE MOTOR, POWER GUIDE AXLE, P.I.N. JJC0044001 AND AFTER (04) - STEERING

Схема запчастей Case IH 1680 - (5-74) - WHEEL DRIVE MOTOR, POWER GUIDE AXLE, P.I.N. JJC0044001 AND AFTER (04) - STEERING
41
49
47
2
45
25
13
49
27
21
46
34
48
35
50
1
44
20
12
43
40
17
8
42
26
6
32
29
5
19
36
39
48
28
11
FIT
1:1
100%

Артикул

Название

Примечание

Количество

1970137C2

MOTOR, HYDRAULIC

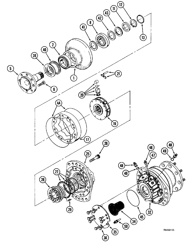
MOTOR ASSEMBLY - drive, wheel, no longer available, for service order 121436A1 motor assembly, Includes: Ref. 1 - 45

1шт.

121436A1

MOTOR, HYDRAULIC

MOTOR ASSEMBLY - drive, wheel, Includes: Ref. 1 - 45

1шт.

1970137C2 and 121436A1 motors are identical except for the ports in the housing (item 32). 1970137C2 uses metric threads. 121436A1 uses English threads. 121436A1 motor includes adapters Refs. 46 through 50 as shown. Adapters for 1970137C2 (items 46 through 49) are shown on Figure 5-65.

1шт.

87300716R

REMAN-HYDROSTAT MOTO

1680 - CASE IH AXIAL-FLOW COMBINE (PRIOR TO S/N JJC0045689 - 1/86-12/92, Reman For New P/N's 121436A1, 1970137C2 & 87300716

1шт.

87300716C

CORE-HYDROSTAT MOTOR

Return Number

1шт.

1

NSS

NOT SOLD SEPARAT

HOUSING - support, bearing

1шт.

2

NSS

NOT SOLD SEPARAT

BEARING - outer, housing

1шт.

5

NSS

NOT SOLD SEPARAT

SHAFT - hub, wheel

1шт.

6

1970151C1

STUD

- mounting

8шт.

8

NSS

NOT SOLD SEPARAT

BEARING - inner, housing

1шт.

11

NSS

NOT SOLD SEPARAT

SPACER - retainer, ring

1шт.

12

NSS

NOT SOLD SEPARAT

RING - snap

1шт.

13

NSS

NOT SOLD SEPARAT

RETAINER - snap ring

1шт.

17

NSS

NOT SOLD SEPARAT

RING - cam

1шт.

19

NSS

NOT SOLD SEPARAT

BLOCK ASSEMBLY - cylinder

1шт.

20

NSS

NOT SOLD SEPARAT

PISTON KIT - block

10шт.

21

NSS

NOT SOLD SEPARAT

RETAINER KIT - piston

1шт.

25

NSS

NOT SOLD SEPARAT

COVER - distribution

1шт.

26

NSS

NOT SOLD SEPARAT

BOLT - retainer, cover

16шт.

27

1978004C1

SEAL KIT

KIT - seal, block

1шт.

28

NSS

NOT SOLD SEPARAT

BLOCK - valve

1шт.

29

NSS

NOT SOLD SEPARAT

SPRING - pressure, valve block

8шт.

32

NSS

NOT SOLD SEPARAT

HOUSING - motor, wheel

1шт.

34

1970394C2

DIAPHRAGM

ACCUMULATOR - housing

1шт.

35

1978005C1

COVER

PLATE - cover, cover

1шт.

36

NSS

NOT SOLD SEPARAT

BOLT - retainer, cover plate

8шт.

1978008C1

SEAL KIT

KIT - seal, wheel motor, Includes: Ref. 39 - 44

1шт.

39

NSS

NOT SOLD SEPARAT

DEFLECTOR - shaft

1шт.

40

NSS

NOT SOLD SEPARAT

SEAL - grease

1шт.

41

NSS

NOT SOLD SEPARAT

SEAL - inner shaft

1шт.

42

NSS

NOT SOLD SEPARAT

WASHER - shim, support

1шт.

43

NSS

NOT SOLD SEPARAT

SHIM KIT - bearing

1шт.

44

NSS

NOT SOLD SEPARAT

O-RING - cam

2шт.

45

238-5162

O-RING,0.103" Thk x 5.737" ID, -162, Cl 5, 75 Duro

1шт.

46

218-5059

HYD CONNECTOR,3/4"-16, 37 Degree x 3/4"-16, O-Ring

ADAPTER - straight, 3/4-16 inch flare x O-ring boss, Incl. Ref 47

1шт.

47

237-6008

O-RING,0.087" Thk x 0.644" ID, -908, Cl 6, 90 Duro

8-1, 90 Duro, .644" ID x .087" Thk

1шт.

48

218-5064

HYD CONNECTOR,1-1/16" - 12 Male JIC x 1-1/16" - 12 Male ORB

ADAPTER - straight, 1-1/16-12 inch flare x O-ring boss, Incl. Ref. 49

2шт.

49

237-6012

O-RING,0.116" Thk x 0.924" ID, -912, Cl 6, 90 Duro

12-1, 90 Duro, .924 ID x .116" Thk

1шт.

50

1346974C1

FITTING

ADAPTER - flush port, metric thread

1шт.

50

121434A1

ADAPTER

- flush port, English thread

1шт.

Выбрано товаров: 0