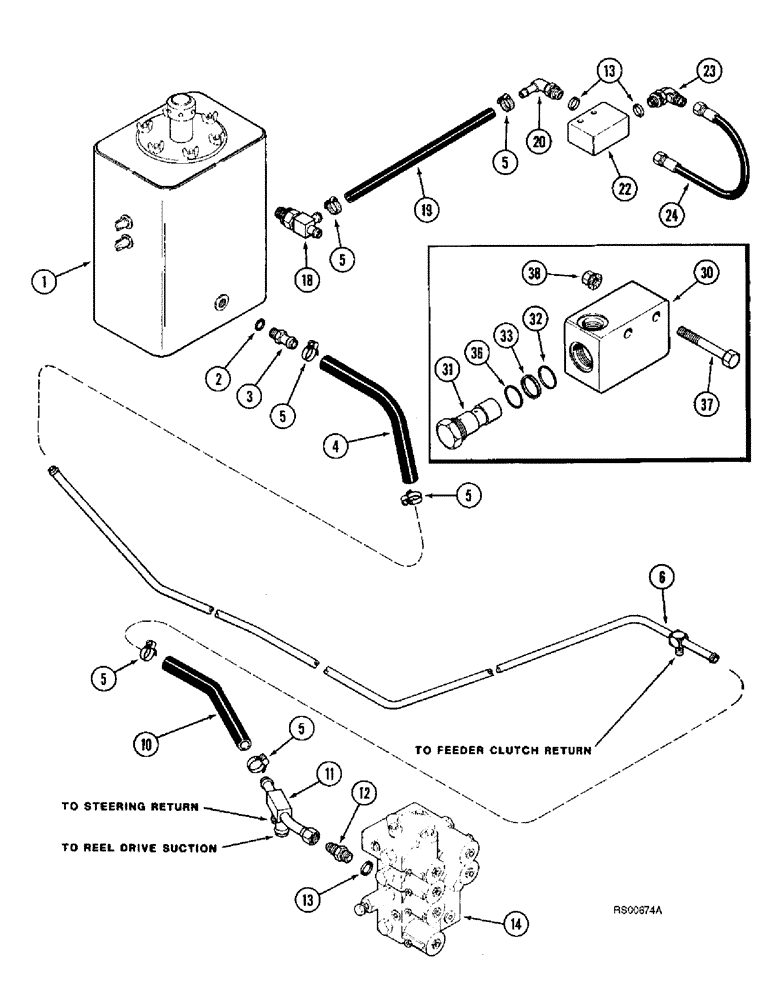
Запчасти Case IH 1680 (8-14) - HEADER LIFT RETURN SYSTEM (07) - HYDRAULICS

Схема запчастей Case IH 1680 - (8-14) - HEADER LIFT RETURN SYSTEM (07) - HYDRAULICS
18
13
22
4
31
5
2
24
14
32
3
5
5
6
30
5
10
1
37
11
19
23
5
12
38
20
36
33
5
13
FIT
1:1
100%

Артикул

Название

Примечание

Количество

1

1301237C92

RESERVOIR

ASSEMBLY - hydraulic oil, parts list Figure 8-02

1шт.

2

237-6012

O-RING,0.116" Thk x 0.924" ID, -912, Cl 6, 90 Duro

12-1, 90 Duro, .924 ID x .116" Thk

1шт.

3

470420R11

FITTING

CONNECTOR - hydraulic, 1-1/16 thread x 3/4 inch barb end, prior to P.I.N. JJC0038001

1шт.

4

NSS

NOT SOLD SEPARAT

HOSE - 457 mm (18 inch) long, cut from 364360C1 bulk hose, see below

1шт.

5

214-1412

HOSE CLAMP,#12, 0.69" - 1.25", Type F Worm

CLAMP, HOSE, #12, 0.69/1.25 Type F Worm

1шт.

6

1324887C2

HYD TUBE

TUBE - header lift return, replaces 187809C2 and 187820C1 tube

1шт.

10

NSS

NOT SOLD SEPARAT

HOSE - 229 mm (9 inch) long, cut from 364360C1 bulk hose, see below

1шт.

11

1310757C1

TUBE

- manifold

1шт.

11

1310756C1

HYD TUBE,0.75, 0.5" OD, 198, 33 mm Length

TUBE - manifold

1шт.

12

218-5065

HYD CONNECTOR,1-1/16" - 12 Male JIC x 7/8" - 14 Male ORB

ADAPTER - straight, 1-1/16-12 flare x 7/8-14 inch O-ring boss, Includes: Ref. 13

1шт.

13

237-6010

O-RING,0.097" Thk x 0.755" ID, -910, Cl 6, 90 Duro

10-1, 90 Duro, .755" ID x .097" Thk

1шт.

14

REF

INSTRUCTION

VALVE ASSEMBLY - control, See Figure 8-28

1шт.

18

172059C1

TEE

- adjustable, P.I.N. JJC0038001 and after

1шт.

19

1957369C1

HYDRAULIC HOSE,15.90 mm ID x 419.00 mm, SAE 30R2 Type 1

Return, Relief Valve P.I.N. JJC0038001 and after 15.90 mm ID x 419.00 mm, SAE 30R2 Type 1

1шт.

20

1321659C1

ELBOW,90 Degree, 7/8"-14 O-Ring x 5/8" Barb end

- 90 degree adjustable, P.I.N. JJC0038001 and after

1шт.

22

REF

INSTRUCTION

VALVE ASSEMBLY - relief, P.I.N. JJC0038001 and after

1шт.

23

218-5107

90 ELBOW,90 Degree Elbow, 7/8" - 14 Male JIC x 7/8" - 14 Male ORB

- 90 degree, 7/8-14 inch flare x adj O-ring boss, P.I.N. JJC0038001 and after

1шт.

24

H169052

HYDRAULIC HOSE,12.7mm ID x 508mm L, SAE 100R1

Pressure, Relief valve, P.I.N. JJC0038001 and After, Replaces 1957328C1 12.70 mm ID x 508.00 mm, SAE 100R1

1шт.

1971746C1

VALVE

ASSEMBLY - relief, replaces 549528R93 valve assembly, Includes: Ref. 30 - 36

1шт.

30

403187R1

BLOCK

BODY - valve, relief valve PIN. JJC0038001 and after

1шт.

31

396729R93

VALVE

- relief, relief valve PIN JJC0038001 and after

1шт.

32

238-6119

O-RING,0.103" Thk x 0.924" ID, -119, Cl 6, 90 Duro

Relief valve PIN JJC0038001 and after -119, 90 Duro, .924" ID x .103" Thk

1шт.

33

378985R2

BACK-UP RING

RING - backup, relief valve PIN JJC0038001 and after

1шт.

36

238-5118

O-RING,0.103" Thk x 0.862" ID, -118, Cl 5, 75 Duro

Relief valve PIN JJC0038001 and after -118, 70 Duro, .862" ID x .103" Thk

1шт.

37

413-644

BOLT,Hex, 3/8" - 16 x 2-3/4", Gr 5

- hex, 3/8 NC x 2-3/4 inch, Relief valve PIN JJC0038001 and after

2шт.

38

231-5146

FLANGE NUT,3/8"-16

Relief valve PIN JJC0039001 and after Flg, USR, 3/8"-16

2шт.

364360C1

HOSE

- bulk, 19 (3/4) ID x 15240 mm (600 inch) long, relief valve PIN JJC0038001 and after

1шт.

Выбрано товаров: 27