Запчасти Case IH 1680 (8-56) - REEL DRIVE VALVE, VALVE MOUNTING (07) - HYDRAULICS

Схема запчастей Case IH 1680 - (8-56) - REEL DRIVE VALVE, VALVE MOUNTING (07) - HYDRAULICS
11
23
33
24
19
32
16
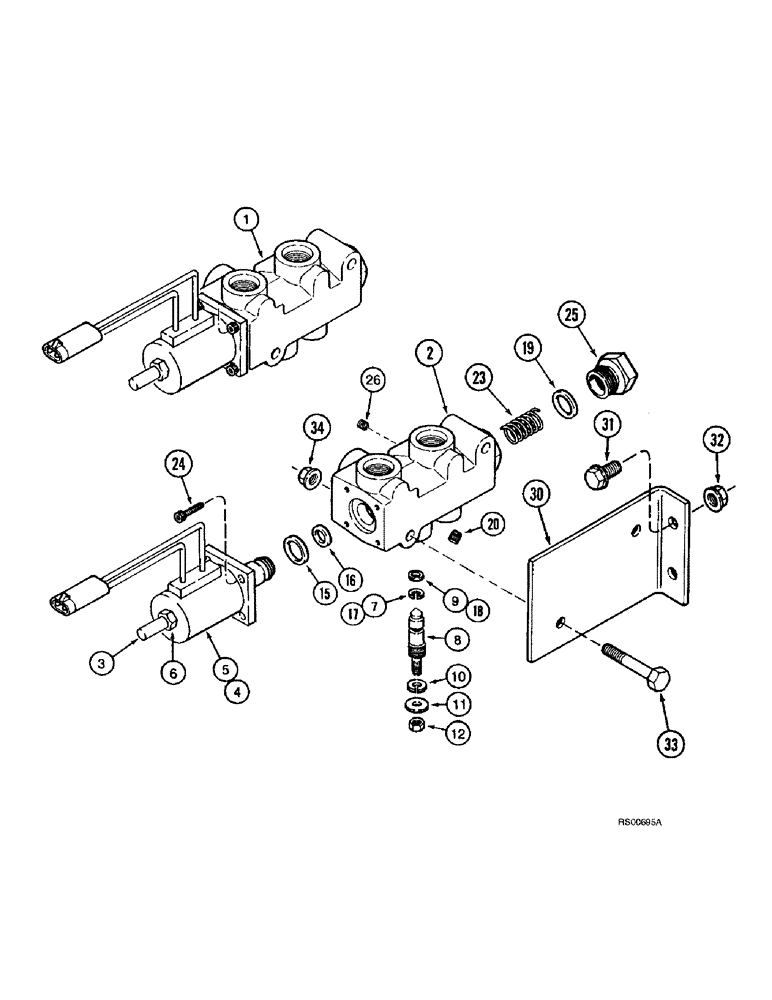
1
17
6
9
18
5
34
26
30
8
3
7
10
20
15
25
4
2
31
12
FIT
1:1
100%

Артикул

Название

Примечание

Количество

1

1272619C93

VALVE

ASSEMBLY - hydraulic, Includes: Ref. 2 - 26

1шт.

2

NSS

NOT SOLD SEPARAT

BODY - valve

1шт.

3

92669C2

SOLENOID SWITCH

SOLENOID - valve

1шт.

4

114555A1

SOLENOID

COIL - solenoid

1шт.

5

1301632C1

CAP

COVER - coil

1шт.

6

107825

NUT,Stamped, 1/2"-20

- hex, 1/2 inch NF

1шт.

92670C1

KIT

- service, manual override, Includes: Ref. 7 - 12

1шт.

7

G108725

BACK-UP RING

RING - backup

1шт.

8

NSS

NOT SOLD SEPARAT

PINTLE - manual override

1шт.

9

238-6010

O-RING,0.07" Thk x 0.239" ID, -10, Cl 6, 90 Duro

1шт.

10

L31750

CIRCLIP,0.562", Int, #56

Ring, Snap, 0.562", Int, #56

1шт.

11

107969A1

WASHER

- flat, special

1шт.

12

425-154

JAM NUT,Jam, 1/4"-28, G5

- hex, jam, 1/4 inch NF

1шт.

92671C1

KIT

- service, valve, small parts, Includes: Ref. 15 - 25

1шт.

15

237-6010

O-RING,0.097" Thk x 0.755" ID, -910, Cl 6, 90 Duro

10-1, 90 Duro, .755" ID x .097" Thk

1шт.

17

G108725

BACK-UP RING

RING - backup

1шт.

18

238-6010

O-RING,0.07" Thk x 0.239" ID, -10, Cl 6, 90 Duro

1шт.

19

237-6012

O-RING,0.116" Thk x 0.924" ID, -912, Cl 6, 90 Duro

12-1, 90 Duro, .924 ID x .116" Thk

1шт.

20

115466A1

PORT

ORIFICE - 0.025 inch

2шт.

23

115467A1

SPRING

- spool

1шт.

24

62-3108

HEX SOC SCREW,#10 - 32 x 1/2"

BOLT - hex socket, No. 10 NF x 1/2 inch

4шт.

25

115468A1

CAP

PLUG - hex, special

1шт.

26

115465A1

PORT

ORIFICE - 0.031 inch

2шт.

30

1322417C2

SUPPORT

- valve mounting

1шт.

31

409-7612

BOLT,3/8"-16 x 1.09" OAL

- hex serrated flange, 3/8 NC x 3/4 inch, Valve mounting

2шт.

32

231-5146

FLANGE NUT,3/8"-16

Valve mounting Flg, USR, 3/8"-16

2шт.

33

413-536

BOLT,Hex, 5/16" - 18 x 2-1/4", Gr 5

- hex, 5/16 NC x 2-1/4 inch, Valve mounting

2шт.

34

231-5145

SERRATED NUT,Flg, USR, 5/16"-18

NUT - hex serrated flange, 5/16 inch NC, valve mounting

2шт.

16

237-6006

O-RING,0.078" Thk x 0.468" ID, -906, Cl 6, 90 Duro

6-1, 90 Duro, .468" ID x .078" Thk

1шт.

Выбрано товаров: 29