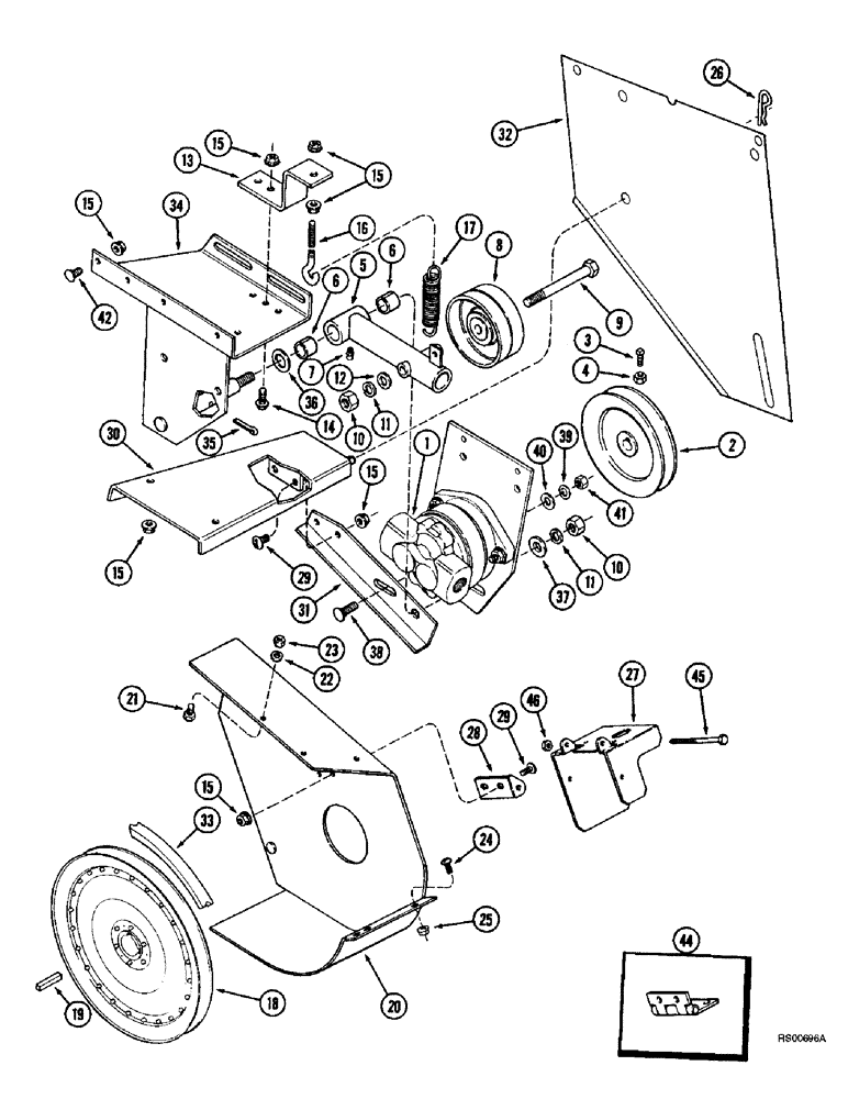
Запчасти Case IH 1680 (8-58) - REEL PUMP DRIVE (07) - HYDRAULICS

Схема запчастей Case IH 1680 - (8-58) - REEL PUMP DRIVE (07) - HYDRAULICS
29
29
15
44
19
14
9
5
26
10
24
32
42
18
15
35
46
6
22
23
8
6
17
25
12
1
2
41
27
33
10
15
3
11
16
40
15
30
37
20
39
31
15
7
34
13
36
21
45
15
38
4
28
11
FIT
1:1
100%

Артикул

Название

Примечание

Количество

1

1272640C91

HYDRAULIC PUMP,46.7 CC

PUMP ASSEMBLY - reel drive, parts list Figure 8-54

1шт.

2

193252C1

PULLEY

ASSY, pump driven, 7.5" O.D., 7/8" I.D.

1шт.

3

485-13816

SET SCREW,Sq Hd, 3/8"-16 x 1"

SCREW - set, square head, 3/8 NC x 1 inch, cup point

2шт.

4

425-106

NUT,3/8"-16, Cl 5

2шт.

5

195528C92

ARM

ASSEMBLY - pump tightener, Includes: Ref. 6

1шт.

6

583346R1

BUSHING,25.45mm ID x 28.55mm OD x 25.4mm L

- tightener arm

2шт.

7

219-87

LUBE NIPPLE,1/4" - 28 NPTF

NIPPLE, LUBE, 1/4"-28 x .56" lg, Self-Tap

1шт.

8

674966R91

PULLEY,203.2mm Idler Dia x 222.25mm OD x 36.51mm W

- belt idler, 8-3/4 inch OD

1шт.

9

413-1080

BOLT,Hex, 5/8" - 11 x 5", Gr 5

1шт.

10

425-1010

NUT,5/8"-11, G5

2шт.

11

492-11062

BEARING WASHER,5/8"

WASHER, LOCK, 5/8"

2шт.

12

495-81175

WASHER,21/32" x 1" x .120"

- flat, 21/32 x 1 x 7/64 inch

1шт.

13

1321687C1

BRACKET

SUPPORT - spring adjusting bolt

1шт.

15

231-5146

FLANGE NUT,3/8"-16

14шт.

16

1315487C1

BOLT,3/8" - 16 x 205mm

EYEBOLT - spring tightener

1шт.

17

521816R1

SPRING

- tightener

1шт.

18

1330403C1

PULLEY

- feeder jackshaft pump drive, replaces 1321647C1 pulley

1шт.

18

1321647C1

PULLEY

1шт.

P/N 1330403C1 is 344.18 mm OD, 38.23/38.13 mm shaft diameter and width of belt groove is 16.510 mm (.650"). P/N 1321647C1 is the same except the width of the belt groove is 22.733 mm (.895").

1шт.

19

Q1497

KEY,Gib, 3/8" Sq x 2"

- square gib, 3/8 x 2 inch

1шт.

20

1321798C1

GUARD

SHIELD - reel drive pulley, no longer available, for service replace with items 20A, 27, 28, 45, and 46

1шт.

20a

1345354C1

GUARD ASSY.

SUPPORT - reel drive pulley, not shown

1шт.

21

413-512

BOLT,Hex, 5/16" - 18 x 3/4", Gr 5

- hex, 5/16 NC x 3/4 inch

2шт.

22

492-11031

LOCK WASHER,5/16"

WASHER, LOCK, 5/16"

2шт.

23

425-105

NUT,5/16"-18, G5

- hex, 5/16 inch NC

2шт.

24

477-73112

SERRATED SCREW,Sl Truss Hd, 5/16" - 18 x 3/4"

- serrated slotted truss head, 5/16 NC x 3/4"

6шт.

25

231-5145

SERRATED NUT,Flg, USR, 5/16"-18

NUT - hex serrated flange, 5/16 inch NC

4шт.

26

480523R1

HAIR PIN COTTER

5шт.

27

1345359C1

GUARD

SUPPORT - feeder jackshaft, left-hand

1шт.

28

1345199C1

SUPPORT

HINGE - shield

1шт.

29

477-73812

SERRATED SCREW,Truss HD, 3/8" - 16 x 3/4"

BOLT - serrated slotted truss head, 3/8 NC x 3/4 inch

6шт.

30

1321648C1

SUPPORT

- shield lower rear

1шт.

31

1321651C1

SUPPORT

- pivot lower

1шт.

32

1321799C1

SUPPORT

- reel pump drive (60 inch feeder)

1шт.

32

1322444C1

SUPPORT

- reel pump drive (54-1/2 inch feeder)

1шт.

33

1315226C1

V-BELT,2216.69 mm L

Reel Drive 2216.69 mm L

1шт.

33

1321565C1

V-BELT,1988.69 mm L

Reel Drive 1988.69 mm L

1шт.

34

1315494C1

SUPPORT

- reel pump pivot

1шт.

35

432-1624

COTTER PIN,1/4" x 1 1/2"

Pin, Split (Cotter), 1/4" x 1-1/2"

1шт.

36

495-81069

WASHER,1-1/32" ID x 1-1/2" OD x 3/50" Thk

- flat, 1-1/32 x 1-1/2 x 1/16 inch

1шт.

37

496-21066

WASHER,16.6mm ID x 33.5mm OD x 3.8mm Thk

- flat, 21/32 x 1-5/16 x 5/32 inch, hardened

1шт.

38

434-820

CARRIAGE BOLT,Sht Sq Nk, 1/2" - 13 x 1 1/4", Gr 5

BOLT - carriage, 1/2 NC x 1-1/4 inch

2шт.

39

80679

LOCK WASHER,1/20.507 CST ZND

WASHER, LOCK, 1/2"

2шт.

40

496-21053

WASHER,17/32" x 1 1/16" x .134"

- flat, 17/32 x 1-1/16 x 1/8 inch, hardened

2шт.

41

425-108

NUT,1/2" - 13, Gr 5

NUT, , Hex 1/2"-13, G5

2шт.

42

434-612

CARRIAGE BOLT,Sht Sq Nk, 3/8" - 16 x 3/4", Gr 5

BOLT - carriage, 3/8 NC x 3/4 inch

6шт.

44

10810R

HINGE

- shield, if used

1шт.

45

413-472

BOLT,Hex, 1/4" - 20 x 4-1/2", Gr 5

- hex, 1/4 NC x 4-1/2 inch

1шт.

46

231-4144

NUT,1/4"-20, GB

NUT - hex, self-locking, 1/4 inch NC

1шт.

14

477-73816

SERRATED SCREW,Sl Truss Hd, 3/8" x 1"

BOLT - serrated slotted truss head, 3/8 NC x 1 inch

2шт.

Выбрано товаров: 50