Запчасти Case IH 1680 (9G-16) - OPERATORS SEAT, BOSTROM, SUSPENSION (CONTD) (10) - CAB & AIR CONDITIONING

Схема запчастей Case IH 1680 - (9G-16) - OPERATORS SEAT, BOSTROM, SUSPENSION (CONTD) (10) - CAB & AIR CONDITIONING
38
24
33
26
32
16
36
22
7
4
30
1
12
18
27
18
17
34
26
23
31
33
21
35
25
8
23
32
2
6
34
16
4
3
17
37
24
14
5
15
39
22
13
FIT
1:1
100%

Артикул

Название

Примечание

Количество

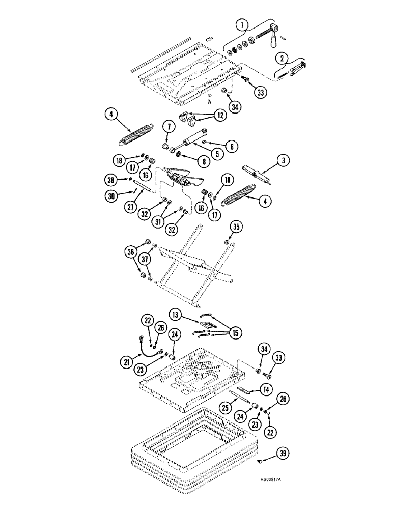
91789C91

SEAT

ASSEMBLY - operator, Includes: Ref. 1 - 39, 1 - 31 on Figure 9G-12 and 1 - 6 on Figure 9G-14

1шт.

1954470C1

KIT

SERVICE KIT - suspension, Includes: Ref. 1 - 39

1шт.

1

NSS

NOT SOLD SEPARAT

KIT - adjuster, weight

1шт.

Part of Miscellaneous Service Kit, P/N 1954471C1

1шт.

2

NSS

NOT SOLD SEPARAT

KIT - indicator, weight

1шт.

Part of Miscellaneous Service Kit, P/N 1954471C1

1шт.

3

NSS

NOT SOLD SEPARAT

YOKE - suspension

1шт.

4

NSS

NOT SOLD SEPARAT

SPRING - tension

2шт.

5

NSS

NOT SOLD SEPARAT

DAMPER - suspension

1шт.

6

NSS

NOT SOLD SEPARAT

E-RING - retaining

1шт.

7

NSS

NOT SOLD SEPARAT

BUSHING - damper

1шт.

8

NSS

NOT SOLD SEPARAT

WASHER - lock

1шт.

12

NSS

NOT SOLD SEPARAT

STOP - bumper

2шт.

Part of Miscellaneous Service Kit, P/N 1954471C1

1шт.

13

NSS

NOT SOLD SEPARAT

CLIP - height adjusting

1шт.

Part of Miscellaneous Service Kit, P/N 1954471C1

1шт.

14

NSS

NOT SOLD SEPARAT

BAR - latch

1шт.

Part of Miscellaneous Service Kit, P/N 1954471C1

1шт.

15

NSS

NOT SOLD SEPARAT

SPRING - tension

3шт.

Part of Miscellaneous Service Kit, P/N 1954471C1

1шт.

16

NSS

NOT SOLD SEPARAT

BUSHING - spring anchor

2шт.

Part of Miscellaneous Service Kit, P/N 1954471C1

1шт.

17

NSS

NOT SOLD SEPARAT

WASHER - retaining

1шт.

18

NSS

NOT SOLD SEPARAT

WASHER - star lock

1шт.

Part of Miscellaneous Service Kit, P/N 1954471C1

1шт.

21

NSS

NOT SOLD SEPARAT

CABLE - suspension

1шт.

Part of Miscellaneous Service Kit, P/N 1954471C1

1шт.

22

NSS

NOT SOLD SEPARAT

RETAINER - shaft

2шт.

Part of Miscellaneous Service Kit, P/N 1954471C1

1шт.

23

NSS

NOT SOLD SEPARAT

WASHER - retaining

2шт.

Part of Miscellaneous Service Kit, P/N 1954471C1

1шт.

24

NSS

NOT SOLD SEPARAT

BEARING - shaft

2шт.

Part of Miscellaneous Service Kit, P/N 1954471C1

1шт.

25

NSS

NOT SOLD SEPARAT

SHAFT - suspension

1шт.

Part of Miscellaneous Service Kit, P/N 1954471C1

1шт.

26

NSS

NOT SOLD SEPARAT

SPACER - cable

1шт.

Part of Miscellaneous Service Kit, P/N 1954471C1

1шт.

27

NSS

NOT SOLD SEPARAT

SHAFT - pivot

1шт.

Part of Miscellaneous Service Kit, P/N 1954471C1

1шт.

30

NSS

NOT SOLD SEPARAT

PIN - roll

1шт.

Part of Miscellaneous Service Kit, P/N 1954471C1

1шт.

31

NSS

NOT SOLD SEPARAT

WASHER - retaining

2шт.

Part of Miscellaneous Service Kit, P/N 1954471C1

1шт.

32

NSS

NOT SOLD SEPARAT

BEARING - pivot shaft

2шт.

Part of Miscellaneous Service Kit, P/N 1954471C1

1шт.

33

NSS

NOT SOLD SEPARAT

SCREW - pivot

4шт.

Part of Miscellaneous Service Kit, P/N 1954471C1

1шт.

34

NSS

NOT SOLD SEPARAT

BEARING - pivot

4шт.

Part of Miscellaneous Service Kit, P/N 1954471C1

1шт.

35

NSS

NOT SOLD SEPARAT

NUT - hex, M8

2шт.

Part of Miscellaneous Service Kit, P/N 1954471C1

1шт.

36

NSS

NOT SOLD SEPARAT

ROLLER - suspension

4шт.

Part of Miscellaneous Service Kit, P/N 1954471C1

1шт.

36

NSS

NOT SOLD SEPARAT

BUSHING - pivot

4шт.

Part of Miscellaneous Service Kit, P/N 1954471C1

1шт.

38

NSS

NOT SOLD SEPARAT

E-RING - retaining

1шт.

Part of Miscellaneous Service Kit, P/N 1954471C1

1шт.

39

NSS

NOT SOLD SEPARAT

CLIP - retaining

20шт.

Part of Miscellaneous Service Kit, P/N 1954471C1

1шт.

1954471C1

KIT

- service, miscellaneous, Includes: ref. nos 1, 2, 12 - 16, 18 - 39 on Figures 9G-12, 9G-14 and 9G-16

1шт.

Выбрано товаров: 60