Запчасти Case IH 1680 (9G-48) - HEATING AND AIR CONDITIONING SYSTEM, COMPRESSOR (10) - CAB & AIR CONDITIONING

Схема запчастей Case IH 1680 - (9G-48) - HEATING AND AIR CONDITIONING SYSTEM, COMPRESSOR (10) - CAB & AIR CONDITIONING
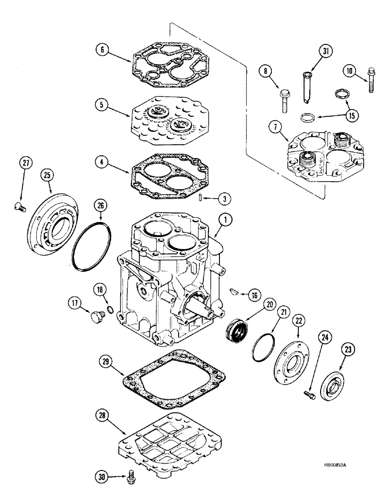
21
1
23
3
5
8
30
4
27
10
26
17
22
24
28
16
25
31
20
7
18
15
6
29
FIT
1:1
100%

Артикул

Название

Примечание

Количество

1255750C91

COMPRESSOR

COMPRESSOR ASSEMBLY - air conditioning, Includes: Ref. 1 - 31

1шт.

1924008C2

REMAN-A/C COMPRESSOR

Remanufactured Air Compressor Assy

1шт.

1924009C1

CORE-A/C COMPRESSOR

Return Number, Air Compressor Assy

1шт.

1

NSS

NOT SOLD SEPARAT

CRANKCASE - compressor (Order 1255750C91)

1шт.

3

21247R1

DOWEL,1/8" x 3/4"

PIN - dowel, 1/8 x 3/4 inch

2шт.

394430C91

KIT

KIT - valve plate, Includes: Ref. 4 - 6

1шт.

4

431761C1

CYLINDER HEAD GASKET

GASKET - valve, Serial Range: plate-crankcase

1шт.

5

NSS

NOT SOLD SEPARAT

PLATE - valve (Order 394430C91)

1шт.

6

431756C1

CYLINDER HEAD GASKET

GASKET - cylinder head to valve plate

1шт.

478712C91

PACKAGE

KIT - cylinder head (Includes Ref. 4 and 6), Includes: Ref. 7

1шт.

7

NSS

NOT SOLD SEPARAT

CYLINDER HEAD - compressor (Order 478712C91)

1шт.

8

413-522

BOLT,Hex, 5/16" - 18 x 1-3/8", Gr 5

BOLT - hex, 5/16 NC x 1-3/8 inch

8шт.

10

380-2524

12 PT SCREW,Flg, 5/16" - 18 x 1 1/2"

BOLT - 12 point flange, 5/16 NC x 1-1/2 inch

2шт.

15

118469C1

GASKET

GASKET - service valve

2шт.

16

126-112

WOODRUFF KEY,#6, 5/32" x 5/8", HT

WOODRUFF KEY, #6, 5/32" x 5/8", HT

1шт.

17

86982693

PLUG

PLUG - hex, 3/8-24

2шт.

18

431764C1

SEAL,8.484mm ID x 1.778mm Width

SEAL - O-ring oil plug

2шт.

592263C91

SEAL KIT

KIT - shaft seal, Includes: Ref. 20 - 23

1шт.

20

NSS

NOT SOLD SEPARAT

SEAL - crankcase

1шт.

21

NSS

NOT SOLD SEPARAT

O-RING - plate

1шт.

22

NSS

NOT SOLD SEPARAT

PLATE - retaining, seal

1шт.

23

NSS

NOT SOLD SEPARAT

CAP - dust

1шт.

24

463-1108

SCREW,Hex Hd, #10-24 x 1/2"

SCREW - hex flange, No. 10 NC x 1/2 inch,Course threads

6шт.

25

431757C1

HOUSING

COVER - rear, crankcase housing

1шт.

26

431763C1

O-RING,0.07" Thk x 3.239" ID, -42, Cl 6, 90 Duro

SEAL - O-ring

1шт.

27

473-12510

SCREW,Slotted Flat Hd, 1/4"-20 x 5/8"

SCREW - machine, flat head slotted, 1/4 NC x 5/8 inch

4шт.

28

431755C1

PLATE

SPARE PART PLATE - base

1шт.

29

431760C2

GASKET

GASKET - base

1шт.

30

463-12510

SCREW,Hex Hd, 1/4"-20 x 5/8"

SCREW - machine, hex head, 1/4 NC x 5/8 inch

14шт.

31

118210C1

FILTER SCREEN

SCREEN - filter, suction

1шт.

Выбрано товаров: 30