Запчасти Case IH 1680 (9H-16) - PIVOTING LADDER (12) - CHASSIS

Схема запчастей Case IH 1680 - (9H-16) - PIVOTING LADDER (12) - CHASSIS
21
8
25
13
18
33
5
35
16
38
24
3
22
2
29
11
27
17
36
15
19
32
14
23
13
31
12
4
9
33
40
34
1
30
13
7
16
28
29
10
17
6
17
20
37
26
FIT
1:1
100%

Артикул

Название

Примечание

Количество

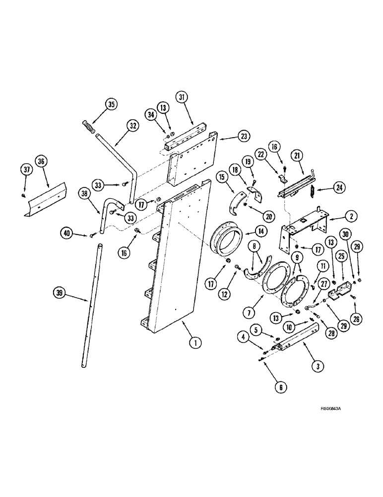
1

1317520C91

LADDER

- pivoting

1шт.

2

187941C1

SUPPORT

- pivot extension

1шт.

3

187949C2

SUPPORT

- pivot extension center lever

1шт.

4

256873

BOLT,Hex Serr, 5/16" - 18 x 1/2", 5SPL, Full Thd

6шт.

5

231-5145

SERRATED NUT,Flg, USR, 5/16"-18

NUT - hex serrated flange, 5/16 inch NC

6шт.

6

1978738C1

HAIR PIN COTTER

3/16"

2шт.

7

187951C1

RETAINER

- pivot outer

1шт.

8

187952C1

RETAINER

- pivot ring

2шт.

9

187953C1

RETAINER

- pivot ring lube

2шт.

10

219-87

LUBE NIPPLE,1/4" - 28 NPTF

NIPPLE, LUBE, 1/4"-28 x .56" lg, Self-Tap

2шт.

11

219-93

LUBE NIPPLE,90 Degree Elbow, 1/4" - 28 NPTF

Special taper 90º, 1/4"-28 NPT x .75" lg, Drive

2шт.

12

154273C1

BOLT,Hex Serr, 3/8" - 16 x 1", Spcl

- hex, self-locking, special, 3/8 NC x 1 inch

9шт.

13

231-5146

FLANGE NUT,3/8"-16

10шт.

14

187955C3

FLANGE

- ladder pivot

1шт.

15

187984C3

SUPPORT

- ladder latch

1шт.

16

409-7512

BOLT,Hex Flg, 5/16" - 18 x 3/4", Spcl

- hex serrated flange, 5/16 NC x 3/4 inch

9шт.

17

231-5145

SERRATED NUT,Flg, USR, 5/16"-18

NUT - hex serrated flange, 5/16 inch NC

9шт.

18

1301172C3

SUPPORT

- ladder latch adjusting

1шт.

19

326-516

BOLT,Hex, 5/16" - 18 x 1", Gr 8

2шт.

20

231-5315

FLANGE NUT,Flg, 5/16"-18

NUT, LOCK, Flg, 5/16"-18

2шт.

21

187957C1

LEVER

- ladder pivot latch

1шт.

22

187962C1

SUPPORT

- latch hinge

2шт.

23

1318805C2

SUPPORT

CHANNEL - ladder extension

1шт.

24

182652A1

SPRING

- 27.9 OD x 122 mm free length, replaces 398763R2 spring

1шт.

25

1301262C2

STOP

SUPPORT - latch

1шт.

26

409-7620

BOLT,Hex Flg, 3/8" - 16 x 1 1/4", Spcl

- hex serrated flange, 3/8 NC x 1-1/4 inch

3шт.

27

1301260C1

EYEBOLT,3/8" - 16 x 72.91mm

- special, latch adjusting

1шт.

28

180126

BOLT,Hex, 3/8" - 16 x 1 1/2", Gr 5

- hex, 3/8 NC x 1-1/2 inch

1шт.

29

425-106

NUT,3/8"-16, Cl 5

2шт.

30

492-11038

LOCK WASHER,3/8"

1шт.

31

183544C2

SUPPORT

- ladder pivot

2шт.

32

1324845C1

ROD

HANDLE - pivot ladder

1шт.

33

326-632

BOLT,Hex, 3/8" - 16 x 2", Gr 8

2шт.

34

396-31041

WASHER,10.31mm ID x 20.63mm OD x 3.4mm Thk

1шт.

35

1324841C2

GRIP

- handle

1шт.

36

1321370C1

SUPPORT

- pivoting ladder, upper

1шт.

37

281-1476

SELF-TAP SCREW,Hex Washer, 1/4" - 20 x 3/8"

SCREW - self-tapping, hex washer head, 1/4 NC x 3/8 inch

2шт.

38

1317397C1

ROD

HANDRAIL - ladder support, upper

2шт.

39

1318785C1

TUBE,26.8 mm ID, 28.58 mm OD

HANDRAIL - ladder support, lower

2шт.

40

196955C1

BOLT,Curved Hd, 5/16" - 18 x 1.50", Cl 5

- curved head, 5/16 NC x 1-1/2 inch

10шт.

41

231-5145

SERRATED NUT,Flg, USR, 5/16"-18

NUT - hex serrated flange, 5/16 inch NC

10шт.

Выбрано товаров: 41