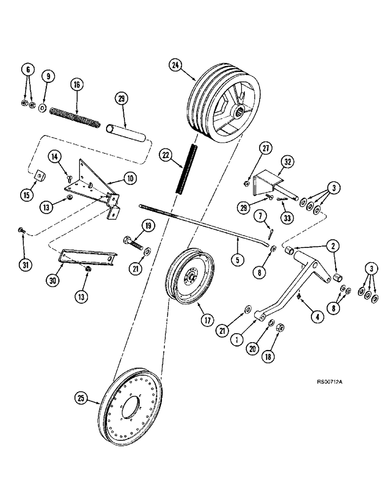
Запчасти Case IH 1680 (9A-02) - FAN JACKSHAFT BELT DRIVE (13) - FEEDER

Схема запчастей Case IH 1680 - (9A-02) - FAN JACKSHAFT BELT DRIVE (13) - FEEDER
32
18
21
9
15
8
29
6
19
10
5
7
4
20
27
3
22
33
21
1
30
25
13
17
8
3
2
29
13
31
16
14
24
FIT
1:1
100%

Артикул

Название

Примечание

Количество

1

194179C91

LEVER

ASSEMBLY - fan jackshaft drive, Includes: Ref. 2

1шт.

2

556448R1

BUSHING,19.07mm ID x 22.23mm OD x 25.4mm L

- lever

2шт.

3

495-11081

WASHER,3/4", SAE

6шт.

4

219-87

LUBE NIPPLE,1/4" - 28 NPTF

NIPPLE, LUBE, 1/4"-28 x .56" lg, Self-Tap

1шт.

5

174520C2

ROD

- jackshaft drive lever

1шт.

6

425-108

NUT,1/2" - 13, Gr 5

NUT, , Hex 1/2"-13, G5

2шт.

7

432-1220

COTTER PIN,3/16" x 1 1/4"

3/16" x 1 1/4"

1шт.

8

496-21053

WASHER,17/32" x 1 1/16" x .134"

- flat, 17/32 x 1-1/16 x 1/8 inch, hardened

3шт.

9

495-81162

WASHER,17/32" x 1 1/2" x .179"

- flat, 17/32 x 1-1/2 x 11/64 inch

1шт.

10

188485C1

SUPPORT

- fan jackshaft drive rod

1шт.

13

231-5146

FLANGE NUT,3/8"-16

2шт.

14

477-73812

SERRATED SCREW,Truss HD, 3/8" - 16 x 3/4"

BOLT - serrated slotted truss head, 3/8 NC x 3/4 inch

2шт.

15

194652C1

PIVOT

- rod

1шт.

16

155311C1

SPRING

- arm rod

1шт.

17

663887R91

PULLEY,203.2mm Idler Dia x 214.63mm OD x 48.42mm W

- drive, 8 inch OD, fan jackshaft idler

1шт.

18

425-1410

JAM NUT,Jam, 5/8"-11, G5

- hex, jam, 5/8 inch NC

1шт.

19

413-1048

BOLT,Hex, 5/8" - 11 x 3", Gr 5

1шт.

20

492-11062

BEARING WASHER,5/8"

WASHER, LOCK, 5/8"

1шт.

21

396-21066

WASHER,16.66mm ID x 33.33mm OD x 4.27mm Thk

2шт.

22

188213C1

BELT

- drive, 127 inch over center

1шт.

24

193999C1

PULLEY

- drive, 12 inch OD, feeder

1шт.

25

183325C1

PULLEY

- driven, 13 inch OD, fan jackshaft

1шт.

27

231-5146

FLANGE NUT,3/8"-16

5шт.

29

185396C1

TUBE,34.93 mm OD, 228.6 mm Length

SLEEVE - spring, idle arm

1шт.

30

188486C1

CHANNEL

- outer fan pivot

1шт.

31

477-73812

SERRATED SCREW,Truss HD, 3/8" - 16 x 3/4"

BOLT - serrated slotted truss head, 3/8 NC x 3/4 inch

1шт.

32

192277C1

SUPPORT

- jackshaft drive

1шт.

33

432-1620

COTTER PIN,1/4" x 1 1/4"

Pin, Split (Cotter), 1/4" x 1 1/4"

1шт.

28

477-73816

SERRATED SCREW,Sl Truss Hd, 3/8" x 1"

BOLT - serrated slotted truss head, 3/8 NC x 1 inch

4шт.

Выбрано товаров: 0