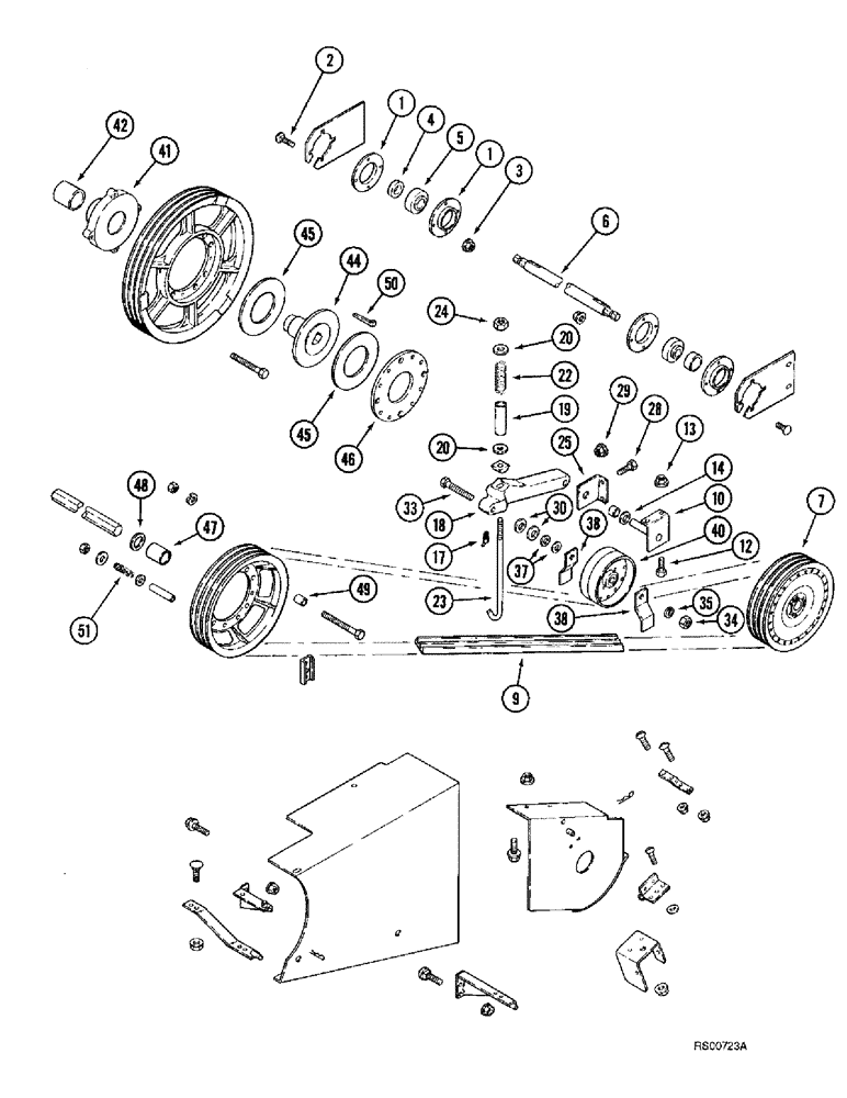
Запчасти Case IH 1680 (9A-24) - FEEDER JACKSHAFT DRIVE (13) - FEEDER

Схема запчастей Case IH 1680 - (9A-24) - FEEDER JACKSHAFT DRIVE (13) - FEEDER
49
22
12
44
40
5
47
17
42
4
25
33
34
51
13
18
35
30
7
41
28
37
1
50
45
3
38
23
20
29
14
48
24
46
45
6
20
9
1
10
38
2
19
FIT
1:1
100%

Артикул

Название

Примечание

Количество

1

663562R1

FLANGE

- bearing, left-hand

2шт.

2

434-816

CARRIAGE BOLT,Sht Sq Nk, 1/2" - 13 x 1", Gr 5

BOLT - carriage, 1/2 NC x 1 inch

4шт.

3

231-5148

FLANGE NUT,Flg, USR, 1/2"-13

4шт.

4

455112R11

COLLAR

- locking, bearing

1шт.

5

455111R91

BALL BEARING,38.113 mm ID x 52.25 mm OD x 24.32, 42.8 mm

BEARING - ball, jackshaft, left-hand

1шт.

6

1319483C2

SHAFT

- cross, jackshaft

1шт.

7

1321645C1

PULLEY

- driven, 13-1/2 inch OD, feeder

1шт.

8

Q1376

KEY

- square tapered, 3/8 x 2-1/4 inch

1шт.

9

1308489C2

V-BELT,22.33 mm W x 3990.69 mm L

Drive, for 60 inch Feeder 22.33 mm W x 3990.69 mm L

1шт.

9

1313097C3

V-BELT,22.33 mm W x 3706.69 mm L

Drive For 54-1/2 Inch Feeder 22.33 mm W x 3706.69 mm L

1шт.

10

182322C1

SUPPORT

- pivot, idler

1шт.

12

434-612

CARRIAGE BOLT,Sht Sq Nk, 3/8" - 16 x 3/4", Gr 5

BOLT - carriage, 3/8 NC x 3/4 inch

2шт.

13

231-5146

FLANGE NUT,3/8"-16

2шт.

14

495-81069

WASHER,1-1/32" ID x 1-1/2" OD x 3/50" Thk

- flat, 1-1/32 x 1-1/2 x 1/16 inch

10шт.

17

219-90

LUBE NIPPLE,45 Degree Elbow, 1/4" -28 NPTF

FITTING - grease, 45 degree, 1/4-28 special taper x 13/16 inch

1шт.

18

1321982C1

ARM

- tightener

1шт.

19

176581C1

SPACER

- spring, adjusting bolt

1шт.

20

632076R1

WASHER

- flat, 17/32 x 1-3/4 x 3/32 inch

2шт.

ITEM UNDER REF # 20 WITH NO PART # IS SHOWN IN HARD COPY BOOK # 8-5623 AS 194652C1 KL 8/5/97

1шт.

22

P03A

SPRING - tightener bolt

1шт.

23

197410C1

BOLT,1/2" - 13 x 17 1/2", Carbon Steel

- idler draw

1шт.

24

425-108

NUT,1/2" - 13, Gr 5

NUT, , Hex 1/2"-13, G5

2шт.

25

182323C1

SUPPORT

- idler

1шт.

28

434-612

CARRIAGE BOLT,Sht Sq Nk, 3/8" - 16 x 3/4", Gr 5

BOLT - carriage, 3/8 NC x 3/4 inch

2шт.

29

231-5146

FLANGE NUT,3/8"-16

2шт.

30

495-81176

WASHER,21/32" x 1" x .060"

- flat, 21/32 x 1 x 3/64 inch

4шт.

33

413-1080

BOLT,Hex, 5/8" - 11 x 5", Gr 5

1шт.

34

425-1010

NUT,5/8"-11, G5

1шт.

35

492-11062

BEARING WASHER,5/8"

WASHER, LOCK, 5/8"

1шт.

37

396-21066

WASHER,16.66mm ID x 33.33mm OD x 4.27mm Thk

1шт.

38

197110C1

GUIDE

- belt

2шт.

40

176579C1

IDLER

- drive tightener, 8 inch OD

1шт.

41

1305220C91

HUB ASSY.

HUB ASSEMBLY - clutch, Includes: Ref. 42

1шт.

42

610435C1

BUSHING,69.93mm ID x 82.65mm OD x 76.2mm L

- hub

1шт.

44

1305154C2

HUB

- slip clutch

1шт.

45

181579C1

DISC

DISC - friction

2шт.

46

185955C1

PLATE

- friction

1шт.

47

1305393C1

SPACER

- 2-35/64 inch long, hub, clutch

1шт.

48

95-81150

WASHER,46.02mm ID x 63.5mm OD x 3.35mm Thk

- flat, 1-13/16 x 2-1/2 x 1/8 inch

1шт.

49

1305375C1

SPACER

- drive lug

4шт.

50

Q3959

COTTER PIN,Gib, 3/8" Sq x 4 1/2"

Tapered Gib, 3/8" Sq x 4 1/2"

2шт.

51

1305692C2

SPRING

- slip clutch

8шт.

Выбрано товаров: 42