Запчасти Case IH 1680 (9A-42) - ROCK TRAP (CONTD) (13) - FEEDER

Схема запчастей Case IH 1680 - (9A-42) - ROCK TRAP (CONTD) (13) - FEEDER
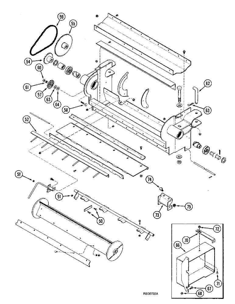
55
68
71
67
51
60
61
54
70
63
62
75
73
59
50
72
51
57
63
66
64
52
58
74
FIT
1:1
100%

Артикул

Название

Примечание

Количество

50

413-616

BOLT,Hex, 3/8" - 16 x 1", Gr 5

- hex, 3/8 NC x 1 inch

2шт.

51

9411655

LOCK NUT,3/8"-16, GB

NUT - hex, self-locking, 3/8 inch NC

2шт.

52

1320776C1

SUPPORT

ANGLE - support

1шт.

54

1320095C3

DRIVE SPROCKET

SPROCKET - drive, 16 teeth

2шт.

55

1320110C3

SPROCKET

- beater driven, rock trap, 32 teeth

1шт.

57

629972R91

DRIVE SPROCKET,15T

SPROCKET - idler, 15 teeth

1шт.

58

433-1048

CARRIAGE BOLT,Sq Nk, 5/8" - 11 x 3", Gr 5

BOLT - carriage, 5/8 NC x 3 inch

1шт.

59

1321529C95

CHAIN,#60, 118 Links x 19.05mm = 2247.9mm

- drive, 88-1/2 inch long, 118 links

2шт.

60

425-1010

NUT,5/8"-11, G5

1шт.

61

492-11062

BEARING WASHER,5/8"

WASHER, LOCK, 5/8"

1шт.

62

192533C2

ROD

- feeder pivot block

1шт.

63

1970957C1

SPRING

PIN - cotter, hair, 3/16 inch

1шт.

64

N11720

WASHER

- square hole, 21/32 x 1-1/2 x 3/32 inch

1шт.

65

495-81026

WASHER,21/32" x 1 1/2" x .060"

- flat, 21/32 x 1-1/2 x 3/64 inch

3шт.

66

1320609C93

GUARD

SHIELD - drive, if used

1шт.

67

409-7816

BOLT,Hex Flg, 1/2" - 13 x 1", Spcl

- hex serrated flange, 1/2 NC x 1 inch, if used

1шт.

68

232-5138

FLANGE NUT,Flg, USR, 1/2"-13, G8

If used Flg, USR, 1/2"-13, G8

1шт.

70

1320325C1

SUPPORT ASSY.

SUPPORT - shield, if used

1шт.

71

477-73112

SERRATED SCREW,Sl Truss Hd, 5/16" - 18 x 3/4"

- serrated slotted truss head, 5/16 NC x 3/4", if used

2шт.

72

231-5145

SERRATED NUT,Flg, USR, 5/16"-18

NUT - hex serrated flange, 5/16 inch NC, if used

2шт.

1957278C1

LATCH

KIT - rock trap latch support, includes instructions, P.I.N. JJC0028000 and after, Includes: Ref. 73 - 75

1шт.

73

1324775C1

SUPPORT

- latch, center

1шт.

74

413-616

BOLT,Hex, 3/8" - 16 x 1", Gr 5

- hex, 3/8 NC x 1 inch

2шт.

75

232-4136

LOCK NUT,3/8"-16, GC

NUT, LOCK, 3/8"-16, GC

2шт.

Выбрано товаров: 24