Запчасти Case IH 1680 (9B-02) - ROTOR DRIVE MOUNTING (14) - ROTOR, CONCANVES & SIEVE

Схема запчастей Case IH 1680 - (9B-02) - ROTOR DRIVE MOUNTING (14) - ROTOR, CONCANVES & SIEVE
22
30
31
18
46
22
10
13
78
27
64
77
67
60
66
49
74
43
55
14
45
50
24
76
47
69
29
20
68
32
31
44
11
6
19
6
61
1
9
23
28
75
65
42
15
51
67
41
48
62
57
8
32
24
70
25
12
13
12
7
26
FIT
1:1
100%

Артикул

Название

Примечание

Количество

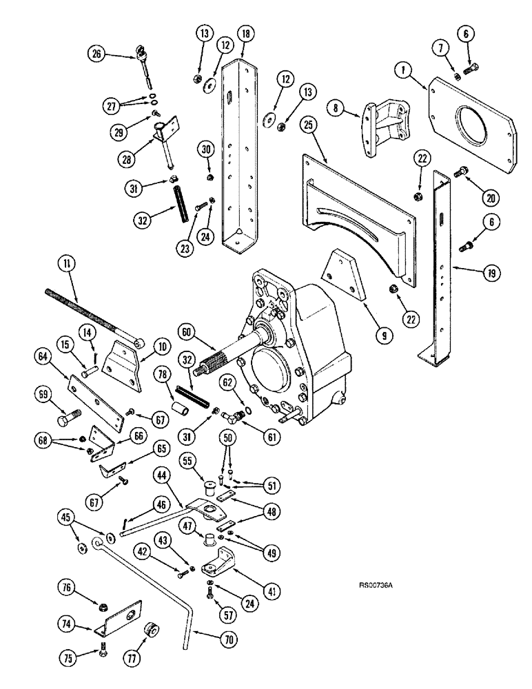
1

181315C1

PLATE

- gear housing support, front

1шт.

6

413-824

BOLT,Hex, 1/2" - 13 x 1-1/2", Gr 5

4шт.

7

80679

LOCK WASHER,1/20.507 CST ZND

WASHER, LOCK, 1/2"

4шт.

8

181314C2

BLOCK

- housing support, front

2шт.

9

188141C1

SUPPORT

- gear housing anchor

1шт.

10

188142C1

SUPPORT

- gear housing anchor

1шт.

11

188143C1

EYEBOLT

- gear housing

1шт.

12

495-81259

WASHER,21/32" x 2" x .238"

- flat, 21/32 x 2 x 1/4 inch

2шт.

13

425-1010

NUT,5/8"-11, G5

2шт.

14

432-1216

COTTER PIN,3/16" x 1"

1шт.

15

439-5832

HEADED PIN,12.7mm OD x 50.8mm L

PIN - headed, 1/2 x 2 inch

1шт.

18

188190C3

SUPPORT

- gear housing, left-hand

1шт.

19

188191C3

SUPPORT

- gear housing, right-hand

1шт.

20

434-820

CARRIAGE BOLT,Sht Sq Nk, 1/2" - 13 x 1 1/4", Gr 5

BOLT - carriage, 1/2 NC x 1-1/4 inch

6шт.

22

231-5148

FLANGE NUT,Flg, USR, 1/2"-13

6шт.

23

413-616

BOLT,Hex, 3/8" - 16 x 1", Gr 5

- hex, 3/8 NC x 1 inch

4шт.

24

492-11038

LOCK WASHER,3/8"

5шт.

25

188137C1

SUPPORT ASSY.

SUPPORT - gear housing

1шт.

26

194066C91

DIPSTICK

GAUGE - rotor gear housing, Includes: Ref. 27

1шт.

27

238-5210

O-RING,0.139" Thk x 0.734" ID, -210, Cl 5, 75 Duro

2шт.

28

193946C1

TUBE,12.7 mm OD

- gear housing gauge

1шт.

29

477-73112

SERRATED SCREW,Sl Truss Hd, 5/16" - 18 x 3/4"

- serrated slotted truss head, 5/16 NC x 3/4"

2шт.

30

231-5145

SERRATED NUT,Flg, USR, 5/16"-18

NUT - hex serrated flange, 5/16 inch NC

2шт.

31

214-1404

HOSE CLAMP,#04, 0.25" - 0.62", Type F Worm

CLAMP - adj, 1/4 - 5/8 inch dia

2шт.

32

NSS

NOT SOLD SEPARAT

HOSE - 483 mm (19 inch) long, cut from S118466X bulk hose, see below, gear housing

1шт.

41

188171C1

SUPPORT

- gear housing pivot

1шт.

42

113-103

BOLT,Hex, 5/16" - 18 x 1", Gr 5

2шт.

43

492-11031

LOCK WASHER,5/16"

WASHER, LOCK, 5/16"

2шт.

44

188172C2

LEVER ASSY.

LEVER - rotor drive shift

1шт.

45

495-81287

WASHER,13.49mm ID x 31.75mm OD x 3.4mm Thk

- flat, 17/32 x 1-1/4 x 7/64 inch

2шт.

46

432-1216

COTTER PIN,3/16" x 1"

2шт.

47

277523R1

BUSHING

- shift lever

1шт.

48

188169C1

BAR

- shift lever

2шт.

49

495-11028

WASHER,1/4", SAE

(flat, 9/32 x 5/8 x 1/16") 1/4", SAE

2шт.

50

439-1416

HEADED PIN,1/4" x 1"

PIN - headed, 1/4 x 1 inch, grade 2

2шт.

51

432-812

COTTER PIN,3/4" OAL x 1/8" W

PIN, SPLIT (COTTER), 1/8" x 3/4"

2шт.

55

188170C1

NUT

NUT - shift lever

1шт.

57

413-620

BOLT,Hex, 3/8" - 16 x 1-1/4", Gr 5

- hex, 3/8 NC x 1-1/4 inch

1шт.

60

REF

INSTRUCTION

HOUSING ASSEMBLY - rotor drive, See Figure 9B-10 or 9B-12 for correct assembly

1шт.

61

188272C1

ELBOW

- 90 degree, special

1шт.

62

237-6008

O-RING,0.087" Thk x 0.644" ID, -908, Cl 6, 90 Duro

8-1, 90 Duro, .644" ID x .087" Thk

1шт.

S118466X

LARGE HOSE

HOSE - bulk, 13 (1/2) ID x 7620 mm (300 inch) long

1шт.

64

185397C1

SUPPORT

BAR - gauge angle, if used

1шт.

65

186031C2

ANGLE

- rotor driven pulley gauge, if used

1шт.

66

184246C1

ANGLE

- gauge support, if used

1шт.

67

477-73112

SERRATED SCREW,Sl Truss Hd, 5/16" - 18 x 3/4"

- serrated slotted truss head, 5/16 NC x 3/4", if used

2шт.

68

231-5145

SERRATED NUT,Flg, USR, 5/16"-18

NUT - hex serrated flange, 5/16 inch NC, if used

2шт.

69

413-1244

BOLT,Hex, 3/4" - 10 x 2-3/4", Gr 5

- hex, 3/4 NC x 2-3/4 inch

2шт.

70

186648C2

ROD

- lever shaft control linkage

1шт.

74

188816C91

ANGLE

- rod lever control link, includes decal

1шт.

75

413-820

BOLT,Hex, 1/2" - 13 x 1-1/4", Gr 5

- hex, 1/2 NC x 1-1/4 inch

2шт.

76

231-5148

FLANGE NUT,Flg, USR, 1/2"-13

2шт.

77

198825C1

GROMMET,15.88mm ID x 41.1mm OD x 26.9mm Thk

- 5/8 inch ID

1шт.

78

163493C1

STRIP,19.05mm ID x 25.4mm OD x 45.7mm L

SLEEVE - 3/4 ID x 1-13/64 inch long

1шт.

Выбрано товаров: 54