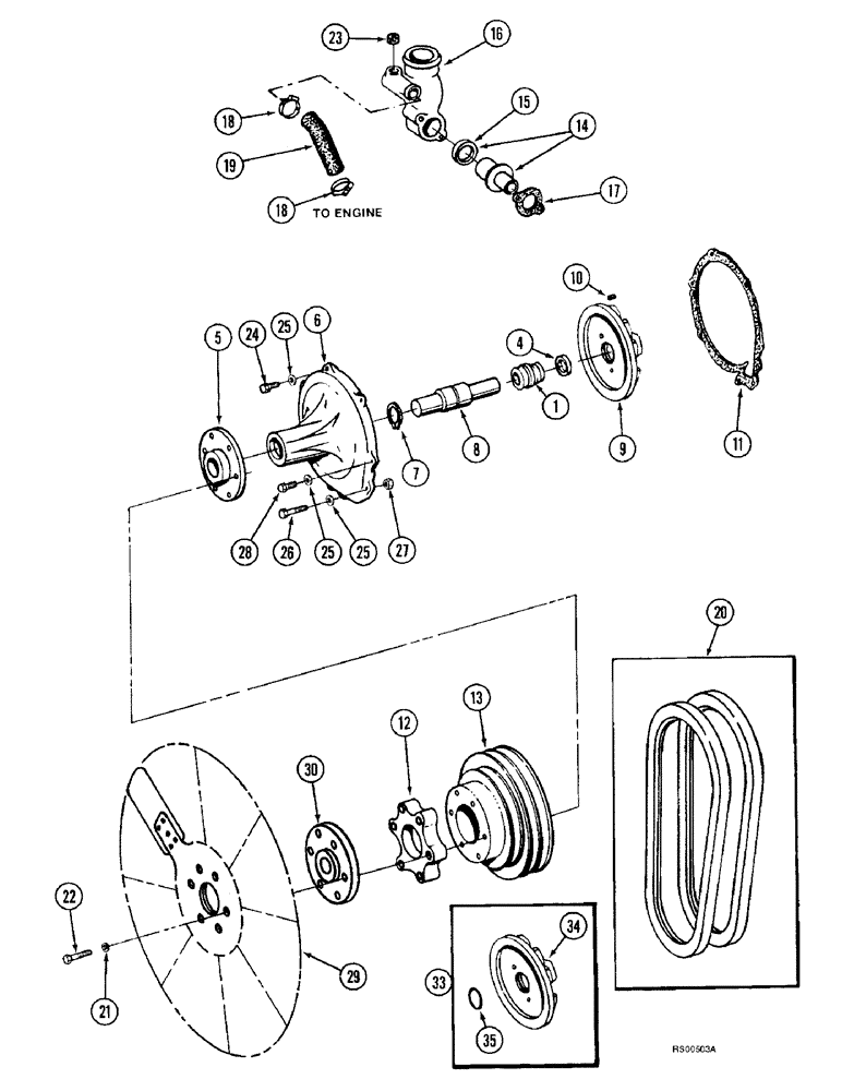
Запчасти Case IH 1680 (2-10) - FAN, BELTS, THERMOSTAT AND WATER PUMP, DTI-466C DIESEL ENGINE (01) - ENGINE

Схема запчастей Case IH 1680 - (2-10) - FAN, BELTS, THERMOSTAT AND WATER PUMP, DTI-466C DIESEL ENGINE (01) - ENGINE
35
9
12
30
19
10
13
33
15
4
18
20
25
14
16
11
22
25
1
24
26
29
6
7
5
23
27
18
17
21
25
28
34
8
FIT
1:1
100%

Артикул

Название

Примечание

Количество

673162C94

PUMP, WATER

PUMP ASSEMBLY - water, new, includes hub pulley

1шт.

749908C91

REMAN-WATER PUMP

PUMP ASSEMBLY - water, remanufactured, includes hub pulley

1шт.

1928143C1

CORE-WATER PUMP

Return Number

1шт.

687161C92

KIT

KIT - water pump seal, Includes: Ref. 1 & 4

1шт.

1

NSS

NOT SOLD SEPARAT

SEAT - pump

1шт.

4

NSS

NOT SOLD SEPARAT

SEAL - pump

1шт.

5

675033C1

HUB

HUB - pulley, water pump

1шт.

6

675806C3

HOUSING

HOUSING - water pump bearing

1шт.

7

100-21187

SNAP RING,1.875", Int, #187

Ring, Snap, 1.875", Int, #187

1шт.

8

627785C91

BEARING ASSY,47.63mm OD x 177.8mm L

SHAFT - with bearing, pump

1шт.

9

NSS

NOT SOLD SEPARAT

IMPELLER - water pump, order item 33 below

1шт.

10

680481C1

PIN

PIN - dowel, 1/4 x 5/8 inch

2шт.

11

675808C2

GASKET,0.79mm Thk

GASKET - water pump

1шт.

12

673013C1

SPACER

SPACER - fan

1шт.

13

1810539C1

PULLEY

PULLEY - water pump

1шт.

14

684739C1

THERMOSTAT

THERMOSTAT - coolant, 190 degree F.

1шт.

15

615175C91

SEAL

SEAL - thermostat

1шт.

16

689061C1

HOUSING

HOUSING - thermostat

1шт.

17

1342836C1

GASKET

GASKET - thermostat housing

1шт.

18

214-1416

HOSE CLAMP,#16, 0.81" - 1.5", Type F Worm

CLAMP, HOSE, , Adj. #16, 0.81/1.50 Type F Worm

2шт.

19

672242C2

HOSE

Thermostat

1шт.

20

131201C92

V-BELT,0.60" W x 63.76" L

Drive. Matched set of 2, Use with Motorola Alternator

1шт.

20

537072R92

SET OF BELTS,64.75" L

V-Belt, Drive (Matched set of 2 belts) (Use with Bosch alternator)

1шт.

21

492-11038

LOCK WASHER,3/8"

LOCK WASHER, 3/8"

6шт.

22

326-640

BOLT,Hex, 3/8" - 16 x 2-1/2", Gr 8

BOLT, Hex, 3/8"-16 x 2 1/2", G8

6шт.

23

217-436

PLUG,Hex Soc, 3/8" - 18 NPTF

PLUG - hex socket headless, 3/8 inch PT

1шт.

24

326-620

BOLT,Hex, 3/8" - 16 x 1-1/4", Gr 8

BOLT, Hex, 3/8"-16 x 1 1/4", G8, Full Thd

1шт.

25

396-21041

WASHER,10.31mm ID x 20.63mm OD x 2.26mm Thk

WASHER - flat, 13/32 x 13/16 x 3/32 inch, hardened

8шт.

26

326-656

BOLT,Hex, 3/8" - 16 x 3-1/2", Gr 8

BOLT, Hex, 3/8"-16 x 3 1/2", G8

2шт.

27

329-106

NUT,3/8"-16, G8

NUT, 3/8"-16, G8

2шт.

28

326-628

BOLT,Hex, 3/8" - 16 x 1-3/4", Gr 8

BOLT - hex, 3/8 NC x 1-3/4 inch, grade 8

2шт.

29

1275705C1

HALF BLADE

FAN - engine

1шт.

30

146453C1

SPACER

SPACER - fan

1шт.

33

1810366C92

TURBINE

KIT - impeller, Includes: Ref. 34 & 35

1шт.

34

NSS

NOT SOLD SEPARAT

IMPELLER - pump

1шт.

35

1802812C1

O-RING

O-RING - 1-27/64 x 1/16 inch

1шт.

Выбрано товаров: 36