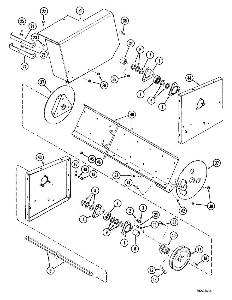
Запчасти Case IH 1680 (9C-02) - DISCHARGE BEATER (15) - BEATER & CLEANING FANS

Схема запчастей Case IH 1680 - (9C-02) - DISCHARGE BEATER (15) - BEATER & CLEANING FANS
36
23
49
37
24
2
9
19
4
47
26
42
12
9
38
40
1
6
6
24
18
34
13
7
10
43
1
45
44
46
17
3
21
37
41
20
8
39
35
22
1
4
11
25
25
48
5
1
FIT
1:1
100%

Артикул

Название

Примечание

Количество

1

180955C1

FLANGED BEARING,0.375"

FLANGE - bearing, beater

4шт.

2

492-11038

LOCK WASHER,3/8"

6шт.

3

425-106

NUT,3/8"-16, Cl 5

6шт.

4

156816C91

BEARING HOUSING,28.6mm Hex x 72mm OD x 25mm W

BEARING - ball, discharge beater

2шт.

5

1302176C2

SHAFT

- discharge beater

1шт.

6

495-81211

WASHER,34.14mm ID x 50.8mm OD x 3.4mm Thk

- flat, 1-11/32 x 2 x 7/64 inch

4шт.

7

495-81210

WASHER,34.14mm ID x 50.8mm OD x 1.7mm Thk

- flat, 1-11/32 x 2 x 3/64 inch

1шт.

8

632147R1

SPACER

- 1-5/8 OD x 1-5/8 inch long, beater driven pulley

1шт.

9

495-81211

WASHER,34.14mm ID x 50.8mm OD x 3.4mm Thk

- flat, 1-11/32 x 2 x 7/64 inch

3шт.

10

1319402C1

HUB

- beater drive pulley

1шт.

11

326-840

BOLT,Hex, 1/2" - 13 x 2-1/2", Gr 8

1шт.

12

396-21053

WASHER,17/32" x 1 1/16" x .134"

Hardened 17/32" x 1 1/16" x .134"

1шт.

13

232-4118

NUT,1/2"-13, GC

NUT, LOCK, 1/2"-13, GC

1шт.

17

195161C1

PULLEY

- drive, 8-3/8 inch OD

1шт.

18

113-103

BOLT,Hex, 5/16" - 18 x 1", Gr 5

5шт.

19

492-11031

LOCK WASHER,5/16"

WASHER, LOCK, 5/16"

5шт.

20

425-105

NUT,5/16"-18, G5

- hex, 5/16 inch NC

5шт.

21

195113C1

SUPPORT

- beater drive

1шт.

22

154273C1

BOLT,Hex Serr, 3/8" - 16 x 1", Spcl

- hex, self-locking, special, 3/8 NC x 1 inch

2шт.

23

231-5146

FLANGE NUT,3/8"-16

4шт.

24

194760C1

SUPPORT

BRACKET - beater drive shield

2шт.

25

409-7612

BOLT,3/8"-16 x 1.09" OAL

- hex serrated flange, 3/8 NC x 3/4 inch

4шт.

26

231-5146

FLANGE NUT,3/8"-16

4шт.

34

1302104C1

HUB

BUSHING - beater, fixed, 35 mm

1шт.

35

413-636

BOLT,Hex, 3/8" - 16 x 2-1/4", Gr 5

- hex, 3/8 NC x 2-1/4 inch

1шт.

36

9411655

LOCK NUT,3/8"-16, GB

NUT - hex, self-locking, 3/8 inch NC

1шт.

37

1319266C1

HUB

- beater

2шт.

38

477-73812

SERRATED SCREW,Truss HD, 3/8" - 16 x 3/4"

BOLT - serrated slotted truss head, 3/8 NC x 3/4 inch

12шт.

39

231-5146

FLANGE NUT,3/8"-16

12шт.

40

1319270C1

BLADE

- beater

3шт.

41

477-73812

SERRATED SCREW,Truss HD, 3/8" - 16 x 3/4"

BOLT - serrated slotted truss head, 3/8 NC x 3/4 inch

33шт.

42

231-5146

FLANGE NUT,3/8"-16

27шт.

43

181061C2

SUPPORT

- beater, left-hand

1шт.

44

181062C2

SUPPORT

- beater, right-hand

1шт.

45

413-616

BOLT,Hex, 3/8" - 16 x 1", Gr 5

- hex, 3/8 NC x 1 inch

14шт.

46

413-620

BOLT,Hex, 3/8" - 16 x 1-1/4", Gr 5

- hex, 3/8 NC x 1-1/4 inch

2шт.

47

495-11041

WASHER,0.406" ID x 0.812" OD x 0.065" W

(Flat, 13/32 x 13/16 x 1/16") 3/8", SAE

16шт.

48

492-11038

LOCK WASHER,3/8"

16шт.

49

425-106

NUT,3/8"-16, Cl 5

16шт.

Выбрано товаров: 0