Запчасти Case IH 1680 (9C-14) - CLEANING FAN DRIVE (CONTD) (15) - BEATER & CLEANING FANS

Схема запчастей Case IH 1680 - (9C-14) - CLEANING FAN DRIVE (CONTD) (15) - BEATER & CLEANING FANS
44
58
65
68
54
55
67
69
54
74
55
77
47
66
46
72
49
75
55
55
60
60
48
49
76
50
73
64
53
71
65
56
65
63
63
57
58
63
43
75
45
63
53
FIT
1:1
100%

Артикул

Название

Примечание

Количество

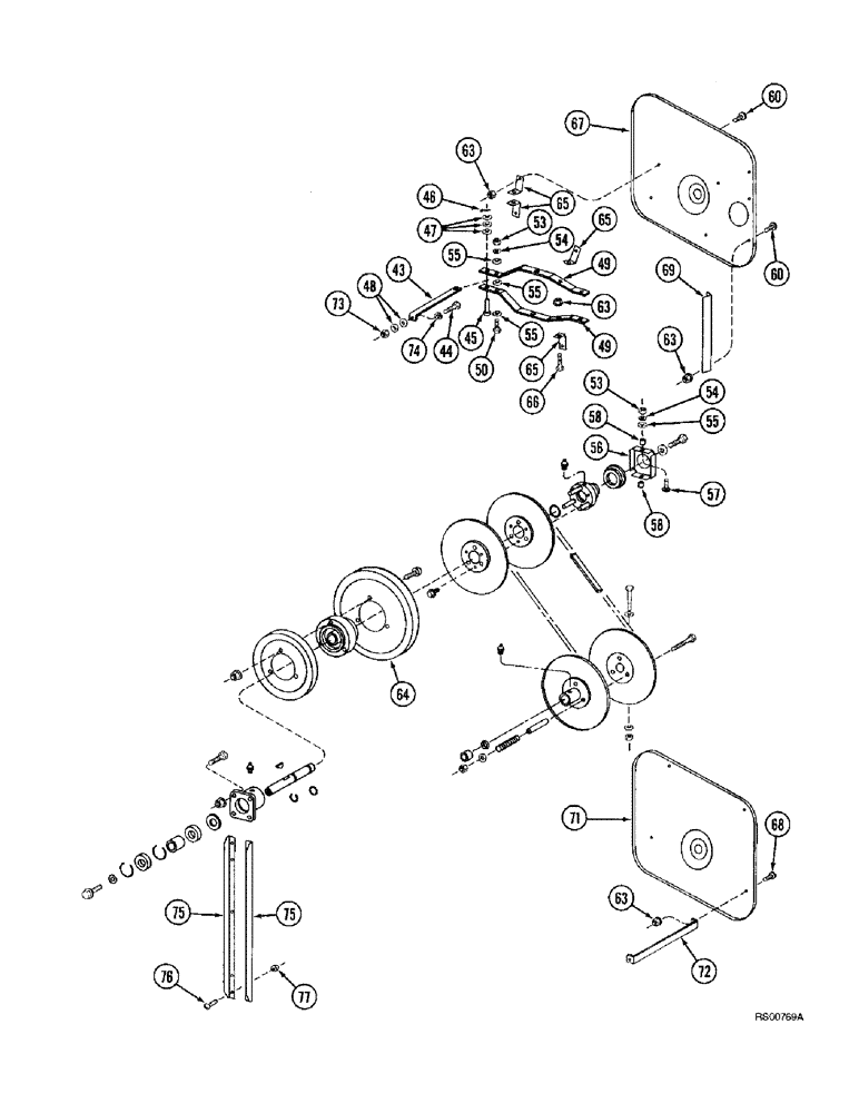
43

186283C1

SUPPORT

- fan drive control

1шт.

44

326-620

BOLT,Hex, 3/8" - 16 x 1-1/4", Gr 8

1шт.

45

439-1624

HEADED PIN,3/8" x 1 1/2"

PIN - headed, 3/8 x 1-1/2 inch, grade 2

1шт.

46

432-812

COTTER PIN,3/4" OAL x 1/8" W

PIN, SPLIT (COTTER), 1/8" x 3/4"

1шт.

47

495-11041

WASHER,0.406" ID x 0.812" OD x 0.065" W

(Flat, 13/32 x 13/16 x 1/16") 3/8", SAE

3шт.

48

495-81142

WASHER,0.41" ID x 1.5" OD x 0.06" Thk

- flat, 13/32 x 1-1/2 x 1/16 inch

2шт.

49

194850C2

SUPPORT

- fan control

2шт.

50

413-532

BOLT,Hex, 5/16" - 18 x 2", Gr 5

1шт.

53

425-105

NUT,5/16"-18, G5

- hex, 5/16 inch NC

2шт.

54

492-11031

LOCK WASHER,5/16"

WASHER, LOCK, 5/16"

3шт.

55

120393

BEARING WASHER,5/16", SAE

WASHER - flat, 11/32 x 11/16 x 3/64 inch

1шт.

56

194852C2

SUPPORT

- fan driver

1шт.

57

434-520

CARRIAGE BOLT,Sht Sq Nk, 5/16" - 18 x 1 1/4", Gr 5

BOLT - carriage, 5/16 NC x 1-1/4 inch

2шт.

58

27825R1

SPACER,8.5mm ID x 12.7mm OD x 12.7mm L

2шт.

60

477-73112

SERRATED SCREW,Sl Truss Hd, 5/16" - 18 x 3/4"

- serrated slotted truss head, 5/16 NC x 3/4"

12шт.

63

231-5145

SERRATED NUT,Flg, USR, 5/16"-18

NUT - hex serrated flange, 5/16 inch NC

23шт.

64

183325C1

PULLEY

- driven, 13 inch OD

1шт.

65

194756C2

ANGLE

- fan drive pulley shield

4шт.

66

409-7512

BOLT,Hex Flg, 5/16" - 18 x 3/4", Spcl

- hex serrated flange, 5/16 NC x 3/4 inch

2шт.

67

194758C2

SUPPORT

- fan shield

1шт.

68

477-73108

SERRATED SCREW,Sl Truss Hd, 5/16" - 18 x 1/2"

BOLT - serrated slotted truss head, 5/16 NC x 1/2 inch

3шт.

69

186089C1

SHIELD

- elevator drive idler

1шт.

71

194759C6

GUARD

SHIELD - fan drive

1шт.

72

194760C1

SUPPORT

BRACKET - beater drive shield

4шт.

73

329-146

JAM NUT,Jam, 3/8"-16, G5

1шт.

74

492-11038

LOCK WASHER,3/8"

1шт.

75

188178C2

BRACKET

ANGLE - fan hub

2шт.

76

477-73812

SERRATED SCREW,Truss HD, 3/8" - 16 x 3/4"

BOLT - serrated slotted truss head, 3/8 NC x 3/4 inch

2шт.

77

231-5146

FLANGE NUT,3/8"-16

2шт.

Выбрано товаров: 0