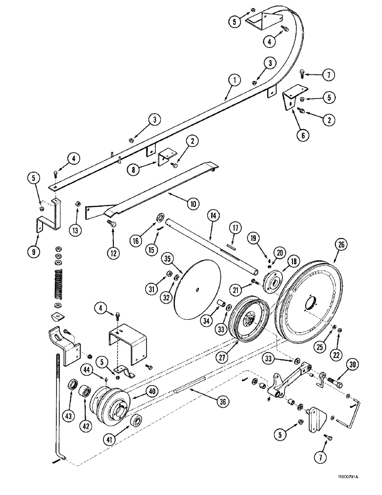
Запчасти Case IH 1680 (9E-10) - UNLOADER, BELT DRIVE (17) - GRAIN TANK & UNLOADER

Схема запчастей Case IH 1680 - (9E-10) - UNLOADER, BELT DRIVE (17) - GRAIN TANK & UNLOADER
20
6
14
41
4
36
4
34
26
15
7
17
35
12
5
5
44
32
5
27
18
7
4
33
21
2
25
2
33
5
10
43
5
42
3
8
30
13
19
9
40
3
22
16
1
31
FIT
1:1
100%

Артикул

Название

Примечание

Количество

1

192929C2

GUIDE

- belt, unloader

1шт.

2

409-7516

BOLT,Hex Flg, 5/16" - 18 x 1", Spcl

2шт.

3

231-5145

SERRATED NUT,Flg, USR, 5/16"-18

NUT - hex serrated flange, 5/16 inch NC

2шт.

4

154273C1

BOLT,Hex Serr, 3/8" - 16 x 1", Spcl

- hex, self-locking, special, 3/8 NC x 1 inch

4шт.

5

231-5146

FLANGE NUT,3/8"-16

8шт.

6

192870C2

SUPPORT

ANGLE - support, front

1шт.

7

409-7620

BOLT,Hex Flg, 3/8" - 16 x 1 1/4", Spcl

- hex serrated flange, 3/8 NC x 1-1/4 inch

4шт.

8

195405C1

SUPPORT

ANGLE - support, center

1шт.

9

192931C1

ANGLE

- support, lower rear

1шт.

10

193759C1

SUPPORT

GUIDE - belt, upper

1шт.

12

413-820

BOLT,Hex, 1/2" - 13 x 1-1/4", Gr 5

- hex, 1/2 NC x 1-1/4 inch

1шт.

13

231-1448

NUT,1/2"-13, GB

- hex, self-locking, 1/2 inch NC

1шт.

14

1321166C1

SHAFT

- vertical auger

1шт.

15

432-1624

COTTER PIN,1/4" x 1 1/2"

Pin, Split (Cotter), 1/4" x 1-1/2"

1шт.

16

495-81191

WASHER,1 5/32" x 2" x .060"

- flat, 1-5/32 x 2 x 3/64 inch

1шт.

17

586879R1

KEY

- square parallel, 5/16 x 2 inch

1шт.

18

192882C1

HUB

- pulley, driven

1шт.

19

107327

SET SCREW,Sq Hd, 5/16"-18 x 1"

SCREW - square head set, 5/16 NC x 1 inch

2шт.

20

124824

NUT,Hex, 5/16" - 18

- hex, jam, 5/16 inch NC

2шт.

21

434-620

CARRIAGE BOLT,Sht Sq Nk, 3/8" - 16 x 1 1/4", Gr 5

BOLT, CARRIAGE, Short NK, 3/8"-16 x 1 1/4", G5, Full Thd

3шт.

22

425-106

NUT,3/8"-16, Cl 5

3шт.

25

492-11038

LOCK WASHER,3/8"

3шт.

26

192967C1

PULLEY ASSY.

PULLEY - driven

1шт.

27

663887R91

PULLEY,203.2mm Idler Dia x 214.63mm OD x 48.42mm W

- drive, 8 inch OD

1шт.

30

413-1080

BOLT,Hex, 5/8" - 11 x 5", Gr 5

1шт.

31

425-1010

NUT,5/8"-11, G5

1шт.

32

492-11062

BEARING WASHER,5/8"

WASHER, LOCK, 5/8"

1шт.

33

496-21066

WASHER,16.6mm ID x 33.5mm OD x 3.8mm Thk

- flat, 21/32 x 1-5/16 x 5/32 inch, hardened

2шт.

34

568005R1

SPACER,7/8" Tube x 1 3/8"

- shield, pulley

1шт.

35

186483C1

GUARD ASSY.

SHIELD - pulley

1шт.

36

191291C1

BELT,0.879" W x 142.79" L

V-BELT , Drive, Unloader 0.879" W x 142.79" L

1шт.

40

192620C91

PULLEY

ASSEMBLY - drive, Includes: Ref. 41 - 43

1шт.

41

658089R91

BALL BEARING,30mm ID x 62mm OD x 16mm W

BEARING - ball

1шт.

42

A144861

NEEDLE BEARING

BEARING - needle

1шт.

43

466176R92

SEAL

- pulley

1шт.

44

219-87

LUBE NIPPLE,1/4" - 28 NPTF

NIPPLE, LUBE, 1/4"-28 x .56" lg, Self-Tap

1шт.

Выбрано товаров: 36