Запчасти Case IH 1680 (9E-12) - UNLOADER, BELT DRIVE (CONTD) (17) - GRAIN TANK & UNLOADER

Схема запчастей Case IH 1680 - (9E-12) - UNLOADER, BELT DRIVE (CONTD) (17) - GRAIN TANK & UNLOADER
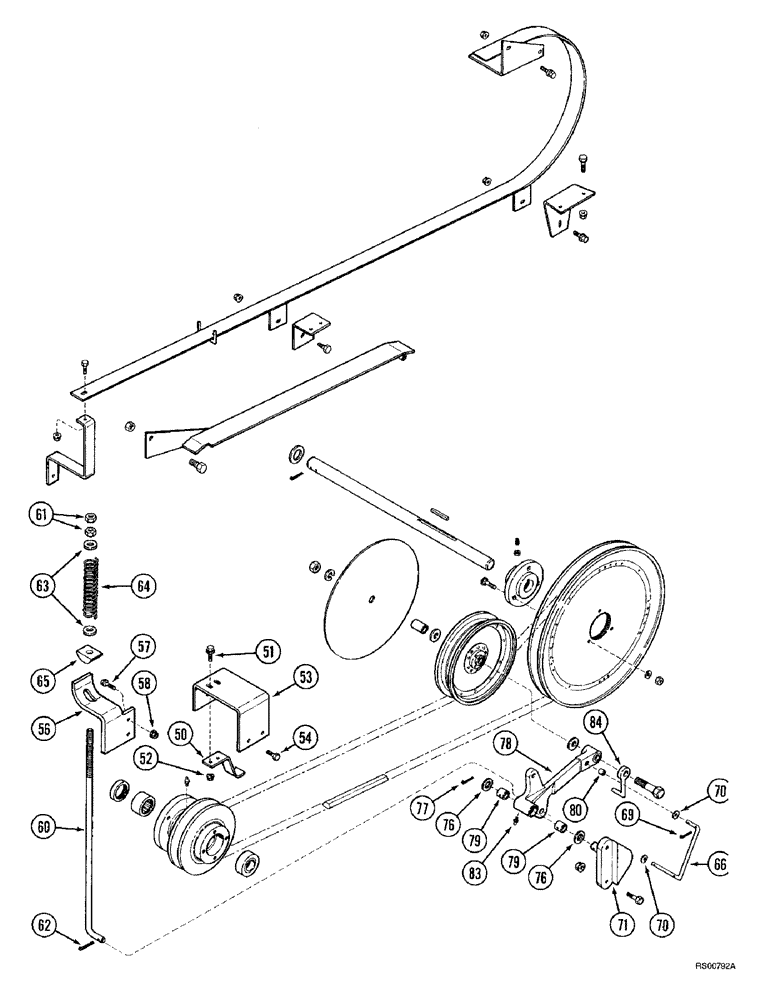
61
79
58
57
54
71
50
83
69
64
65
62
80
76
52
78
84
56
63
70
79
53
70
76
66
77
60
51
FIT
1:1
100%

Артикул

Название

Примечание

Количество

50

193627C1

SUPPORT

- trap, belt

1шт.

51

154273C1

BOLT,Hex Serr, 3/8" - 16 x 1", Spcl

- hex, self-locking, special, 3/8 NC x 1 inch

2шт.

52

231-5146

FLANGE NUT,3/8"-16

2шт.

53

194493C2

SUPPORT

CHANNEL - belt guide, inner

1шт.

54

413-616

BOLT,Hex, 3/8" - 16 x 1", Gr 5

- hex, 3/8 NC x 1 inch

2шт.

56

185070C1

SUPPORT

- spring

1шт.

57

154273C1

BOLT,Hex Serr, 3/8" - 16 x 1", Spcl

- hex, self-locking, special, 3/8 NC x 1 inch

2шт.

58

231-5146

FLANGE NUT,3/8"-16

2шт.

60

185061C1

ROD

- tightener

1шт.

61

425-108

NUT,1/2" - 13, Gr 5

NUT, , Hex 1/2"-13, G5

2шт.

62

432-1216

COTTER PIN,3/16" x 1"

1шт.

63

495-81287

WASHER,13.49mm ID x 31.75mm OD x 3.4mm Thk

- flat, 17/32 x 1-1/4 x 7/64 inch

2шт.

64

391745R1

SPRING

- arm tightener

1шт.

65

194652C1

PIVOT

- rod

1шт.

66

193820C1

ROD

- retainer

1шт.

69

432-812

COTTER PIN,3/4" OAL x 1/8" W

PIN, SPLIT (COTTER), 1/8" x 3/4"

4шт.

70

495-81129

WASHER,13/32" x 3/4" x .120"

- flat, 13/32 x 3/4 x 7/64 inch

4шт.

71

191465C1

SUPPORT

- arm, tightener

1шт.

76

495-81039

WASHER,25/32" x 1 1/4" x .120"

- flat, 25/32 x 1-1/4 x 7/64 inch

2шт.

77

432-1620

COTTER PIN,1/4" x 1 1/4"

Pin, Split (Cotter), 1/4" x 1 1/4"

1шт.

78

185059C92

ARM ASSY.

ARM ASSEMBLY - tightener, Includes: Ref. 79 - 83

1шт.

79

382638R2

BUSHING,19.07mm ID x 22.24mm OD x 19.05mm L

- arm, 3/4 ID x 7/8 OD x 3/4 inch wide

2шт.

80

1302225C1

BUSHING

- arm, 3/8 ID x 1/2 OD x 3/4 inch wide

1шт.

83

219-87

LUBE NIPPLE,1/4" - 28 NPTF

NIPPLE, LUBE, 1/4"-28 x .56" lg, Self-Tap

1шт.

84

194894C1

ROD

- belt, upper

1шт.

Выбрано товаров: 25