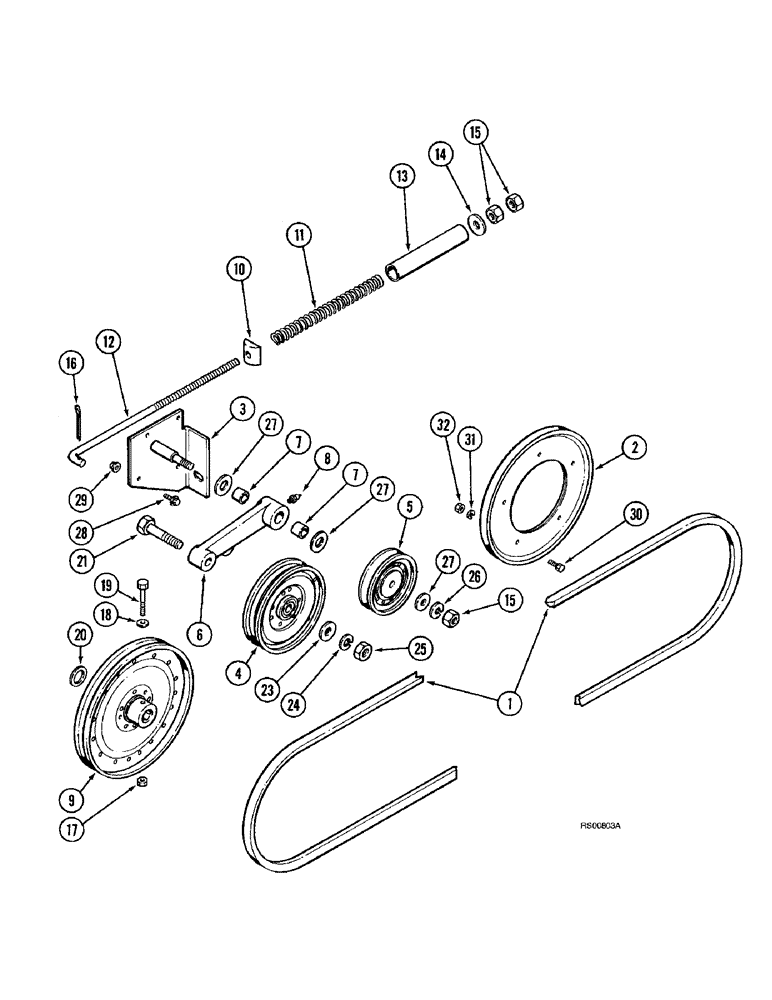
Запчасти Case IH 1680 (9F-04) - STRAW SPREADER, DRIVE (19) - STRAW SPREADER & CHOPPER

Схема запчастей Case IH 1680 - (9F-04) - STRAW SPREADER, DRIVE (19) - STRAW SPREADER & CHOPPER
28
19
1
11
25
15
27
32
2
21
24
20
16
31
13
29
23
27
18
9
30
5
17
8
7
14
10
27
12
15
7
26
4
6
3
FIT
1:1
100%

Артикул

Название

Примечание

Количество

1

196371C1

BELT,0.630" W x 222.59" L

V-BELT , Straw spreader drive 0.630" W x 222.59" L

1шт.

2

566516R92

PULLEY,256.46mm OD

- drive, 9-3/4 inch OD

1шт.

3

1315275C1

SUPPORT ASSY.

SUPPORT - drive tightener

1шт.

4

181126C91

PULLEY

- drive, 7-3/4 inch OD

1шт.

5

1315269C1

PULLEY

- drive, 4-3/8 inch OD

1шт.

6

181153C91

LEVER ASSY.

LEVER ASSEMBLY - tightener arm, Includes: Ref. 7

1шт.

7

165704C1

BUSHING

- tightener lever

2шт.

8

219-87

LUBE NIPPLE,1/4" - 28 NPTF

NIPPLE, LUBE, 1/4"-28 x .56" lg, Self-Tap

1шт.

9

181196C2

PULLEY

- driven, 10 inch OD

1шт.

10

194652C1

PIVOT

- rod

1шт.

11

1315223C1

SPRING

- spreader drive

1шт.

12

181152C1

ROD

- adjusting

1шт.

13

1315197C1

SPACER

- spreader drive

1шт.

14

495-81163

WASHER,17/32" x 1 1/2" x .120"

- flat, 17/32 x 1-1/2 x 7/64 inch

1шт.

15

425-108

NUT,1/2" - 13, Gr 5

NUT, , Hex 1/2"-13, G5

3шт.

16

432-816

COTTER PIN,1/8" x 1"

1/8" x 1"

1шт.

17

232-4115

LOCK NUT,5/16"-18, GC

NUT, LOCK, 5/16"-18, GC

1шт.

18

396-21034

WASHER,8.74mm ID x 17.48mm OD x 2.26mm Thk

- flat, 11/32 x 11/16 x 3/32 inch, hardened

1шт.

19

326-536

BOLT,Hex, 5/16" - 18 x 2-1/4", Gr 8

1шт.

20

495-81069

WASHER,1-1/32" ID x 1-1/2" OD x 3/50" Thk

- flat, 1-1/32 x 1-1/2 x 1/16 inch

6шт.

21

413-1048

BOLT,Hex, 5/8" - 11 x 3", Gr 5

1шт.

22

396-31081

WASHER,20.63mm ID x 38.1mm OD x 5.56mm Thk

2шт.

23

496-21066

WASHER,16.6mm ID x 33.5mm OD x 3.8mm Thk

- flat, 21/32 x 1-5/16 x 5/32 inch, hardened

1шт.

24

492-11062

BEARING WASHER,5/8"

WASHER, LOCK, 5/8"

1шт.

25

425-1010

NUT,5/8"-11, G5

1шт.

26

80679

LOCK WASHER,1/20.507 CST ZND

WASHER, LOCK, 1/2"

1шт.

27

496-21053

WASHER,17/32" x 1 1/16" x .134"

- flat, 17/32 x 1-1/16 x 1/8 inch, hardened

1шт.

28

409-7512

BOLT,Hex Flg, 5/16" - 18 x 3/4", Spcl

- hex serrated flange, 5/16 NC x 3/4 inch

3шт.

29

231-5145

SERRATED NUT,Flg, USR, 5/16"-18

NUT - hex serrated flange, 5/16 inch NC

3шт.

30

113-103

BOLT,Hex, 5/16" - 18 x 1", Gr 5

5шт.

31

492-11031

LOCK WASHER,5/16"

WASHER, LOCK, 5/16"

5шт.

32

425-105

NUT,5/16"-18, G5

- hex, 5/16 inch NC

5шт.

Выбрано товаров: 32