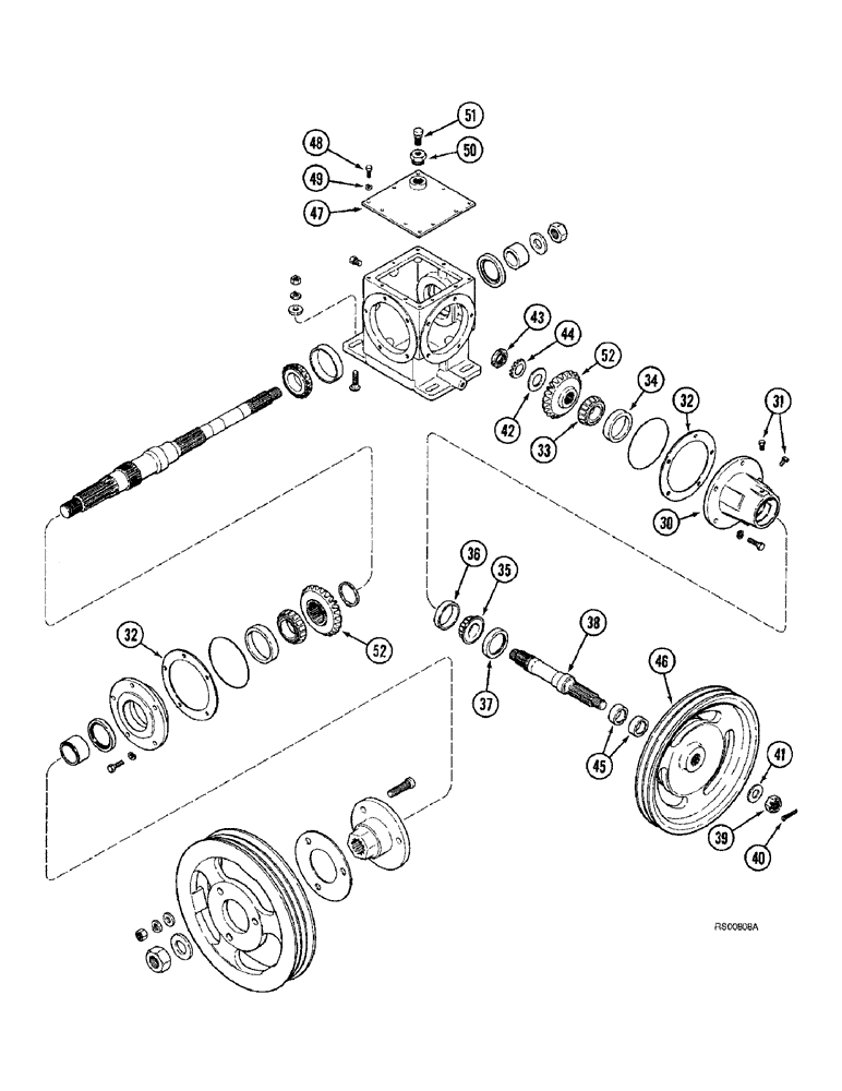
Запчасти Case IH 1680 (9F-14) - STRAW CHOPPER, GEAR HOUSING (CONTD) (19) - STRAW SPREADER & CHOPPER

Схема запчастей Case IH 1680 - (9F-14) - STRAW CHOPPER, GEAR HOUSING (CONTD) (19) - STRAW SPREADER & CHOPPER
34
40
33
35
47
32
52
39
41
51
37
31
50
42
48
44
45
52
43
30
49
36
38
46
32
FIT
1:1
100%

Артикул

Название

Примечание

Количество

30

191245C2

HUB

- bell

1шт.

31

217-84

PLUG,Hex Hd, 1/8"-27, Brass

- hex, 1/8 inch PT

1шт.

195484C2

SHIM KIT

KIT - shim, rear housing, Includes: Ref. 32

2шт.

32

NSS

NOT SOLD SEPARAT

SHIM - 0.005 inch

4шт.

32

NSS

NOT SOLD SEPARAT

SHIM - 0.007 inch

4шт.

32

NSS

NOT SOLD SEPARAT

SHIM - 0.020 inch

2шт.

33

ST2071

TAPERED BEARING,34.92mm ID x 23.81mm W

CONE - tapered roller bearing

1шт.

34

17498D

TAPERED BEARING," ID x 76.2125 mm OD x 23.9135 mm

CUP - tapered roller bearing

1шт.

35

618023R91

BEARING ASSY,34.93mm ID x 18.2mm W

CONE - tapered roller bearing, 1-3/8 inch ID

1шт.

36

618024R1

BEARING CUP,65.113mm OD x 13.97mm W

- Tapered roller

1шт.

37

192527C1

OIL SEAL,44.45mm ID x 69.95mm OD x 7.92mm Thk

- oil

1шт.

38

181195C1

SHAFT

- drive

1шт.

39

425-1314

SLOTTED NUT,7/8"-14, G5

NUT - hex, slotted, 7/8 inch NF

1шт.

40

432-828

COTTER PIN,1/8" x 1 3/4"

PIN, SPLIT (COTTER), 1/8" x 1 3/4"

1шт.

41

496-21094

WASHER,23.82mm ID x 44.45mm OD x 4.85mm Thk

1шт.

42

396-11119

WASHER,30.18mm ID x 57.15mm OD x 3.4mm Thk

- flat, 1-3/16 x 2-1/4 x 9/64 inch, hardened

1шт.

43

131-1056

BEARING LOCK NUT,Bearing, 1.1811" Bore

NUT - bearing lock, TN-O6

1шт.

44

55-2006

BEARING WASHER,Type TW-106

WASHER, LOCK, , Bearing lock Type TW-106

1шт.

45

181156C1

SPACER

- drive shaft

2шт.

46

1315264C1

PULLEY

- 7 and 14 inch OD

1шт.

47

181281C1

COVER

- gear housing

1шт.

48

413-512

BOLT,Hex, 5/16" - 18 x 3/4", Gr 5

- hex, 5/16 NC x 3/4 inch

10шт.

49

492-11031

LOCK WASHER,5/16"

WASHER, LOCK, 5/16"

10шт.

50

217-46

REDUCER,3/4" - 14 NPTF x 3/8" - 18 Fem NPTF

- 3/4 PT x 3/8 inch female PT

1шт.

51

219-436

BREATHER,3/8" - 18 NPT, Short, W/ Washer

- straight, 3/8 PT x 1-1/2 inch

1шт.

52

188814C1

BEVEL GEAR

GEAR - matched set, drive and driven, Includes: gears

1шт.

NSS

NOT SOLD SEPARAT

GEAR - 24 teeth

1шт.

NSS

NOT SOLD SEPARAT

GEAR - 23 teeth

1шт.

Выбрано товаров: 28