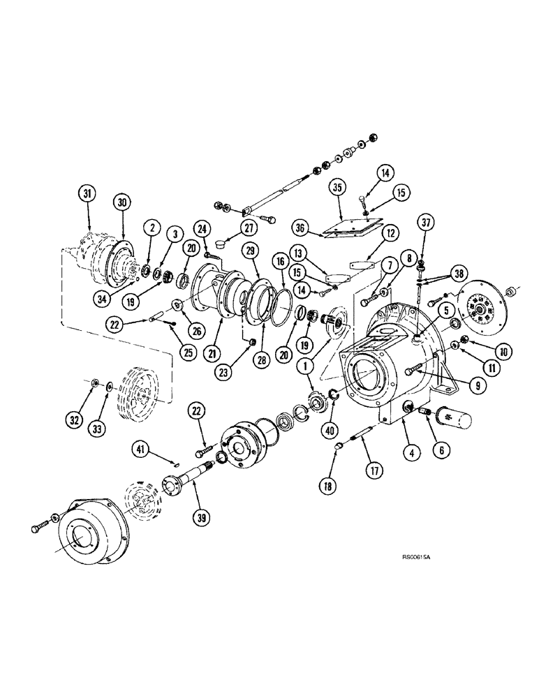
Запчасти Case IH 1680 (6-02) - POWER TAKEOFF DRIVE (03) - POWER TRAIN

Схема запчастей Case IH 1680 - (6-02) - POWER TAKEOFF DRIVE (03) - POWER TRAIN
19
24
20
36
17
15
15
3
37
19
40
9
39
31
5
14
25
12
32
20
29
4
11
16
7
28
10
23
26
30
38
34
33
41
2
18
35
1
6
13
21
27
22
8
14
22
FIT
1:1
100%

Артикул

Название

Примечание

Количество

1

191275C1

GEAR-SET

GEAR SET - separator drive, 43 and 28 teeth (matched set)

1шт.

2

191283C1

BEARING LOCK NUT

- bearing lock

1шт.

3

192-364

LOCK WASHER

WASHER - bearing lock, SAE No. TW-113

1шт.

4

188076C91

HOUSING

ASSEMBLY - engine PTO, Includes: Ref. 5 & 6

1шт.

5

188072C1

TUBE,25.4 mm OD, 127 mm Length

- dipstick, oil

1шт.

6

188214C1

FITTING

- housing filter

1шт.

7

413-852

BOLT,Hex, 1/2" - 13 x 3-1/4", Gr 5

- hex, 1/2 NC x 3-1/4 inch

2шт.

8

496-21053

WASHER,17/32" x 1 1/16" x .134"

- flat, 17/32 x 1-1/16 x 1/8 inch, hardened

2шт.

9

413-1072

BOLT,Hex, 5/8" - 11 x 4-1/2", Gr 5

4шт.

10

425-1010

NUT,5/8"-11, G5

4шт.

11

495-81259

WASHER,21/32" x 2" x .238"

- flat, 21/32 x 2 x 1/4 inch

4шт.

12

185057C2

GASKET,0.91mm Thk

- access cover

1шт.

13

185056C1

COVER

- bolt access hole

1шт.

14

413-612

BOLT,Hex, 3/8" - 16 x 3/4", Gr 5

6шт.

15

492-11038

LOCK WASHER,3/8"

6шт.

16

238-8267

O-RING,0.139" Thk x 8.234" ID, -267, Cl 8, 90 Duro

1шт.

17

221-200

PIPE

NIPPLE - pipe, 1/2 PT x 7 inch

1шт.

18

119101

CAP,1/2" NPT

- pipe, 1/2 inch NPT

1шт.

19

630694C1

BEARING CONE,64.98mm ID x 105mm OD x 24mm W

CONE - tapered roller bearing

2шт.

20

86577049

TAPERED BEARING,65mm ID x 105mm OD x 24mm W

CUP - tapered roller bearing

2шт.

21

188161C91

HOUSING

ASSEMBLY - separator drive clutch, Includes: Ref. 22 & 23

1шт.

22

195439C2

PIN,25.29mm OD x 101.6mm L

- clutch housing

1шт.

23

41-1616

PLUG,Cup, 1", Stainless

1шт.

24

426-620

BOLT,Hex, 3/8" - 16 x 1-1/4", Gr 8

10шт.

25

432-1624

COTTER PIN,1/4" x 1 1/2"

Pin, Split (Cotter), 1/4" x 1-1/2"

1шт.

26

495-81073

WASHER,1-1/32" x 1-3/4" x .060" Thk

- flat, 1-1/32 x 1-3/4 x 1/16 inch

4шт.

27

663906R1

CAP

- wheel hub

1шт.

28

188279C1

O-RING,0.139" Thk x 7.984" ID, -266, Cl 6, 90 Duro

- 8 ID x 1/8 inch wide

1шт.

188195C1

SHIM KIT

KIT - shim, Includes: Ref. 29

1шт.

29

NSS

NOT SOLD SEPARAT

SHIM - separator clutch housing, 0.005 inch

1шт.

29

NSS

NOT SOLD SEPARAT

SHIM - separator clutch housing, 0.007 inch

1шт.

29

NSS

NOT SOLD SEPARAT

SHIM - separator clutch housing, 0.010 inch

1шт.

29

NSS

NOT SOLD SEPARAT

SHIM - separator clutch housing, 0.030 inch

1шт.

30

188425C2

GASKET,0.79mm Thk

- clutch, Serial Range: housing-clutch

1шт.

31

181056C96

CLUTCH ASSEMBLY

- power takeoff, parts list Figure 6-06

1шт.

32

232-41320

LOCK NUT,1 1/4"-7, GC

NUT, LOCK, 1 1/4"-7, GC

1шт.

33

396-41131

WASHER,1 3/8" x 3" x 1/4", HDN

- flat, 1-3/8 x 3 x 1/4 inch, hardened

1шт.

34

238-6020

O-RING,0.07" Thk x 0.864" ID, -20, Cl 6, 90 Duro

1шт.

35

188451C1

COVER

- PTO housing

1шт.

36

191830C2

GASKET

- PTO cover

1шт.

37

186019C91

DIPSTICK

- PTO housing oil, Includes: Ref. 37

1шт.

38

238-5210

O-RING,0.139" Thk x 0.734" ID, -210, Cl 5, 75 Duro

2шт.

39

192816C2

SHAFT

- drive, PTO

1шт.

40

100-12200

SNAP RING,#200, Ext

Ring, Snap, #200, Ext

1шт.

41

126-176

WOODRUFF KEY,#128, 5/16" x 2-1/8", HT

5/16" x 2 1/8", HT

1шт.

Выбрано товаров: 45