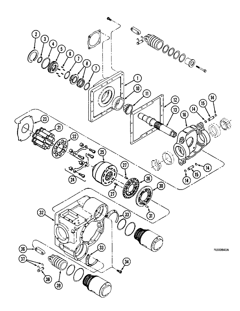
Запчасти Case IH 1680 (6-52) - HYDROSTATIC MOTOR, TWO SPEED, P.I.N. JJC0044502 AND AFTER (03) - POWER TRAIN

Схема запчастей Case IH 1680 - (6-52) - HYDROSTATIC MOTOR, TWO SPEED, P.I.N. JJC0044502 AND AFTER (03) - POWER TRAIN
14
26
38
39
23
8
33
15
21
34
24
27
31
2
7
15
5
12
30
27
25
32
14
10
4
22
37
3
14
6
36
1
33
16
14
7
11
13
FIT
1:1
100%

Артикул

Название

Примечание

Количество

1958084C1

MOTOR, HYDRAULIC

MOTOR ASSEMBLY - hydrostatic, two speed, new, no longer available, for service order 1958085C1 above, Includes: Ref. 1 - 39, 43 - 52 on Figure 6-54, 1 - 22 on Figure 6-56 and 23 - 30 on Figure 6-58

1шт.

1958085C1

REMAN-HYDROSTAT MOTO

Motor Assembly - hydrostatic, two speed, remanufactured, Includes: Ref. 1 - 39, 43 - 52 on Figure 6-54, 1 - 22 on Figure 6-56 and 23 - 30 on Figure 6-58

1шт.

1958086C1

CORE-HYDROSTAT MOTOR

Return Number - use this part number to return motor core for credit when using a remanufactured assembly

1шт.

1

NSS

NOT SOLD SEPARAT

FLANGE - mounting

1шт.

1346205C1

SEAL KIT

KIT - seal, shaft, four piece, Includes: Ref. 2 - 8

1шт.

2

606937C1

SNAP RING,2.835", Int, #281

Ring, Snap, 2.835", Int, #281

1шт.

3

S98648

O-RING

- 1-3/8 ID x 1/16 inch wide

1шт.

4

238-5145

O-RING,0.103" Thk x 2.55" ID, -145, Cl 5, 75 Duro

1шт.

5

NSS

NOT SOLD SEPARAT

RETAINER - seal

1шт.

6

NSS

NOT SOLD SEPARAT

SPRING - shaft seal

1шт.

7

238-5131

O-RING,0.103" Thk x 1.674" ID, -131, Cl 5, 75 Duro

2шт.

8

NSS

NOT SOLD SEPARAT

SEAL - shaft

1шт.

10

ST863

BEARING CUP,93.22mm OD x 23.81mm W

CUP - tapered roller bearing, housing

1шт.

11

56694H

BEARING ASSY,50.8mm ID x 30.3mm W

CONE - tapered roller bearing, input shaft

1шт.

12

142399C1

GASKET

- mounting flange

1шт.

13

1980137C1

SHAFT

ASSEMBLY - output

1шт.

14

28145R1

SNAP RING,#56, Ext

Ring, Snap, , servo linkage pin #56, Ext

4шт.

15

140766C1

PIN,14.22mm OD x 39.12mm L

- pivot

2шт.

16

1980174C1

HOUSING

PLATE - swash, variable

1шт.

1980175C1

KIT

- rotating, cylinder, Includes: Ref. 21 - 27

1шт.

21

NSS

NOT SOLD SEPARAT

PISTON - cylinder block

9шт.

22

NSS

NOT SOLD SEPARAT

PLATE - retainer

1шт.

23

NSS

NOT SOLD SEPARAT

PLATE - retainer, clear

1шт.

24

NSS

NOT SOLD SEPARAT

KIT - hold down

1шт.

25

NSS

NOT SOLD SEPARAT

BARREL - cylinder

1шт.

26

NSS

NOT SOLD SEPARAT

PLATE - bearing

1шт.

27

140754C1

PIN

- dowel, 5/16 x 5/8 inch

2шт.

30

1980139C1

PLATE

- valve

1шт.

31

140754C1

PIN

- dowel, 5/16 x 5/8 inch

1шт.

32

NSS

NOT SOLD SEPARAT

HOUSING - motor

1шт.

33

142408C1

RETAINER

- servo

2шт.

34

461-3086

HEX SOC SCREW,#8 - 32 x 3/8"

BOLT - hex socket, No. 8 NC x 3/8 inch

6шт.

145309C1

PISTON

ASSEMBLY - servo, Includes: Ref. 36 - 39

1шт.

36

NSS

NOT SOLD SEPARAT

LINK - piston servo

1шт.

37

NSS

NOT SOLD SEPARAT

RING - retaining

2шт.

38

NSS

NOT SOLD SEPARAT

PIN - link

1шт.

39

NSS

NOT SOLD SEPARAT

PISTON - servo

1шт.

Выбрано товаров: 37