Запчасти Case IH 1680 (6-54) - HYDROSTATIC MOTOR, TWO SPEED, P.I.N. JJC0044502 AND AFTER (CONTD) (03) - POWER TRAIN

Схема запчастей Case IH 1680 - (6-54) - HYDROSTATIC MOTOR, TWO SPEED, P.I.N. JJC0044502 AND AFTER (CONTD) (03) - POWER TRAIN
45
48
44
46
47
49
50
51
57
52
43
51
52
56
50
FIT
1:1
100%

Артикул

Название

Примечание

Количество

REF

INSTRUCTION

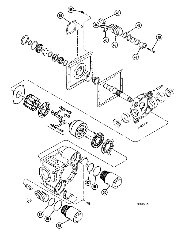
MOTOR ASSEMBLY - hydrostatic two speed, 43 - 52, 1 - 39 on Figure 6-52, 1 - 22 on Figure 6-56 and 23 - 3 on Figure 6-58

1шт.

145308C1

PISTON

ASSEMBLY - servo, Includes: Ref. 43 - 49

1шт.

43

NSS

NOT SOLD SEPARAT

LINK - piston servo

1шт.

44

NSS

NOT SOLD SEPARAT

RING - retaining

2шт.

45

NSS

NOT SOLD SEPARAT

PIN - link

1шт.

46

NSS

NOT SOLD SEPARAT

PISTON - servo

1шт.

47

NSS

NOT SOLD SEPARAT

SHIM - servo piston

4шт.

48

NSS

NOT SOLD SEPARAT

SPACER - servo piston

1шт.

49

NSS

NOT SOLD SEPARAT

BOLT - hex, Serial Range: spacer-piston

1шт.

50

142407C1

KIT

SLEEVE - servo

2шт.

51

238-5237

O-RING,0.139" Thk x 3.359" ID, -237, Cl 5, 75 Duro

2шт.

52

238-5234

O-RING,0.139" Thk x 2.984" ID, -234, Cl 5, 75 Duro

2шт.

56

413-720

BOLT,Hex, 7/16" - 14 x 1-1/4", Gr 5

- hex, 7/16 NC x 1-1/4 inch

12шт.

57

166506C1

GASKET,0.81mm Thk

- mounting

1шт.

Выбрано товаров: 14