Запчасти Case IH 1680 (6-58) - HYDROSTATIC MOTOR, VALVE BLOCK, TWO SPEED (CONTD) (03) - POWER TRAIN

Схема запчастей Case IH 1680 - (6-58) - HYDROSTATIC MOTOR, VALVE BLOCK, TWO SPEED (CONTD) (03) - POWER TRAIN
25
23
27
28
27
23
24
26
26
29
24
30
25
FIT
1:1
100%

Артикул

Название

Примечание

Количество

REF

INSTRUCTION

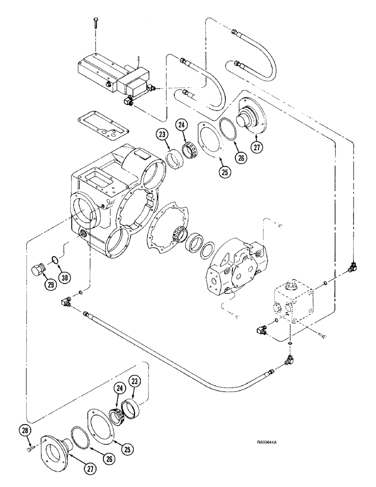
MOTOR ASSEMBLY - hydrostatic, two speed, Includes: Ref. 23 - 30, 1 - 39 on Figure 6-52, 43 - 52 on Figure 6-54 and 1 - 22 on Figure 6-56

1шт.

23

399934C1

BEARING CUP,73.43mm OD x 15.75mm W

CUP - tapered roller bearing, 2-57/64 inch OD

2шт.

24

399933C91

ROLLER BEARING,45.24mm ID x 19.81mm W

CONE - tapered roller bearing, 1-25/32 inch ID

2шт.

142386C91

SHIM KIT

KIT - shim, Includes: Ref. 25

1шт.

25

NSS

NOT SOLD SEPARAT

SHIM - 0.002 inch (6 in kit)

1шт.

25

NSS

NOT SOLD SEPARAT

SHIM - 0.005 inch (4 in kit)

1шт.

25

NSS

NOT SOLD SEPARAT

SHIM - 0.010 inch (4 in kit)

1шт.

25

NSS

NOT SOLD SEPARAT

SHIM - 0.015 inch (4 in kit)

1шт.

25

NSS

NOT SOLD SEPARAT

SHIM - 0.025 inch (4 in kit)

1шт.

26

238-5234

O-RING,0.139" Thk x 2.984" ID, -234, Cl 5, 75 Duro

2шт.

27

NSS

NOT SOLD SEPARAT

TRUNNION - motor

2шт.

28

413-714

BOLT,Hex, 7/16" - 14 x 7/8", Gr 5

- hex, 7/16 NC x 7/8 inch

6шт.

29

218-5158

PLUG,Hex Hd, 1 1/16"-12 ORB

- hex, 1-1/16-12 inch O-ring boss

1шт.

30

237-6012

O-RING,0.116" Thk x 0.924" ID, -912, Cl 6, 90 Duro

12-1, 90 Duro, .924 ID x .116" Thk

1шт.

Выбрано товаров: 0