Запчасти Case IH 1680 (6-68) - TRANSMISSION, DIFFERENTIAL PINION SHAFT AND GEARS (03) - POWER TRAIN

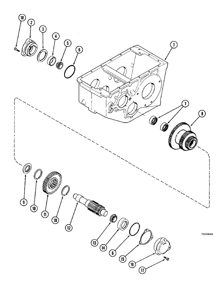
Схема запчастей Case IH 1680 - (6-68) - TRANSMISSION, DIFFERENTIAL PINION SHAFT AND GEARS (03) - POWER TRAIN
18
6
6
1
15
2
4
16
14
11
7
10
9
17
3
5
12
10
13
8
FIT
1:1
100%

Артикул

Название

Примечание

Количество

1

401873R2

HOUSING

- transmission, See Figure 6-66

1шт.

2

188893C1

BEARING COVER,59.75 mm ID x 101.51 mm OD x 47.5 mm

HOUSING - bearing

1шт.

3

530704R2

THRUST WASHER,74.42mm ID x 99.06mm OD x 1.65mm Thk

- thrust

1шт.

4

131312C1

BEARING CUP

CUP - tapered roller bearing, 2-27/32 inch OD

1шт.

5

871244R1

ROLLER BEARING

CONE - tapered roller bearing

1шт.

6

238-5240

O-RING,0.139" Thk x 3.734" ID, -240, Cl 5, 75 Duro

2шт.

7

A61415

NEEDLE BEARING,Needle, 53.96mm ID x 63.51mm OD x 25.4mm W

BEARING - needle

2шт.

8

530699R1

PINION

GEAR - spool, 59, 39 and 27 teeth

1шт.

9

401879R1

SPACER,54.1mm ID x 79.2mm OD x 6.28mm L

- spool gear

1шт.

10

196693H1

RING

- snap, change gear

2шт.

11

130752C1

GEAR

- change driven, 39 teeth

1шт.

11

130750C1

GEAR

- change driven, 42 teeth

1шт.

12

401878R1

SHAFT

- pinion, 14 teeth

1шт.

13

ST791

TAPERED BEARING,1.6255" ID x 3.376" OD x 1.202"

CONE - tapered roller bearing

1шт.

14

ST951

TAPERED BEARING,1.6255" ID x 3.376" OD x 1.202"

CUP - tapered roller bearing

1шт.

15

401883R1

SHIM

- .003 inch thick

1шт.

15

401884R2

SHIM,102mm ID x 110mm OD x 0.13mm Thk

(0.005") 0.127mm Thk

1шт.

15

401885R2

SHIM,102mm ID x 110mm OD x 0.18mm Thk

(0.007") 0.178mm Thk

1шт.

15

184195C2

SHIM,102mm ID x 110mm OD x 0.76mm Thk

(0.030") 0.762mm Thk

1шт.

16

403363R1

BEARING CAP,73.4 mm ID x 101.5 mm OD x 54.1 mm

CAGE - bearing

1шт.

17

413-622

BOLT,Hex, 3/8" - 16 x 1-3/8", Gr 5

- hex, 3/8 NC x 1-3/8 inch

3шт.

18

413-612

BOLT,Hex, 3/8" - 16 x 3/4", Gr 5

3шт.

Выбрано товаров: 0