Запчасти Case IH 1680 (5-034) - WHEEL MOTOR FLUSH SYSTEM, POWER GUIDE AXLE, P.I.N. JJC0047918 & AFTER (04) - STEERING

Схема запчастей Case IH 1680 - (5-034) - WHEEL MOTOR FLUSH SYSTEM, POWER GUIDE AXLE, P.I.N. JJC0047918 & AFTER (04) - STEERING
3
11
1
15
8
13
6
10
4
1
4
5
7
9
12
5
3
FIT
1:1
100%

Артикул

Название

Примечание

Количество

1

REF

INSTRUCTION

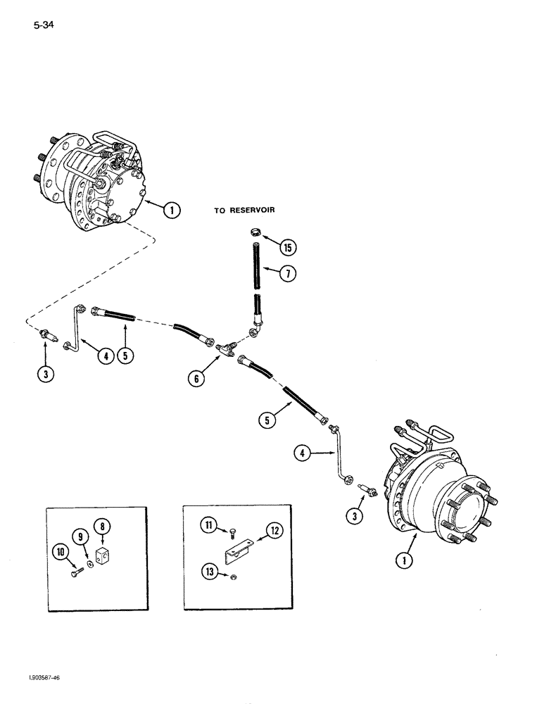
MOTOR ASSEMBLY - drive (See Figures 5-56 or 5-58)

2шт.

3

1346974C1

FITTING

ADAPTER - flush port

2шт.

4

1346971C1

TUBE

ASSEMBLY - motor flush (Corn and Grain)

2шт.

4

1347181C1

TUBE

ASSEMBLY - motor flush (Rice)

2шт.

5

1346969C1

HYDRAULIC HOSE,9.52 mm ID x 1803.40 mm

- Assy, Wheel motor flush 9.52 mm ID x 1803.40 mm

2шт.

6

218-805

TEE,3/4"-16, 37 Degree, Blkhd

- 3/4-16 inch thread bulkhead

1шт.

7

1979706C1

HOSE

ASSEMBLY - case flush

1шт.

8

1347182C1

CLAMP

- flush tube (Corn and Grain)

2шт.

8

1347183C1

CLAMP

- flush tube (Rice)

2шт.

9

495-11053

WASHER,1/2", SAE

(17/32" x 1-1/16" x 5/64") (Corn and Grain) 1/2", SAE

2шт.

9

495-11066

WASHER,5/8", SAE

- flat, 21/32 x 1-5/16 x 3/32 inch (Rice)

2шт.

10

614-12040

BOLT,Hex, M12 x 1.75 x 40mm, Cl 8.8, Full Thd

- hex, 12 - 1.75 x 40 mm (Corn and Grain)

2шт.

10

614-16040

BOLT,Hex, M16 x 2 x 40mm, Cl 8.8, Full Thd

(Rice) Hex, M16 x 40, 8.8

2шт.

11

426-616

BOLT,Hex, 3/8" - 16 x 1", Gr 8

1шт.

12

1347068C1

SUPPORT

BRACKET - support, flush tee

1шт.

13

131-1216

LOCK NUT,3/8"-16, GC

NUT, LOCK, 3/8"-16, GC

2шт.

15

214-274

HOSE CLAMP,#04, 0.25" - 0.62", Type F Worm

1шт.

Выбрано товаров: 17