Запчасти Case IH 1680 (5-056) - WHEEL DRIVE MOTOR ASSY, PWR GUIDE AXLE, CORN & GRAIN COMBINE RICE COMBINE PRIOR TO P.I.N. JJC0047918 (04) - STEERING

Схема запчастей Case IH 1680 - (5-056) - WHEEL DRIVE MOTOR ASSY, PWR GUIDE AXLE, CORN & GRAIN COMBINE RICE COMBINE PRIOR TO P.I.N. JJC0047918 (04) - STEERING
6
35
41
2
29
13
39
1
28
44
5
43
42
25
34
19
21
26
27
45
40
20
12
8
32
11
17
36
FIT
1:1
100%

Артикул

Название

Примечание

Количество

1970137C2

MOTOR, HYDRAULIC

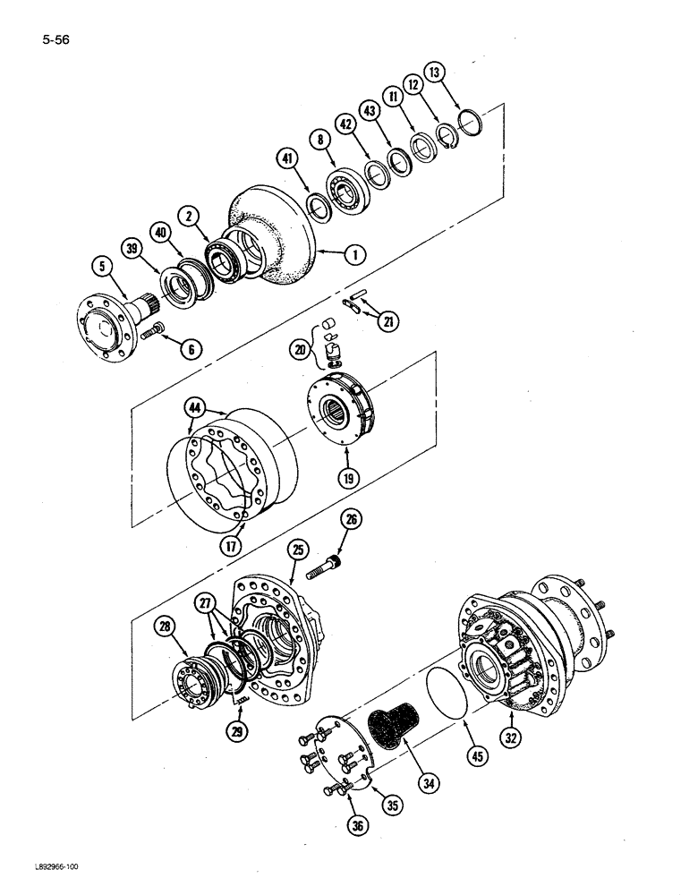
MOTOR ASSEMBLY - drive, wheel, Includes: Ref. 1 - 45

1шт.

87300716R

REMAN-HYDROSTAT MOTO

1680 - CASE IH AXIAL-FLOW COMBINE (S/N JJC0045689 & AFTER) - 1/86-12/92, Reman For New P/N's 1970137C2 & 87300716

1шт.

87300716C

CORE-HYDROSTAT MOTOR

Return Number

1шт.

1

NSS

NOT SOLD SEPARAT

HOUSING - support, bearing

1шт.

2

NSS

NOT SOLD SEPARAT

BEARING - outer, housing

1шт.

Randy Minier at Fluidrive, will not allow the dealers or the costumers to tamper with the bearings as they are pre-set and are pressed in at a tolerance that most field service people can not do.they will provide service if dealers contact them direct. Dealer was advised to contact vendor at 1-800-348-2474.

1шт.

5

NSS

NOT SOLD SEPARAT

SHAFT - hub, wheel

1шт.

6

1970151C1

STUD

- wheel

8шт.

8

NSS

NOT SOLD SEPARAT

BEARING - inner, housing

1шт.

Randy Minier at Fluidrive, will not allow the dealers or the costumers to tamper with the bearings as they are pre-set and are pressed in at a tolerance that most field service people can not do.they will provide service if dealers contact them direct. Dealer was advised to contact vendor at 1-800-348-2474.

1шт.

11

NSS

NOT SOLD SEPARAT

SPACER - retainer, ring

1шт.

12

NSS

NOT SOLD SEPARAT

RING - snap

1шт.

13

NSS

NOT SOLD SEPARAT

RETAINER - snap ring

1шт.

17

NSS

NOT SOLD SEPARAT

RING - cam

1шт.

19

NSS

NOT SOLD SEPARAT

BLOCK ASSEMBLY- cylinder

1шт.

20

NSS

NOT SOLD SEPARAT

PISTON KIT - block

10шт.

21

NSS

NOT SOLD SEPARAT

RETAINER KIT - piston

1шт.

25

NSS

NOT SOLD SEPARAT

COVER - distribution

1шт.

26

NSS

NOT SOLD SEPARAT

BOLT - retainer, cover

16шт.

27

1978004C1

SEAL KIT

- block

1шт.

28

NSS

NOT SOLD SEPARAT

BLOCK - valve

1шт.

29

NSS

NOT SOLD SEPARAT

SPRING - pressure, valve block

8шт.

32

NSS

NOT SOLD SEPARAT

HOUSING - motor, wheel

1шт.

34

1970394C1

CASE

ACCUMULATOR - housing, motor

1шт.

35

1978005C1

COVER

PLATE - cover

1шт.

36

NSS

NOT SOLD SEPARAT

BOLT - retainer, cover plate

8шт.

1978008C1

SEAL KIT

- wheel motor, Includes: Ref. 39 - 45

1шт.

39

NSS

NOT SOLD SEPARAT

DEFLECTOR - shaft

1шт.

40

NSS

NOT SOLD SEPARAT

SEAL - grease

1шт.

41

NSS

NOT SOLD SEPARAT

SEAL - inner, shaft

1шт.

42

NSS

NOT SOLD SEPARAT

WASHER - shim, support

1шт.

43

NSS

NOT SOLD SEPARAT

SHIM KIT - bearing

1шт.

44

NSS

NOT SOLD SEPARAT

O-RING - cam

2шт.

45

238-5162

O-RING,0.103" Thk x 5.737" ID, -162, Cl 5, 75 Duro

1шт.

Выбрано товаров: 0