Запчасти Case IH 1680 (5-058) - WHEEL DRIVE MOTOR ASSEMBLY, POWER GUIDE AXLE, RICE COMBINE, P.I.N. JJC0047918 & AFTER (04) - STEERING

Схема запчастей Case IH 1680 - (5-058) - WHEEL DRIVE MOTOR ASSEMBLY, POWER GUIDE AXLE, RICE COMBINE, P.I.N. JJC0047918 & AFTER (04) - STEERING
28
44
11
5
32
19
2
20
43
27
30
47
25
41
12
42
35
17
34
39
6
45
21
13
26
40
8
29
1
36
FIT
1:1
100%

Артикул

Название

Примечание

Количество

1979869C1

MOTOR, HYDRAULIC

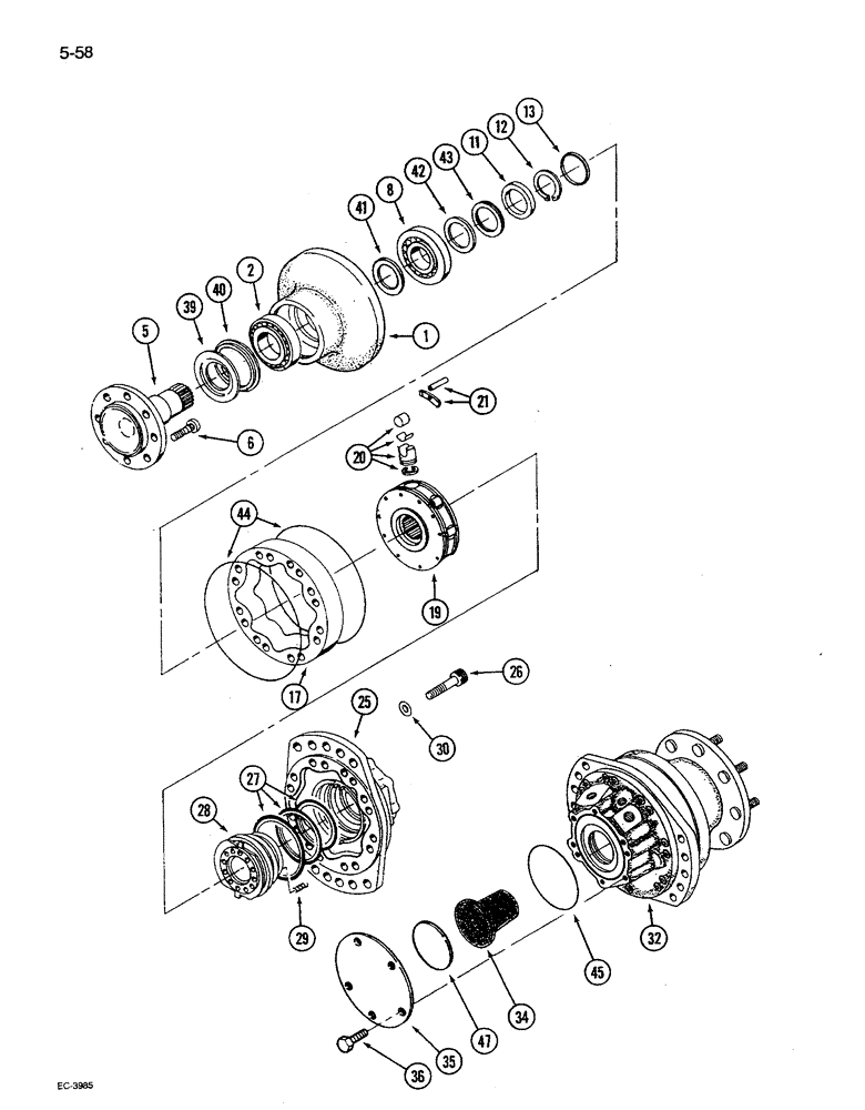
MOTOR ASSEMBLY - drive, wheel, Includes: Ref. 1 - 47

1шт.

1

NSS

NOT SOLD SEPARAT

HOUSING - support, bearing

1шт.

2

NSS

NOT SOLD SEPARAT

BEARING - outer, housing

1шт.

305408A1

1шт.

5

NSS

NOT SOLD SEPARAT

SHAFT - hub, wheel

1шт.

6

1970151C1

STUD

- wheel

10шт.

8

NSS

NOT SOLD SEPARAT

BEARING - inner, housing

1шт.

11

NSS

NOT SOLD SEPARAT

SPACER - retainer, ring

1шт.

12

NSS

NOT SOLD SEPARAT

RING - snap

1шт.

13

NSS

NOT SOLD SEPARAT

RETAINER - snap ring

1шт.

17

NSS

NOT SOLD SEPARAT

RING - cam

1шт.

19

NSS

NOT SOLD SEPARAT

BLOCK ASSEMBLY- cylinder

1шт.

20

NSS

NOT SOLD SEPARAT

PISTON KIT - block

10шт.

21

NSS

NOT SOLD SEPARAT

RETAINER KIT - piston

1шт.

25

NSS

NOT SOLD SEPARAT

COVER - distribution

1шт.

26

426-1432

BOLT,Hex, 7/8" - 9 x 2", Gr 8

- hex, 7/8 x 2 inch

16шт.

27

1986737C1

SEAL KIT

- block

1шт.

28

NSS

NOT SOLD SEPARAT

BLOCK - valve

1шт.

29

NSS

NOT SOLD SEPARAT

SPRING - pressure, valve block

8шт.

30

496-11094

WASHER,0.94" ID x 1.75" OD x 0.13" Thk

- flat, 15/16 x 1/34 x 1/8 inch

16шт.

32

NSS

NOT SOLD SEPARAT

HOUSING - motor, wheel

1шт.

34

1970394C1

CASE

ACCUMULATOR - housing, motor

1шт.

35

1347321C1

COVER

PLATE - cover

1шт.

36

NSS

NOT SOLD SEPARAT

BOLT - retainer, cover plate

8шт.

1986738C1

SEAL KIT

SEAL KIT - wheel motor, Includes: Ref. 39 - 45

1шт.

39

NSS

NOT SOLD SEPARAT

DEFLECTOR - shaft

1шт.

40

NSS

NOT SOLD SEPARAT

SEAL - grease

1шт.

41

NSS

NOT SOLD SEPARAT

SEAL - inner, shaft

1шт.

42

NSS

NOT SOLD SEPARAT

WASHER - shim, support

1шт.

43

NSS

NOT SOLD SEPARAT

SHIM KIT - bearing

1шт.

44

NSS

NOT SOLD SEPARAT

O-RING - cam

2шт.

45

238-5162

O-RING,0.103" Thk x 5.737" ID, -162, Cl 5, 75 Duro

1шт.

47

1347320C1

SPACER

- wheel

1шт.

Выбрано товаров: 33