Запчасти Case IH 1680 (4-076) - FEEDER REVERSER MOTOR ASSEMBLY (06) - ELECTRICAL

Схема запчастей Case IH 1680 - (4-076) - FEEDER REVERSER MOTOR ASSEMBLY (06) - ELECTRICAL
38
30
8
6
35
28
19
31
14
15
24
32
26
5
13
43
40
18
42
25
21
22
34
17
27
23
41
4
7
16
9
12
1
37
20
39
10
29
33
36
11
2
3
FIT
1:1
100%

Артикул

Название

Примечание

Количество

245927C91

STARTING MOTOR

MOTOR ASSEMBLY - feeder reverser, Includes: Ref. 1 - 43

1шт.

245927C93R

REMAN-STARTER

Reman for New PN 245927C91

1шт.

245927C93C

CORE-STARTER

Return Number

1шт.

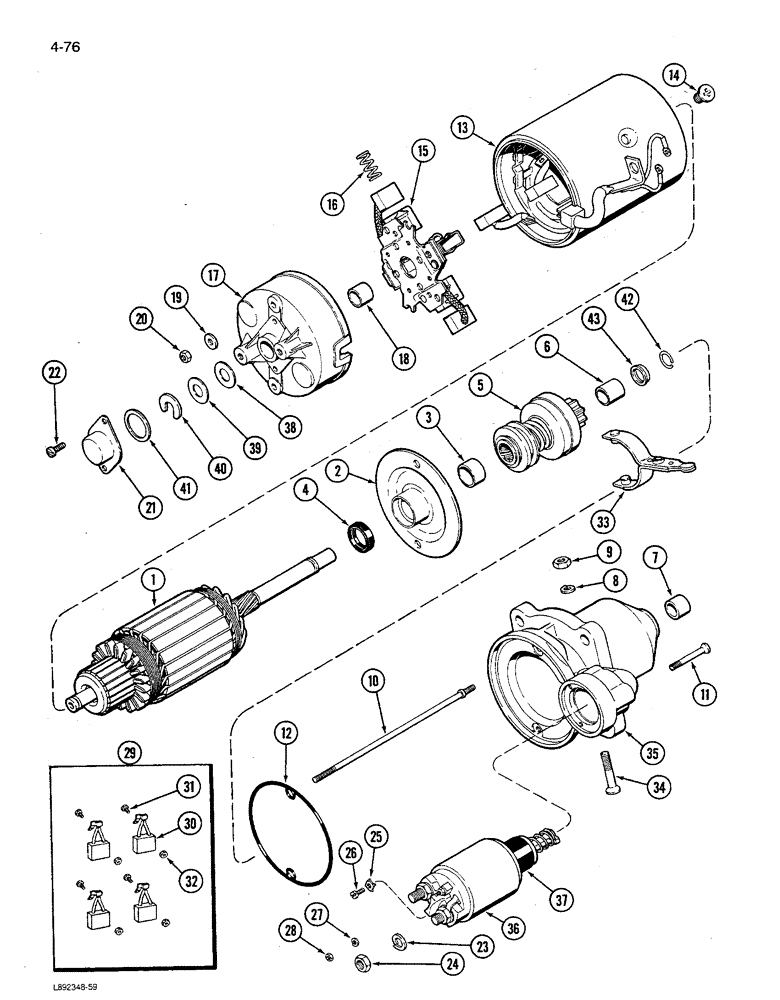
1

A186232

ARMATURE

- motor

1шт.

2

A186233

HOUSING

BEARING - plate

1шт.

3

3079432R1

BUSHING

- clutch

1шт.

4

A186234

SEAL

- plate

1шт.

5

A186235

DRIVE,Starter

- drive

1шт.

6

3079254R1

BUSHING

- clutch

2шт.

7

3055738R1

BUSHING

- frame

1шт.

8

3053133R1

SEALING RING,M8 x 11.5 x 1

RING - fork pivot

1шт.

9

691265C1

NUT

- fork pivot

1шт.

10

3079172R1

STUD

- retaining

2шт.

11

A186236

SCREW,Torx, M5 x 45mm

- retaining

3шт.

12

A186237

RETAINER

RING - plate

1шт.

13

A186238

COIL

- field

1шт.

14

3129639R1

SCREW

- field coil

4шт.

15

3079174R1

HOLDER

- brush

1шт.

A HOLDER THAT TAKES 1" BRUSH is K260713 IF YOU NEED ONE THAT TAKES A 5/8" BRUSH ORDER K965157.

1шт.

16

3079420R1

SPRING

- brush

4шт.

17

A186239

COVER

SHIELD - holder

1шт.

18

3079170R1

BUSHING

- holder

1шт.

19

3079176R1

WASHER

- flat

2шт.

20

829-1306

NUT,M6, Cl 10

- hex, 6 mm

2шт.

21

3079177R1

CAP

- holder

1шт.

22

3079426R1

SCREW

- fillister head, 5/16 inch

2шт.

23

A186240

WASHER

- lock

2шт.

24

825-1410

NUT,M10, Cl 8

2шт.

25

A186241

CLAMP

- saddle, cable

1шт.

26

K965151

SCREW

- saddle clamp

1шт.

27

A186243

WASHER

- lock

2шт.

28

933824R1

THIN NUT,Thin, M4 x .5, Cl 04

- hex, 4 mm

2шт.

29

3079359R91

BRUSH, COMMUTATOR

BRUSH KIT - motor, Includes: Ref. 30 - 32

1шт.

30

NSS

NOT SOLD SEPARAT

BRUSH - motor

4шт.

31

NSS

NOT SOLD SEPARAT

SCREW - brush

4шт.

32

NSS

NOT SOLD SEPARAT

NUT - brush

4шт.

33

3078965R1

LEVER

FORK - clutch drive

1шт.

34

3079430R1

BOLT,Flat

SCREW - fork pivot

1шт.

35

A186246

FRAME

- drive end

1шт.

36

A186244

SWITCH

SOLENOID - switch

1шт.

37

A186245

DIAPHRAGM

DIAPHRAM - solenoid

1шт.

38

NSS

NOT SOLD SEPARAT

SHIM - (Order kit 3079555R91)

1шт.

39

NSS

NOT SOLD SEPARAT

SHIM - (Order kit 3079555R91)

1шт.

40

NSS

NOT SOLD SEPARAT

WASHER - locking (Order kit 3079555R91)

1шт.

41

NSS

NOT SOLD SEPARAT

RING - seal (Order kit 3079555R91)

1шт.

42

NSS

NOT SOLD SEPARAT

RETAINER - (Order kit 3079555R91)

1шт.

43

NSS

NOT SOLD SEPARAT

RING - stop (Order kit 3079555R91)

1шт.

3079555R91

PACKAGE

SMALL PARTS KIT - motor

1шт.

Выбрано товаров: 48