Запчасти Case IH 1680 (4-088) - ALTERNATOR MOUNTING (06) - ELECTRICAL

Схема запчастей Case IH 1680 - (4-088) - ALTERNATOR MOUNTING (06) - ELECTRICAL
12
2
14
17
16
4
10
15
13
5
11
31
20
8
9
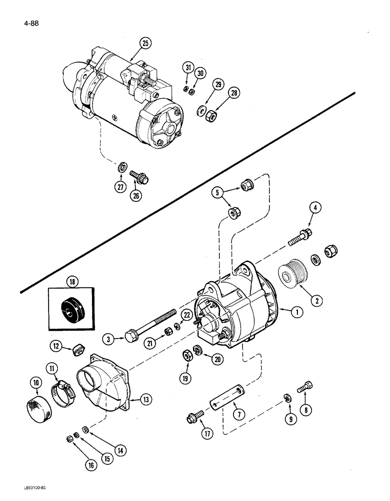
1
25
3
26
19
22
28
7
30
29
21
27
18
FIT
1:1
100%

Артикул

Название

Примечание

Количество

1

REF

INSTRUCTION

ALTERNATOR ASSEMBLY - engine (See Figure 4-90)

1шт.

2

REF

INSTRUCTION

PULLEY - drive, alternator (See Figure 4-90)

1шт.

3

854-12065

BOLT,Hvy Hex, M12 x 65mm, Cl 10.9

- hex flange, 12 x 65 mm

1шт.

4

854-12050

BOLT,Hvy Hex, M12 x 50mm, Cl 10.9

1шт.

5

829-2312

FLANGE NUT,M12 x 1.75, Flg, Cl 10

- hex flange, 12 mm - 1.75, class 10

2шт.

7

J911485

SUPPORT

BRACE - alternator

1шт.

8

614-8030

BOLT,Hex, M8 x 1.25 x 30mm, Cl 8.8, Full Thd

HH, CL 8.8, M8 x 1.25 x 30

1шт.

9

892-11008

LOCK WASHER,8mm ID

WASHER, LOCK, M8

1шт.

10

1979627C1

COVER

SCREEN - alternator cover

1шт.

11

681209C1

HOSE CLAMP,#32, 1.56/2.50 Type F Worm, W/liner

CLAMP - hose, No. 32 type F

1шт.

12

1964826C1

GROMMET

- alternator

1шт.

13

1338890C1

COVER

- end cover, alternator

1шт.

14

495-31025

WASHER,3/16"

- flat, 1/4 x 9/16 x 1/16 inch

4шт.

15

892-1105

LOCK WASHER,M5

WASHER - lock, 5 mm

4шт.

16

825-1405

NUT,M5, Cl 8

- hex, 5 mm, Grade 10

4шт.

17

121-426

BOLT,Hex Flg, 1/2"-13 x 1 1/4", G8, Full Thd

1шт.

18

86982772

GROMMET

- rubber (If equipped)

1шт.

19

425-147

JAM NUT,Jam, 7/16"-14, G5

- hex jam, 7/16 inch NC

1шт.

20

492-11044

LOCK WASHER,7/16"

WASHER, LOCK, 7/16"

1шт.

21

825-1104

NUT,M4, Cl 8

- hex, 4 mm

1шт.

22

892-11004

LOCK WASHER,M4

WASHER, LOCK, M4

1шт.

25

REF

INSTRUCTION

STARTER ASSEMBLY - engine (See Figure 4-92), starter mounting

1шт.

26

31242R1

12 PT SCREW,M12 x 35mm, Cl 12.9

BOLT - 12 point flange head, 12 x 35 mm, starter mounting

3шт.

27

892-11012

LOCK WASHER,M12

WASHER, LOCK, , Starter Mounting M12

3шт.

28

425-108

NUT,1/2" - 13, Gr 5

NUT, , Hex, Starter mounting 1/2"-13, G5

1шт.

29

495-11053

WASHER,1/2", SAE

(17/32" x 1-1/16" x 5/64"), Starter mounting 1/2", SAE

1шт.

30

225-14210

NUT,#10-32

Starter mounting #10-32

1шт.

31

492-11010

LOCK WASHER,#10

WASHER, LOCK, , Starter mounting #10

1шт.

Выбрано товаров: 28