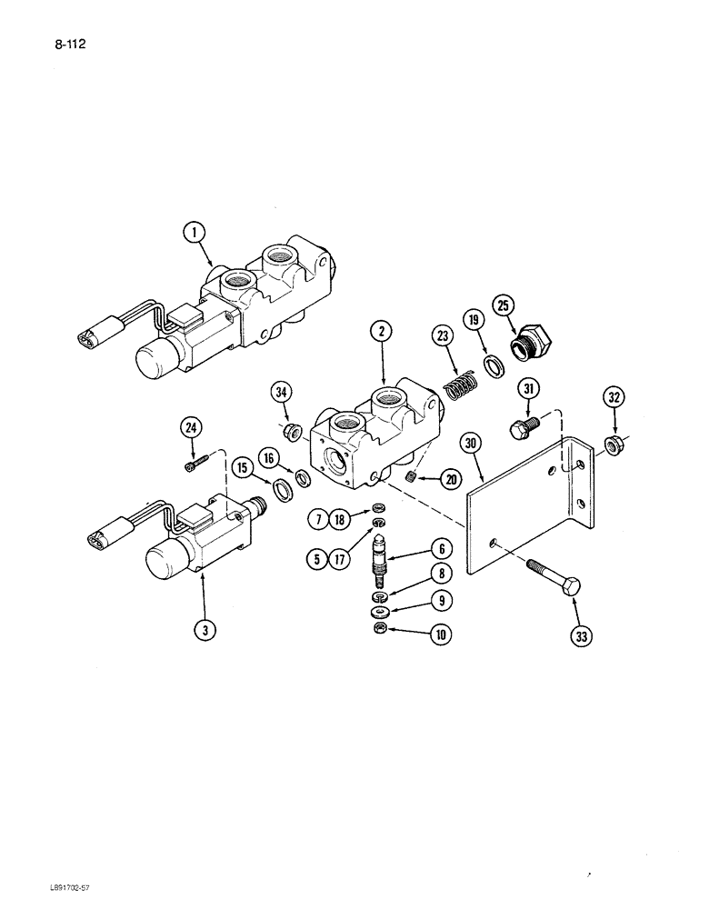
Запчасти Case IH 1680 (8-112) - HYDRAULIC REEL DRIVE VALVE ASSEMBLY AND MOUNTING (07) - HYDRAULICS

Схема запчастей Case IH 1680 - (8-112) - HYDRAULIC REEL DRIVE VALVE ASSEMBLY AND MOUNTING (07) - HYDRAULICS
18
24
16
34
9
23
3
32
7
19
10
15
5
20
25
2
1
33
17
30
8
6
31
FIT
1:1
100%

Артикул

Название

Примечание

Количество

1

1272619C92

VALVE

ASSEMBLY - reel drive, Includes: Ref. 2 - 25

1шт.

2

NSS

NOT SOLD SEPARAT

BODY - valve

1шт.

3

92669C2

SOLENOID SWITCH

SOLENOID ASSEMBLY - switch

1шт.

92670C1

KIT

SERVICE KIT - manual override

1шт.

5

NSS

NOT SOLD SEPARAT

WASHER - backup

1шт.

6

NSS

NOT SOLD SEPARAT

PINTLE - manual override

1шт.

7

NSS

NOT SOLD SEPARAT

O-RING - pintle

1шт.

8

NSS

NOT SOLD SEPARAT

RING - snap

1шт.

9

NSS

NOT SOLD SEPARAT

WASHER - flat, 1/4 inch

1шт.

10

25930R1

JAM NUT

- hex jam, 1/4 inch NF

1шт.

92671C1

KIT

SERVICE KIT - small parts, Includes: Ref. 15 - 25

1шт.

15

NSS

NOT SOLD SEPARAT

O-RING - solenoid

2шт.

16

NSS

NOT SOLD SEPARAT

O-RING - solenoid

1шт.

17

NSS

NOT SOLD SEPARAT

WASHER - override backup

1шт.

18

NSS

NOT SOLD SEPARAT

O-RING - override

1шт.

19

NSS

NOT SOLD SEPARAT

O-RING - spool cap

1шт.

20

NSS

NOT SOLD SEPARAT

ORIFICE ASSEMBLY - valve

2шт.

23

NSS

NOT SOLD SEPARAT

SPRING - spool

1шт.

24

NSS

NOT SOLD SEPARAT

BOLT - solenoid

4шт.

25

NSS

NOT SOLD SEPARAT

PLUG - spool

1шт.

30

1322417C2

SUPPORT

- valve, Start Serial: JJC0117060

1шт.

31

121-228

SERRATED BOLT,Hex, 3/8" - 16 x 3/4"

2шт.

32

482256R1

BEARING LOCK NUT,Flg, USR, 3/8"-16

- hex flange lock, 3/8 inch NC

2шт.

33

413-536

BOLT,Hex, 5/16" - 18 x 2-1/4", Gr 5

- hex, 5/16 NC x 2-1/4 inch

2шт.

34

938017R1

FLANGE NUT,Flg, USR, 5/16"-18

- hex flange lock, 5/16 inch NC

2шт.

Выбрано товаров: 0