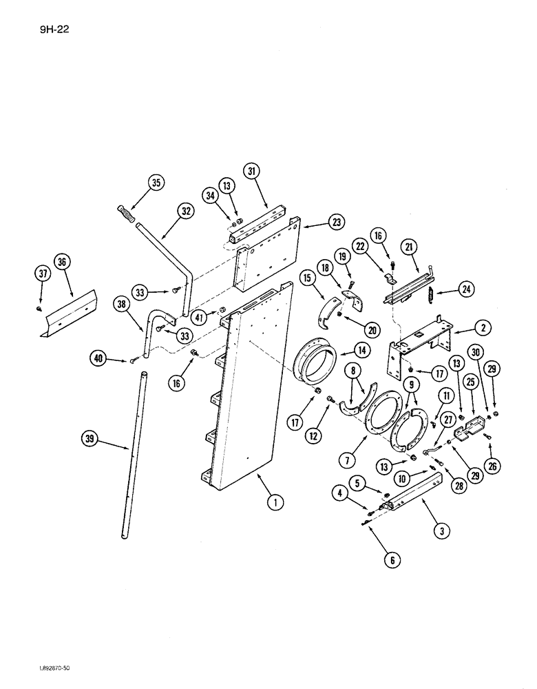
Запчасти Case IH 1680 (9H-22) - PIVOTING LADDER (12) - CHASSIS

Схема запчастей Case IH 1680 - (9H-22) - PIVOTING LADDER (12) - CHASSIS
15
6
5
32
12
4
3
34
29
33
9
8
24
21
38
30
14
17
13
16
7
33
11
41
39
13
22
29
2
27
35
10
31
23
16
20
36
37
25
13
40
1
28
26
19
18
17
FIT
1:1
100%

Артикул

Название

Примечание

Количество

1

1317520C91

LADDER

- mounting

1шт.

2

187941C1

SUPPORT

- pivot extension

1шт.

3

187949C2

SUPPORT

- pivot extension center lever

1шт.

4

174856C1

BOLT,Hex Serr, 5/16" - 18 x 1/2"

- hex flange, 5/16 NC x 1/2 inch

6шт.

5

938017R1

FLANGE NUT,Flg, USR, 5/16"-18

- hex flange lock, 5/16 inch NC

6шт.

6

486830R1

COTTER PIN

PIN - quick attachable

2шт.

7

187951C1

RETAINER

- pivot outer

1шт.

8

187952C1

RETAINER

- pivot ring

2шт.

9

187953C1

RETAINER

- pivot ring lube

2шт.

10

87414

LUBE NIPPLE,1/4" - 28

FITTING - lubrication, 1/4 inch

2шт.

11

87415

LUBE NIPPLE,90 Degree, 1/4" NPT x 3/4" L, Drive

NIPPLE, LUBE, 90°, 1/4" NPT x .75" lg, Drive

2шт.

12

154273C1

BOLT,Hex Serr, 3/8" - 16 x 1", Spcl

SCREW - hex lock, 3/8 NC x 1 inch

9шт.

13

482256R1

BEARING LOCK NUT,Flg, USR, 3/8"-16

- hex flange lock, 3/8 inch NC

10шт.

14

187955C3

FLANGE

- ladder pivot

1шт.

15

187984C3

SUPPORT

- ladder latch

1шт.

16

202107C1

BOLT,Hex Serr Flg, 5/16" - 18 x 3/4"

- hex flange lock, 5/16 NC x 3/4 inch

9шт.

17

938017R1

FLANGE NUT,Flg, USR, 5/16"-18

- hex flange lock, 5/16 inch NC

9шт.

18

1301172C3

SUPPORT

- ladder latch adjusting

1шт.

19

326-516

BOLT,Hex, 5/16" - 18 x 1", Gr 8

2шт.

20

188471C1

FLANGE NUT,Flg, 5/16"-18

NUT - trough joining, 5/16 inch

2шт.

21

187957C1

LEVER

- ladder pivot latch

1шт.

22

187962C1

SUPPORT

- latch hinge

2шт.

23

1318805C1

SUPPORT

CHANNEL - ladder filler

1шт.

24

398763R2

SPRING

- latch return

1шт.

25

1301262C2

STOP

SUPPORT - latch

1шт.

26

165420C1

BOLT,Hex Serr, 3/8"-16 x 1 1/4", Spcl

- hex lock, 3/8 NC x 1-1/4 inch

3шт.

27

1301260C1

EYEBOLT,3/8" - 16 x 72.91mm

- eye, latch adjusting

1шт.

28

413-624

BOLT,Hex, 3/8" - 16 x 1-1/2", Gr 5

- hex, 3/8 NC x 1-1/2 inch

1шт.

29

425-106

NUT,3/8"-16, Cl 5

2шт.

30

492-11038

LOCK WASHER,3/8"

1шт.

31

183544C2

SUPPORT

- ladder pivot

2шт.

32

1324845C1

ROD

- pivot ladder

1шт.

33

426-632

BOLT,Hex, 3/8" - 16 x 2", Gr 8

2шт.

34

396-31041

WASHER,10.31mm ID x 20.63mm OD x 3.4mm Thk

1шт.

35

1324841C2

GRIP

- pivot ladder lever

1шт.

36

1321370C1

SUPPORT

- ladder upper pivoting

1шт.

37

281-1476

SELF-TAP SCREW,Hex Washer, 1/4" - 20 x 3/8"

SCREW - self-tapping, hex washer head, 1/4 NC x 3/8 inch

2шт.

38

1317397C1

ROD

TUBE - support

2шт.

39

1318785C1

TUBE,26.8 mm ID, 28.58 mm OD

- support

2шт.

40

196955C1

BOLT,Curved Hd, 5/16" - 18 x 1.50", Cl 5

- curved head, 5/16 NC x 1-1/2 inch

10шт.

41

938017R1

FLANGE NUT,Flg, USR, 5/16"-18

- hex flange lock, 5/16 inch NC

10шт.

Выбрано товаров: 41