Запчасти Case IH 1680 (9A-06) - RIGHT SIDE BELT DRIVE (CONTD) (13) - FEEDER

Схема запчастей Case IH 1680 - (9A-06) - RIGHT SIDE BELT DRIVE (CONTD) (13) - FEEDER
84
66
63
78
56
55
47
71
49
65
70
49
56
59
68
50
83
75
73
57
64
67
81
82
58
74
40
69
60
48
53
80
54
79
72
FIT
1:1
100%

Артикул

Название

Примечание

Количество

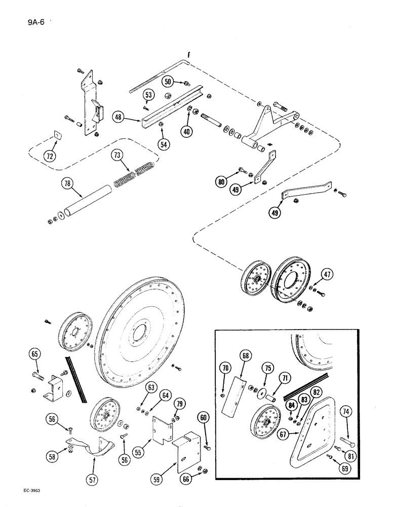
40

493-41078

LOCK WASHER,Ext Tooth, 3/4"

WASHER - lock, 3/4 inch, continued

1шт.

47

495-81137

WASHER,13/32" x 1" x .224"

- flat, 13/32 x 1 x 7/64 inch

3шт.

48

186588C2

CHANNEL

- pivot arm support

1шт.

49

1327619C1

SUPPORT

- elevator pivot, Includes: Ref. 50

2шт.

50

121-228

SERRATED BOLT,Hex, 3/8" - 16 x 3/4"

1шт.

53

477-73816

SERRATED SCREW,Sl Truss Hd, 3/8" x 1"

- slotted truss head, 3/8 NC x 1 inch

4шт.

54

25932R1

JAM NUT,Jam, 3/8"-16, G5

- hex jam, 3/8 inch NC

1шт.

55

1302352C1

GUIDE

- elevator belt upper

1шт.

56

477-73816

SERRATED SCREW,Sl Truss Hd, 3/8" x 1"

- slotted truss head, 3/8 NC x 1 inch

2шт.

57

1302068C2

GUIDE

- elevator belt lower

1шт.

58

22264R1

WASHER

- flat, 13/32 x 1 x 5/32 inch

3шт.

59

1302350C1

SHIELD

- elevator fixed idler (Not used with straw chopper)

1шт.

60

413-612

BOLT,Hex, 3/8" - 16 x 3/4", Gr 5

4шт.

63

425-106

NUT,3/8"-16, Cl 5

4шт.

64

495-11041

WASHER,0.406" ID x 0.812" OD x 0.065" W

- flat, 13/32 x 13/16 x 3/64 inch

4шт.

65

413-1040

BOLT,Hex, 5/8" - 11 x 2-1/2", Gr 5

- hex, 5/8 NC x 2-1/2 inch

1шт.

66

425-1410

JAM NUT,Jam, 5/8"-11, G5

- hex jam, 5/8 inch NC

1шт.

67

1302353C1

GUARD

SHIELD - elevator fixed idler (Used with straw chopper)

1шт.

68

1302351C1

DEFLECTOR

- elevator rear shield (Used with straw chopper)

1шт.

69

477-73108

SERRATED SCREW,Sl Truss Hd, 5/16" - 18 x 1/2"

- slotted truss head, 5/16 NC x 1/2 inch

2шт.

70

938017R1

FLANGE NUT,Flg, USR, 5/16"-18

- hex flange lock, 5/16 inch NC

2шт.

71

564737R1

SPACER,7/8" Tube x 2 1/16"

- 21/32 x 7/8 x 2-1/16 inch (For combines with straw chopper)

1шт.

72

194652C1

PIVOT

BAR - pivot arm

1шт.

73

155311C1

SPRING

- arm rod

1шт.

74

413-1048

BOLT,Hex, 5/8" - 11 x 3", Gr 5

1шт.

75

534939R1

WASHER

- flat, 21/32 x 2-1/2 x 7/64 inch

1шт.

78

1315236C1

TUBE,1.185" ID, 1.38" OD

- elevator drive spring

1шт.

79

495-81135

WASHER,10.31mm ID x 25.4mm OD x 3.4mm Thk

- flat, 13/32 x 1 x 7/64"

4шт.

80

187620C1

BOLT,Hex Serr Flg, 3/8" - 16 x 1 1/2"

- hex flange, 3/8 NC x 1-1/2 inch

1шт.

81

413-612

BOLT,Hex, 3/8" - 16 x 3/4", Gr 5

1шт.

82

495-11041

WASHER,0.406" ID x 0.812" OD x 0.065" W

(Flat, 13/32 x 13/16 x 1/16") 3/8", SAE

1шт.

83

495-11038

WASHER

WASHER - 3/8 lock

1шт.

84

425-106

NUT,3/8"-16, Cl 5

1шт.

Выбрано товаров: 33