Запчасти Case IH 1680 (9A-16) - FEEDER DRIVER FORWARD GEAR HOUSING (13) - FEEDER

Схема запчастей Case IH 1680 - (9A-16) - FEEDER DRIVER FORWARD GEAR HOUSING (13) - FEEDER
35
16
15
13
38
14
2
19
26
14
17
39
1
13
11
24
12
3
39
22
10
18
23
13
36
21
37
25
27
4
32
33
23
40
41
30
14
29
12
36
34
35
6
7
28
35
39
10
20
5
31
FIT
1:1
100%

Артикул

Название

Примечание

Количество

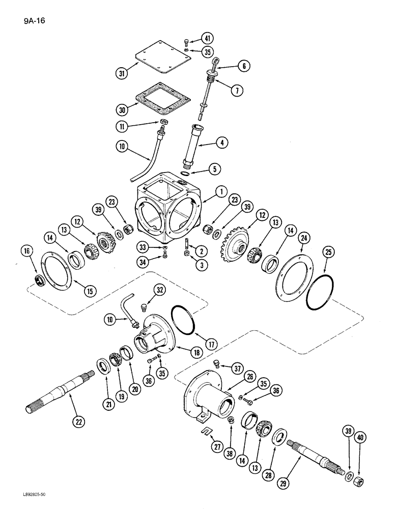
1

191388C1

CASE

HOUSING - gear

1шт.

2

188126

PIPE,Nipple, 3/8" NPT x 2"

- drain

1шт.

3

144164

O-RING

- drain pipe

1шт.

4

195429C1

TUBE

- oil gauge

1шт.

5

237-6016

O-RING,0.116" Thk x 1.171" ID, -916, Cl 6, 90 Duro

- 1 inch OD tube

1шт.

6

195319C91

GAUGE ASSY.

GAUGE ASSEMBLY - oil, Includes: Ref. 7

1шт.

7

238-5210

O-RING,0.139" Thk x 0.734" ID, -210, Cl 5, 75 Duro

- 3/4 x 1 inch

2шт.

10

188589C91

HOSE

- bank lube, 22 inch

1шт.

11

F53473

LOCK NUT,1/8-27 NPSM

- hex, 1/8-27 inch NPSM

1шт.

12

191285C1

GEAR-SET

GEAR SET - gear, drive (18 and 31 teeth)

1шт.

13

197609R91

BEARING ASSY,1.375" ID x 3" OD x 1.125"

CONE - bearing, inner 1-3/8 inch ID

3шт.

14

197608R1

BEARING ASSY,1.375" ID x 3" OD x 1.1562"

BEARING CUP, Inner 3" OD

3шт.

195484C2

SHIM KIT

- rear housing, Includes: Ref. 15

1шт.

15

NSS

NOT SOLD SEPARAT

SHIM - 0.005 inch

4шт.

15

NSS

NOT SOLD SEPARAT

SHIM - 0.007 inch

4шт.

15

NSS

NOT SOLD SEPARAT

SHIM - 0.020 inch

2шт.

16

938294R91

OIL SEAL,32.89mm ID x 54.08mm OD x 8mm Thk

- oil, input shaft inner

1шт.

17

238-5250

O-RING,0.139" Thk x 4.984" ID, -250, Cl 5, 75 Duro

-250, 70 Duro, 4.984" ID x .139 Thk, Housing

1шт.

18

191245C2

HUB

HOUSING - rear bell

1шт.

19

618023R91

BEARING ASSY,34.93mm ID x 18.2mm W

CONE - bearing, outer 1-3/8 inch ID

1шт.

20

618024R1

BEARING CUP,65.113mm OD x 13.97mm W

Outer 2-1/2 inch OD

1шт.

21

192527C1

OIL SEAL,44.45mm ID x 69.95mm OD x 7.92mm Thk

- oil, input shaft outer

1шт.

22

191396C1

SHAFT

- input

1шт.

23

195428C1

LOCK NUT

- input and output shaft

2шт.

195485C1

SHIM KIT

- right housing, Includes: Ref. 24

1шт.

24

NSS

NOT SOLD SEPARAT

SHIM - 0.005 inch

2шт.

24

NSS

NOT SOLD SEPARAT

SHIM - 0.007 inch

2шт.

24

NSS

NOT SOLD SEPARAT

SHIM - 0.020 inch

2шт.

25

238-5259

O-RING,0.139" Thk x 6.234" ID, -259, Cl 5, 75 Duro

1шт.

26

191248C1

HUB

HOUSING - right bell

1шт.

27

935915R1

SHIM,33.02mm OD x 0.38mm Thk

- right bell housing

8шт.

28

192528C1

OIL SEAL,42.85mm ID x 76.33mm OD x 8mm Thk

- oil, output shaft

1шт.

29

191384C1

SHAFT

- output

1шт.

30

191397C1

GASKET

- cover

1шт.

31

191249C1

COVER

- gear housing

1шт.

32

61991R91

BREATHER,1/8"-27 NPT, Short, w/washer

- oil

1шт.

33

80679

LOCK WASHER,1/20.507 CST ZND

WASHER, LOCK, 1/2"

4шт.

34

413-816

BOLT,Hex, 1/2" - 13 x 1", Gr 5

4шт.

35

492-11038

LOCK WASHER,3/8"

16шт.

36

413-620

BOLT,Hex, 3/8" - 16 x 1-1/4", Gr 5

- hex, 3/8 NC x 1-1/4 inch

9шт.

37

413-820

BOLT,Hex, 1/2" - 13 x 1-1/4", Gr 5

- hex, 1/2 NC x 1-1/4 inch

2шт.

38

487374R1

BEARING LOCK NUT,Flg, USR, 1/2"-13

- hex flange lock, 1/2 inch NC

2шт.

39

238633R1

WASHER,23.11mm ID x 52.32mm OD x 4.55mm Thk

- output and input shaft

3шт.

40

9413974

LOCK NUT,7/8"-14, GB

NUT - hex lock, 7/8 inch NF

1шт.

41

413-612

BOLT,Hex, 3/8" - 16 x 3/4", Gr 5

7шт.

Выбрано товаров: 45