Запчасти Case IH 1680 (9D-08) - INCLINED GRAIN ELEVATOR HEAD (CONTD) (16) - GRAIN ELEVATORS & AUGERS

Схема запчастей Case IH 1680 - (9D-08) - INCLINED GRAIN ELEVATOR HEAD (CONTD) (16) - GRAIN ELEVATORS & AUGERS
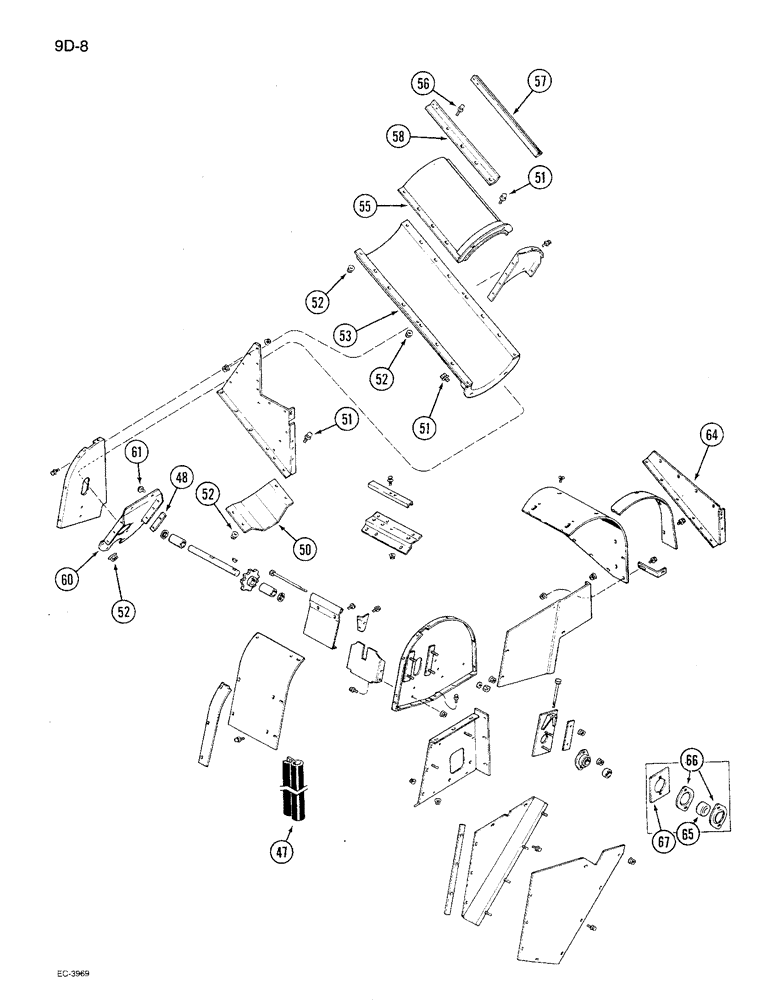
52
57
51
60
65
48
51
52
55
67
58
56
52
47
53
61
66
64
51
50
52
FIT
1:1
100%

Артикул

Название

Примечание

Количество

47

1321263C1

RUBBER SEAL,1137mm L

- flange, head, continued

2шт.

48

1321554C1

PLATE

BAR - filler

1шт.

50

1321556C1

COVER

- U-joint, auger

1шт.

51

174856C1

BOLT,Hex Serr, 5/16" - 18 x 1/2"

- hex flange, 5/16 NC x 1/2 inch

1шт.

52

938017R1

FLANGE NUT,Flg, USR, 5/16"-18

- hex flange lock, 5/16 inch NC

1шт.

53

1321557C2

TUBE,887 mm Length

TROUGH - tube, lower

1шт.

55

1321560C2

TROUGH

- tube, upper

1шт.

56

202107C1

BOLT,Hex Serr Flg, 5/16" - 18 x 3/4"

- hex flange lock, 5/16 NC x 3/4 inch

6шт.

57

1321568C2

ANGLE

BRACKET - support, front

1шт.

58

1321569C2

ANGLE

BRACKET - support, rear

1шт.

60

1979134C1

SUPPORT

PLATE - support, auger bearing

1шт.

61

477-73108

SERRATED SCREW,Sl Truss Hd, 5/16" - 18 x 1/2"

- slotted truss head, 5/16 NC x 1/2 inch

2шт.

64

1321552C2

SUPPORT

PLATE - side, front

1шт.

65

156011C92

BALL BEARING

BEARING ASSEMBLY - headshaft

2шт.

66

581469R1

FLANGE,Bearing

- bearing retainer

4шт.

67

1979642C1

SPACER

- bearing flange

2шт.

Выбрано товаров: 16