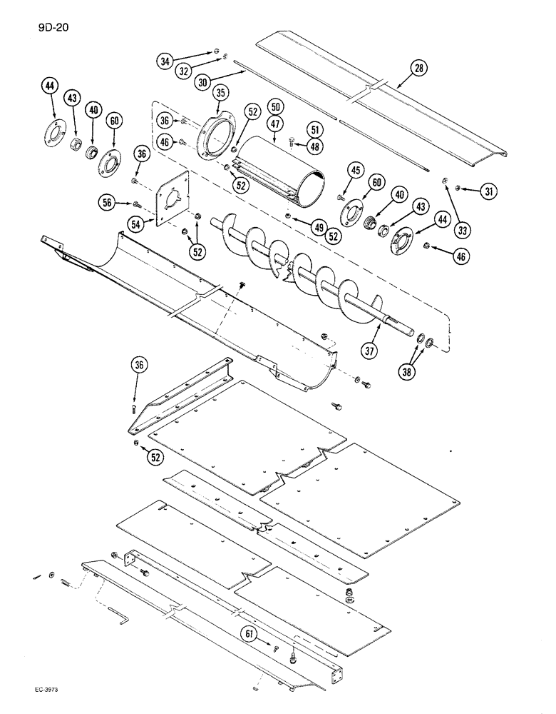
Запчасти Case IH 1680 (9D-20) - TAILINGS AUGER TROUGH (CONTD) (16) - GRAIN ELEVATORS & AUGERS

Схема запчастей Case IH 1680 - (9D-20) - TAILINGS AUGER TROUGH (CONTD) (16) - GRAIN ELEVATORS & AUGERS
52
35
44
52
43
36
61
36
30
48
43
32
40
36
37
52
46
33
47
38
44
51
60
28
60
46
56
40
45
49
54
31
52
52
34
50
FIT
1:1
100%

Артикул

Название

Примечание

Количество

28

185196C1

DOOR

- cover, troug, continued

1шт.

30

185197C1

ROD

- auger door

1шт.

31

425-105

NUT,5/16"-18, G5

- hex, 5/16 inch NC

1шт.

32

492-11031

LOCK WASHER,5/16"

WASHER, LOCK, 5/16"

1шт.

33

495-11034

WASHER,5/16", SAE

5/16" SAE (flat, 11/32 x 11/16 x 1/16")

1шт.

34

188471C1

FLANGE NUT,Flg, 5/16"-18

NUT - hex flange lock, 5/16 inch NC

1шт.

35

160324C2

FLANGE

- mounting, auger cover

1шт.

36

477-73108

SERRATED SCREW,Sl Truss Hd, 5/16" - 18 x 1/2"

- slotted truss, 5/16 NC x 1/2 inch

1шт.

37

192549C2

AUGER

- tailings

1шт.

38

495-81289

WASHER,1.25" ID x 2.75" OD x 0.16" Thk

- flat, 1-1/4 x 2-3/4 x 5/32 inch

1шт.

40

939475R92

BEARING ASSY

ASSEMBLY - auger

2шт.

43

557115R11

COLLAR

COLLAR ASSEMBLY - locking

2шт.

44

939460R91

FLANGE

- bearing

2шт.

45

477-73816

SERRATED SCREW,Sl Truss Hd, 3/8" x 1"

- slotted truss head, 3/8 NC x 1 inch

6шт.

46

482256R1

BEARING LOCK NUT,Flg, USR, 3/8"-16

- hex flange lock, 3/8 inch NC

6шт.

47

192696C1

EXTENSION

ASSEMBLY - extension (Non-perforated)

1шт.

48

413-520

BOLT,Hex, 5/16" - 18 x 1-1/4", Gr 5

- hex, 5/16 NC x 1-1/4 inch

3шт.

49

9412083

NUT,5/16"-18, GB

NUT - hex lock, 5/16 inch NC

3шт.

50

195075C1

SCREEN

ASSEMBLY - extension (Perforated)

1шт.

51

161945C1

SERRATED SCREW,Sl Truss Hd, 5/16" - 18 x 1"

- slotted truss, 5/16 NC x 1 inch

2шт.

52

938017R1

FLANGE NUT,Flg, USR, 5/16"-18

- hex flange lock, 5/16 inch NC

1шт.

54

183158C1

COVER

BAR - support, bearing

1шт.

56

199953C1

SELF-TAP SCREW,HWH, 5/16" - 18 x 13/16"

SCREW, SELF TAP, Hex Wash Hd, 5/16"-18 x 13/16"

1шт.

60

939461R1

FLANGE

- bearing

2шт.

61

413-58

BOLT,Hex, 5/16" - 18 x 1/2", Gr 5

- hex, 5/16 x 1/2 inch

8шт.

Выбрано товаров: 25